• 轴承型号查询
  • 普通搜索
  • 高级搜索
  • 联系我们
  • 关于我们
设为首页     加入收藏
轴承型号查询 > SKF > 32052T189X/DBC280轴承

32052T189X/DBC280轴承

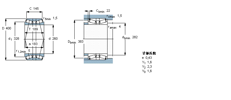
型号:32052T189X/DBC280
品牌:SKF
系列:圆锥滚子轴承, 单列,背对背配对
内径:260 mm
外径:400 mm
厚度:189 mm
【发布日期:】
32052T189X/DBC280是SKF品牌下的圆锥滚子轴承, 单列,背对背配对型号,我司有部分现货库存,32052T189X/DBC280轴承详细参数如下表所示,如有疑问,欢迎拨打0512-62658883进行咨询,并且我司能为客户提供样本图纸,32052T189X/DBC280轴承替代型号,价格等详细资料!
   公司还为您推荐型号:
    3205ATN9/W64轴承 - 3209ATN9/W64轴承 - 3207A轴承 - 3206A轴承 - 3205A轴承 - 3204A轴承 - 3203A轴承 - 3200A轴承 - 3209A轴承 - 3207A轴承 - 32022-X轴承 - 32022-X-N11CA轴承 - 32068轴承 - 32072轴承 - 32080轴承 -

基本信息

                     
  圆锥滚子轴承, 单列,背对背配对
                    公差 , 参见文字
                    轴向内部间隙, 参见文字
                    推荐配合
                    轴和轴承座公差
  主要数据尺寸 基本负荷额定值 疲劳负荷限值 额定速度 体积 型号
    动态 静态   参照速度 限制速度
  d D B C C0 Pu
  mm kN kN r/min kg -
 26040018919804400380850140080,532052T189 X/DBC280

相同内径260mm型号

  • 品牌
  • 型号
  • 内径
  • 外径
  • 厚度
  • 系列
  • SKF
  • IR260x285x60轴承
  • 260
  • 285
  • 60
  • 滚针轴承, 内圈, series IR
  • FAG
  • 6252轴承
  • 260
  • 480
  • 80
  • 深沟球轴承
  • FAG
  • 6052轴承
  • 260
  • 400
  • 65
  • 深沟球轴承
  • KOYO
  • 61952轴承
  • 260
  • 360
  • 46
  • 深沟球轴承
  • NTN
  • 61952轴承
  • 260
  • 360
  • 46
  • 深沟球轴承
  • NACHI
  • 61952轴承
  • 260
  • 360
  • 46
  • 深沟球轴承
  • KOYO
  • 46252轴承
  • 260
  • 400
  • 圆锥滚子轴承
  • NSK
  • 61952轴承
  • 260
  • 360
  • 46
  • 深沟球轴承
  • KOYO
  • 46252A轴承
  • 260
  • 400
  • 圆锥滚子轴承
  • KOYO
  • 46352轴承
  • 260
  • 440
  • 圆锥滚子轴承

相同外径400mm型号

  • 品牌
  • 型号
  • 内径
  • 外径
  • 厚度
  • 系列
  • NACHI
  • 7244AC轴承
  • 220
  • 400
  • 65
  • 角接触球轴承
  • FAG
  • 23244KMBH2344XHG轴承
  • 200
  • 400
  • 144
  • 调心滚子轴承
  • FAG
  • 22338KMBH2338轴承
  • 170
  • 400
  • 132
  • 调心滚子轴承
  • NSK
  • 23052CAK+H3052轴承
  • 240
  • 400
  • 104
  • 调心滚子轴承
  • NTN
  • 7244AC轴承
  • 220
  • 400
  • 65
  • 角接触球轴承
  • INA
  • SL181864轴承
  • 320
  • 400
  • 38
  • 圆柱滚子轴承
  • SKF
  • 22338CC/W33轴承
  • 190
  • 400
  • 132
  • 球面滚子轴承, 圆柱和圆锥孔, 圆柱型内孔, 无密封件
  • SKF
  • 22338CCJA/W33VA405轴承
  • 190
  • 400
  • 132
  • 球面滚子轴承, 圆柱和圆锥孔, 圆柱型内孔, 用于振动场合
  • SKF
  • 22338CCJA/W33VA406轴承
  • 190
  • 400
  • 132
  • 球面滚子轴承, 圆柱和圆锥孔, 圆柱型内孔, 用于振动场合
  • SKF
  • 22338CCK/W33轴承
  • 190
  • 400
  • 132
  • 球面滚子轴承, 圆柱和圆锥孔, 圆锥型内孔, 无密封件

相同厚度189mm型号

  • 品牌
  • 型号
  • 内径
  • 外径
  • 厚度
  • 系列
  • NSK
  • UCF213轴承
  • 65
  • 65.1
  • 189
  • 带座外球面球轴承
  • NTN
  • UCF213轴承
  • 65
  • 65.1
  • 189
  • 带座外球面球轴承
  • SKF
  • FY65TF轴承
  • 65
  • 65.1
  • 189
  • 带座外球面球轴承
  • NTN
  • UKF213;H2313X轴承
  • 60
  • 66
  • 189
  • 带座外球面球轴承
  • SKF
  • 32052T189X/DBC280轴承
  • 260
  • 400
  • 189
  • 圆锥滚子轴承, 单列,背对背配对
  • SKF
  • BT2B440301轴承
  • 355.6
  • 482.6
  • 189
  • 圆锥滚子轴承, 单列,背对背配对

推荐型号

1309E轴承 HR30214J轴承 CRH26VB轴承 HJ216E轴承 NK18/16轴承 3314A-2Z/MT33轴承 1310E轴承 HR30215J轴承 CRH26VBUU轴承 HJ2216E轴承 NK18/20轴承 5314A轴承 62192RS轴承 HR30216J轴承 CRH28VB轴承 HJ316E轴承 

轴承型号查询 | 联系我们| 关于我们| 最新资讯| 高级搜索