• 轴承型号查询
  • 普通搜索
  • 高级搜索
  • 联系我们
  • 关于我们
设为首页     加入收藏
轴承型号查询 > SKF > 22338CC/W33轴承

22338CC/W33轴承

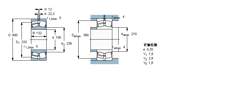
型号:22338CC/W33
品牌:SKF
系列:球面滚子轴承, 圆柱和圆锥孔, 圆柱型内孔, 无密封件
内径:190 mm
外径:400 mm
厚度:132 mm
【发布日期:】
22338CC/W33是SKF品牌下的球面滚子轴承, 圆柱和圆锥孔, 圆柱型内孔, 无密封件型号,我司有部分现货库存,22338CC/W33轴承详细参数如下表所示,如有疑问,欢迎拨打0512-62658883进行咨询,并且我司能为客户提供样本图纸,22338CC/W33轴承替代型号,价格等详细资料!
   公司还为您推荐型号:
    22332-K-MB+H2332轴承 - 22330-E1-K+AHX2330G轴承 - 22330-E1轴承 - 22330-E1-K轴承 - 22330-E1-K-T41A轴承 - 22330-E1-T41D轴承 - 22332-K-MB+AH2332G轴承 - 22334-K-MB+H2334轴承 - 22332-A-MA-T41A轴承 - 22332-K-MB轴承 - 22332-MB轴承 - 22334-K-MB+AH2334G轴承 - 22336-K-MB+H2336轴承 - 22334-A-MA-T41A轴承 - 22334-K-MB轴承 -

基本信息

                     
  球面滚子轴承, 圆柱和圆锥孔, 圆柱型内孔, 无密封件
              公差 , 参见文字
              径向内部间隙, 圆柱型内孔 , 圆锥型内孔, 无密封件 , 参见文字
              推荐配合
              轴和轴承座公差
  主要数据尺寸 基本负荷额定值 疲劳负荷限值 额定速度 体积 型号
    动态 静态   参照速度 限制速度
  d D B C C0 Pu * - SKF Explorer 轴承
  mm kN kN r/min kg -
 190400132212026502081200160082,522338 CC/W33 *

相同内径190mm型号

  • 品牌
  • 型号
  • 内径
  • 外径
  • 厚度
  • 系列
  • SKF
  • 23938CC/W33轴承
  • 190
  • 260
  • 52
  • 球面滚子轴承, 圆柱和圆锥孔, 圆柱型内孔, 无密封件
  • SKF
  • 23938CCK/W33轴承
  • 190
  • 260
  • 52
  • 球面滚子轴承, 圆柱和圆锥孔, 圆锥型内孔, 无密封件
  • SKF
  • 23038CC/W33轴承
  • 190
  • 290
  • 75
  • 球面滚子轴承, 圆柱和圆锥孔, 圆柱型内孔, 无密封件
  • SKF
  • 23038CCK/W33轴承
  • 190
  • 290
  • 75
  • 球面滚子轴承, 圆柱和圆锥孔, 圆锥型内孔, 无密封件
  • SKF
  • 24038CC/W33轴承
  • 190
  • 290
  • 100
  • 球面滚子轴承, 圆柱和圆锥孔, 圆柱型内孔, 无密封件
  • SKF
  • 24038CCK30/W33轴承
  • 190
  • 290
  • 100
  • 球面滚子轴承, 圆柱和圆锥孔, 圆锥型内孔, 无密封件
  • SKF
  • 23138CC/W33轴承
  • 190
  • 320
  • 104
  • 球面滚子轴承, 圆柱和圆锥孔, 圆柱型内孔, 无密封件
  • SKF
  • 23138CCK/W33轴承
  • 190
  • 320
  • 104
  • 球面滚子轴承, 圆柱和圆锥孔, 圆锥型内孔, 无密封件
  • SKF
  • 23138-2CS5/VT143轴承
  • 190
  • 320
  • 104
  • 球面滚子轴承, 圆柱和圆锥孔, 圆柱型内孔, 两面密封件
  • SKF
  • 23138-2CS5K/VT143轴承
  • 190
  • 320
  • 104
  • 球面滚子轴承, 圆柱和圆锥孔, 圆锥型内孔, 两面密封件

相同外径400mm型号

  • 品牌
  • 型号
  • 内径
  • 外径
  • 厚度
  • 系列
  • NACHI
  • 22338EW33K轴承
  • 190
  • 400
  • 132
  • 球面滚子轴承
  • NACHI
  • 29440E轴承
  • 200
  • 400
  • 122
  • 球面滚子推力轴承
  • NSK
  • NU338轴承
  • 190
  • 400
  • 78
  • 圆柱滚子轴承
  • NSK
  • NJ338轴承
  • 190
  • 400
  • 78
  • 圆柱滚子轴承
  • NSK
  • NUP338轴承
  • 190
  • 400
  • 78
  • 圆柱滚子轴承
  • NSK
  • NF338轴承
  • 190
  • 400
  • 78
  • 圆柱滚子轴承
  • NSK
  • NJ2338轴承
  • 190
  • 400
  • 132
  • 圆柱滚子轴承
  • NSK
  • NU2338轴承
  • 190
  • 400
  • 132
  • 圆柱滚子轴承
  • NSK
  • NJ2244轴承
  • 220
  • 400
  • 108
  • 圆柱滚子轴承
  • NSK
  • 32052轴承
  • 260
  • 400
  • 82
  • 圆锥滚子轴承

相同厚度132mm型号

  • 品牌
  • 型号
  • 内径
  • 外径
  • 厚度
  • 系列
  • SKF
  • N2338轴承
  • 190
  • 400
  • 132
  • 圆柱滚子轴承
  • KOYO
  • 22338R轴承
  • 190
  • 400
  • 132
  • 球面滚子轴承
  • KOYO
  • 22338RHA轴承
  • 190
  • 400
  • 132
  • 球面滚子轴承
  • KOYO
  • 68/1400轴承
  • 1400
  • 1700
  • 132
  • 深沟球轴承
  • NSK
  • UCF208轴承
  • 40
  • 49.2
  • 132
  • 带座外球面球轴承
  • NTN
  • UCF208轴承
  • 40
  • 49.2
  • 132
  • 带座外球面球轴承
  • SKF
  • FY40TF轴承
  • 40
  • 49.2
  • 132
  • 带座外球面球轴承
  • FAG
  • FG56208轴承
  • 40
  • 49.2
  • 132
  • 带座外球面球轴承
  • SKF
  • FY40WM轴承
  • 40
  • 56.3
  • 132
  • 带座外球面球轴承
  • NTN
  • UKF208;H2308X轴承
  • 35
  • 46
  • 132
  • 带座外球面球轴承

推荐型号

CSEF055轴承 71915C轴承 CSXF055轴承 71914C轴承 XW5-1/2轴承 71913C轴承 CSCG055轴承 71912C轴承 CSXG055轴承 71911C轴承 W5-1/2轴承 71910C轴承 230S.508-MA轴承 71909C轴承 222S.508轴承 71908C轴承 

轴承型号查询 | 联系我们| 关于我们| 最新资讯| 高级搜索