• 轴承型号查询
  • 普通搜索
  • 高级搜索
  • 联系我们
  • 关于我们
设为首页     加入收藏
轴承型号查询 > SKF > W638/4-2Z轴承

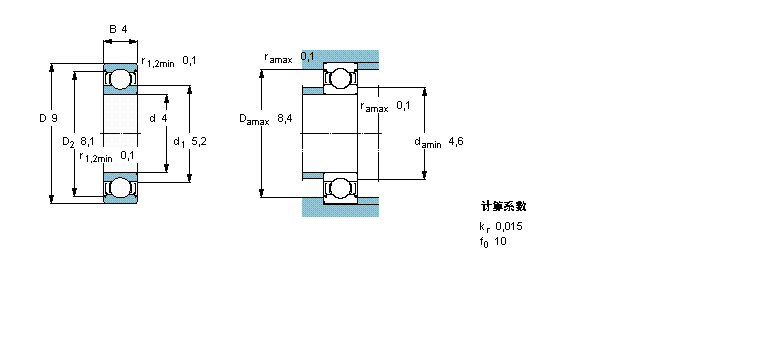
W638/4-2Z轴承

型号:W638/4-2Z
品牌:SKF
系列:深沟球轴承, 单列,不锈钢, 两面防尘罩
内径:4 mm
外径:9 mm
厚度:4 mm
【发布日期:】
W638/4-2Z是SKF品牌下的深沟球轴承, 单列,不锈钢, 两面防尘罩型号,我司有部分现货库存,W638/4-2Z轴承详细参数如下表所示,如有疑问,欢迎拨打0512-62658883进行咨询,并且我司能为客户提供样本图纸,W638/4-2Z轴承替代型号,价格等详细资料!
   公司还为您推荐型号:
    W637/2轴承 - W638/1.5-2Z轴承 - W639/1.5-2Z轴承 - W638/2-2Z轴承 - W639/2-2Z轴承 - W637/3轴承 - W637/3-2Z轴承 - W638/3-2Z轴承 - W639/3-2Z轴承 - W638/4-2Z轴承 - W634-2Z轴承 - W638/5-2Z轴承 - W635轴承 - W635-2Z轴承 - W638/8-2Z轴承 -

基本信息

                     
  深沟球轴承, 单列,不锈钢, 两面防尘罩
                  公差 , 参见文字
                  径向内部游隙 , 参见文字
                  推荐配合
                  轴和轴承座公差
  主要数据尺寸 基本负荷额定值 疲劳负荷限值 额定速度 体积 型号
    动态 静态   参照速度 限制速度
  d D B C C0 Pu        
  mm kN kN r/min kg -
 4940,4490,1730,0075140000700000,0010W 638/4-2Z

相同内径4mm型号

  • 品牌
  • 型号
  • 内径
  • 外径
  • 厚度
  • 系列
  • NACHI
  • 624轴承
  • 4
  • 13
  • 5
  • 深沟球轴承
  • NACHI
  • 634轴承
  • 4
  • 16
  • 5
  • 深沟球轴承
  • SKF
  • BA4轴承
  • 4
  • 10
  • 4
  • 推力球轴承, 单向
  • NACHI
  • 684轴承
  • 4
  • 9
  • 2.5
  • 深沟球轴承
  • NTN
  • 684轴承
  • 4
  • 9
  • 2.5
  • 深沟球轴承
  • FAG
  • 618/4轴承
  • 4
  • 9
  • 2.5
  • 深沟球轴承
  • NACHI
  • 694轴承
  • 4
  • 11
  • 3
  • 深沟球轴承
  • KOYO
  • ML4007轴承
  • 4
  • 7
  • 2
  • 深沟球轴承
  • KOYO
  • ML4008轴承
  • 4
  • 8
  • 2
  • 深沟球轴承
  • KOYO
  • 684轴承
  • 4
  • 9
  • 2.5
  • 深沟球轴承

相同外径9mm型号

  • 品牌
  • 型号
  • 内径
  • 外径
  • 厚度
  • 系列
  • SKF
  • 618/4轴承
  • 4
  • 9
  • 2.5
  • 深沟球轴承, 单列, 无密封件
  • SKF
  • 628/4-2Z轴承
  • 4
  • 9
  • 3.5
  • 深沟球轴承, 单列, 两面防尘罩
  • SKF
  • 638/4-2Z轴承
  • 4
  • 9
  • 4
  • 深沟球轴承, 单列, 两面防尘罩
  • INA
  • K7X9X7TN轴承
  • 7
  • 9
  • 7
  • 滚针和保持架组件
  • SKF
  • W618/4轴承
  • 4
  • 9
  • 2.5
  • 深沟球轴承, 单列,不锈钢, 无密封件
  • SKF
  • W628/4-2Z轴承
  • 4
  • 9
  • 3.5
  • 深沟球轴承, 单列,不锈钢, 两面防尘罩
  • SKF
  • W638/4-2Z轴承
  • 4
  • 9
  • 4
  • 深沟球轴承, 单列,不锈钢, 两面防尘罩
  • SKF
  • W618/4R轴承
  • 4
  • 9
  • 10.3
  • 深沟球轴承, 单列,不锈钢,带法兰, 无密封件
  • SKF
  • W628/4-2ZR轴承
  • 4
  • 9
  • 10.3
  • 深沟球轴承, 单列,不锈钢,带法兰, 两面防尘罩
  • SKF
  • W638/4-2ZR轴承
  • 4
  • 9
  • 10.3
  • 深沟球轴承, 单列,不锈钢,带法兰, 两面防尘罩

相同厚度4mm型号

  • 品牌
  • 型号
  • 内径
  • 外径
  • 厚度
  • 系列
  • KOYO
  • 604-2Z轴承
  • 4
  • 12
  • 4
  • 深沟球轴承
  • NTN
  • AXK1114轴承
  • 70
  • 95
  • 4
  • 推力滚子轴承
  • NTN
  • AXK1115轴承
  • 75
  • 100
  • 4
  • 推力滚子轴承
  • NTN
  • AXK1116轴承
  • 80
  • 105
  • 4
  • 推力滚子轴承
  • NTN
  • AXK1117轴承
  • 85
  • 110
  • 4
  • 推力滚子轴承
  • NTN
  • AXK1118轴承
  • 90
  • 120
  • 4
  • 推力滚子轴承
  • NTN
  • 619/5轴承
  • 5
  • 13
  • 4
  • 深沟球轴承
  • NTN
  • AXK1124轴承
  • 120
  • 155
  • 4
  • 推力滚子轴承
  • NTN
  • AXK1120轴承
  • 100
  • 135
  • 4
  • 推力滚子轴承
  • NTN
  • AXK1122轴承
  • 110
  • 145
  • 4
  • 推力滚子轴承

推荐型号

7952DB轴承 6318轴承 160KBD031轴承 6848B轴承 6852B轴承 7952DF轴承 6318-2RSR轴承 170KBD030轴承 7952DT轴承 6318-2Z轴承 170KBD031轴承 6880B轴承 7956轴承 7318-B-JP轴承 180KBD030轴承 618/7轴承 

轴承型号查询 | 联系我们| 关于我们| 最新资讯| 高级搜索