• 轴承型号查询
  • 普通搜索
  • 高级搜索
  • 联系我们
  • 关于我们
设为首页     加入收藏
轴承型号查询 > SKF > NNCF5018CV轴承

NNCF5018CV轴承

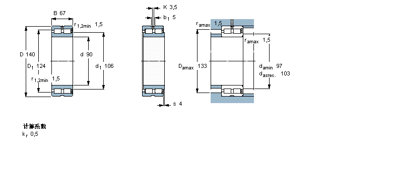
型号:NNCF5018CV
品牌:SKF
系列:圆柱滚子轴承, 双列满装滚子, 无密封件, 单方向轴向负荷的挡边
内径:90 mm
外径:140 mm
厚度:67 mm
【发布日期:】
NNCF5018CV是SKF品牌下的圆柱滚子轴承, 双列满装滚子, 无密封件, 单方向轴向负荷的挡边型号,我司有部分现货库存,NNCF5018CV轴承详细参数如下表所示,如有疑问,欢迎拨打0512-62658883进行咨询,并且我司能为客户提供样本图纸,NNCF5018CV轴承替代型号,价格等详细资料!
   公司还为您推荐型号:
    NNCF5004CV轴承 - NNCF5005CV轴承 - NNCF5006CV轴承 - NNCF5007CV轴承 - NNCF5008CV轴承 - NNCF5009CV轴承 - NNCF5010CV轴承 - NNCF5011CV轴承 - NNC4912CV轴承 - NNCF5012CV轴承 - NNCF5013CV轴承 - NNC4914CV轴承 - NNCF4914CV轴承 - NNCL4914CV轴承 - NNCF5014CV轴承 -

基本信息

                     
  圆柱滚子轴承, 双列满装滚子, 无密封件, 单方向轴向负荷的挡边
                    公差 , 参见文字
                    径向内部游隙 , 参见文字
                    推荐配合
                    轴和轴承座公差
  主要数据尺寸 基本负荷额定值 疲劳负荷限值 额定速度 体积 型号
    动态 静态   参照速度 限制速度
  d D B C C0 Pu
  mm kN kN r/min kg -
 901406736956069,5220028003,62NNCF 5018 CV

相同内径90mm型号

  • 品牌
  • 型号
  • 内径
  • 外径
  • 厚度
  • 系列
  • KOYO
  • 6018-2RZ轴承
  • 90
  • 140
  • 24
  • 深沟球轴承
  • KOYO
  • 6018-2RS轴承
  • 90
  • 140
  • 24
  • 深沟球轴承
  • NSK
  • 6018-2RZ轴承
  • 90
  • 140
  • 24
  • 深沟球轴承
  • NSK
  • 6018-2RS轴承
  • 90
  • 140
  • 24
  • 深沟球轴承
  • KOYO
  • 6218-2RZ轴承
  • 90
  • 160
  • 30
  • 深沟球轴承
  • KOYO
  • 6218-2RS轴承
  • 90
  • 160
  • 30
  • 深沟球轴承
  • NTN
  • 6018-2RZ轴承
  • 90
  • 140
  • 24
  • 深沟球轴承
  • NTN
  • 6018-2RS轴承
  • 90
  • 140
  • 24
  • 深沟球轴承
  • KOYO
  • 6218-RZ轴承
  • 90
  • 160
  • 30
  • 深沟球轴承
  • KOYO
  • 6218-RS轴承
  • 90
  • 160
  • 30
  • 深沟球轴承

相同外径140mm型号

  • 品牌
  • 型号
  • 内径
  • 外径
  • 厚度
  • 系列
  • FAG
  • 7216B.UO轴承
  • 80
  • 140
  • 52
  • 角接触球轴承
  • FAG
  • 7313B.UO轴承
  • 65
  • 140
  • 66
  • 角接触球轴承
  • NTN
  • 22216BKD1+H316X轴承
  • 70
  • 140
  • 33
  • 调心滚子轴承
  • NSK
  • N216M轴承
  • 80
  • 140
  • 26
  • 圆柱滚子轴承
  • FAG
  • NJ216E.TVP2轴承
  • 80
  • 140
  • 26
  • 圆柱滚子轴承
  • FAG
  • NJ2216E.TVP2轴承
  • 80
  • 140
  • 33
  • 圆柱滚子轴承
  • FAG
  • NJ313E.TVP2轴承
  • 65
  • 140
  • 33
  • 圆柱滚子轴承
  • NACHI
  • 7313AC/DB轴承
  • 65
  • 140
  • 66
  • 角接触球轴承
  • IKO
  • RNA4920轴承
  • 115
  • 140
  • 40
  • 滚针轴承
  • IKO
  • RNA4822轴承
  • 120
  • 140
  • 30
  • 滚针轴承

相同厚度67mm型号

  • 品牌
  • 型号
  • 内径
  • 外径
  • 厚度
  • 系列
  • SKF
  • NNCF5018CV轴承
  • 90
  • 140
  • 67
  • 圆柱滚子轴承, 双列满装滚子, 无密封件, 单方向轴向负荷的挡边
  • SKF
  • NNF5018ADB-2LSV轴承
  • 90
  • 140
  • 67
  • 圆柱滚子轴承, 双列满装滚子, 两面密封件, 双方向轴向负荷的挡边
  • SKF
  • NNF5019ADB-2LSV轴承
  • 95
  • 145
  • 67
  • 圆柱滚子轴承, 双列满装滚子, 两面密封件, 双方向轴向负荷的挡边
  • SKF
  • NNCF5020CV轴承
  • 100
  • 150
  • 67
  • 圆柱滚子轴承, 双列满装滚子, 无密封件, 单方向轴向负荷的挡边
  • SKF
  • NNF5020ADB-2LSV轴承
  • 100
  • 150
  • 67
  • 圆柱滚子轴承, 双列满装滚子, 两面密封件, 双方向轴向负荷的挡边
  • INA
  • 89420轴承
  • 100
  • 210
  • 67
  • 推力圆柱滚子轴承
  • NSK
  • 170KBE30+L轴承
  • 170
  • 260
  • 67
  • 双列圆锥滚子轴承
  • NSK
  • 22319EAE4轴承
  • 95
  • 200
  • 67
  • 调心滚子轴承
  • NSK
  • 22319EAKE4轴承
  • 95
  • 200
  • 67
  • 调心滚子轴承
  • FAG
  • 2319K.M.C3轴承
  • 95
  • 200
  • 67
  • 调心球轴承

推荐型号

7307C轴承 22312BKD1轴承 7807CDB轴承 22311BKD1轴承 22310CKD1轴承 7907CDB轴承 7007CDB轴承 22309CKD1轴承 7207CDB轴承 22308CKD1轴承 7307CDB轴承 7807CDF轴承 23296BKD1轴承 232/500BKD1轴承 7907CDF轴承 23292BKD1轴承 

轴承型号查询 | 联系我们| 关于我们| 最新资讯| 高级搜索