• 轴承型号查询
  • 普通搜索
  • 高级搜索
  • 联系我们
  • 关于我们
设为首页     加入收藏
轴承型号查询 > SKF > NJ330ECMA轴承

NJ330ECMA轴承

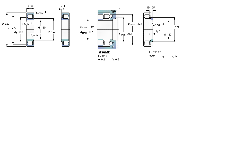
型号:NJ330ECMA
品牌:SKF
系列:圆柱滚子轴承, 单列, NJ 设计
内径:150 mm
外径:320 mm
厚度:65 mm
【发布日期:】
NJ330ECMA是SKF品牌下的圆柱滚子轴承, 单列, NJ 设计型号,我司有部分现货库存,NJ330ECMA轴承详细参数如下表所示,如有疑问,欢迎拨打0512-62658883进行咨询,并且我司能为客户提供样本图纸,NJ330ECMA轴承替代型号,价格等详细资料!
   公司还为您推荐型号:
    NJ332轴承 - NJ332E轴承 - NJ334轴承 - NJ336轴承 - NJ338轴承 - NJ340轴承 - NJ308轴承 - NJ328轴承 - NJ328E轴承 - NJ304E轴承 - NJ305E轴承 - NJ306E轴承 - NJ307E轴承 - NJ308E轴承 - NJ309轴承 -

基本信息

                         
  圆柱滚子轴承, 单列, NJ 设计
                  公差 , 参见文字
                  径向内部间隙, 圆柱型内孔 , 圆锥型内孔, 无密封件 , 参见文字
                  推荐配合
                  轴和轴承座公差
  主要数据尺寸 基本负荷额定值 疲劳负荷限值 额定速度 体积 型号 适宜的斜挡圈  
    动态 静态   参照速度 限制速度     型号  
  d D B C C0 Pu * - SKF Explorer 轴承
  mm kN kN r/min kg - -  
 150320659009651002200260027,7NJ 330 ECMA *HJ 330 EC 

相同内径150mm型号

  • 品牌
  • 型号
  • 内径
  • 外径
  • 厚度
  • 系列
  • FAG
  • 61830轴承
  • 150
  • 190
  • 20
  • 深沟球轴承
  • FAG
  • NA4830轴承
  • 150
  • 190
  • 40
  • 滚针轴承
  • FAG
  • SL014830轴承
  • 150
  • 190
  • 40
  • 圆柱滚子轴承
  • FAG
  • SL024830轴承
  • 150
  • 190
  • 40
  • 圆柱滚子轴承
  • FAG
  • B71930-C-T-P4S轴承
  • 150
  • 210
  • 28
  • 主轴轴承
  • FAG
  • B71930-E-T-P4S轴承
  • 150
  • 210
  • 28
  • 主轴轴承
  • FAG
  • HCB71930-C-T-P4S轴承
  • 150
  • 210
  • 28
  • 主轴轴承
  • FAG
  • HCB71930-E-T-P4S轴承
  • 150
  • 210
  • 28
  • 主轴轴承
  • FAG
  • N1930-K-M1-SP轴承
  • 150
  • 210
  • 28
  • 圆柱滚子轴承
  • FAG
  • SL182930轴承
  • 150
  • 210
  • 36
  • 圆柱滚子轴承

相同外径320mm型号

  • 品牌
  • 型号
  • 内径
  • 外径
  • 厚度
  • 系列
  • SKF
  • 71948ACD/P4A轴承
  • 240
  • 320
  • 38
  • 角接触球轴承, 精密, ACD, contact angle 25°
  • SKF
  • 71948CD/P4A轴承
  • 240
  • 320
  • 38
  • 角接触球轴承, 精密, CD, contact angle 15°
  • SKF
  • NNU4948B/SPW33轴承
  • 240
  • 320
  • 80
  • 圆柱滚子轴承,双列, 精密, NNU 设计
  • SKF
  • NNU4948BK/SPW33轴承
  • 240
  • 320
  • 80
  • 圆柱滚子轴承,双列, 精密, NNU 设计, 圆锥型内孔
  • SKF
  • GE220ES-2LS轴承
  • 220
  • 320
  • 135
  • 需要维护的径向球面滑动轴承, 钢对钢, 两面密封件
  • SKF
  • GE220ES-2RS轴承
  • 220
  • 320
  • 135
  • 需要维护的径向球面滑动轴承, 钢对钢, 两面密封件
  • INA
  • GE180-AX轴承
  • 180
  • 320
  • 70
  • 推力关节轴承
  • INA
  • NJ2236-E-M1轴承
  • 180
  • 320
  • 86
  • 圆柱滚子轴承
  • INA
  • NJ2236-E-M1+HJ2236E轴承
  • 180
  • 320
  • 86
  • 圆柱滚子轴承
  • INA
  • NU2236-E-M1轴承
  • 180
  • 320
  • 86
  • 圆柱滚子轴承

相同厚度65mm型号

  • 品牌
  • 型号
  • 内径
  • 外径
  • 厚度
  • 系列
  • SKF
  • NJ422轴承
  • 110
  • 280
  • 65
  • 圆柱滚子轴承, 单列, NJ 设计
  • SKF
  • NU1056MA轴承
  • 280
  • 420
  • 65
  • 圆柱滚子轴承, 单列, NU 设计
  • SKF
  • GEM70ES-2RS轴承
  • 70
  • 105
  • 65
  • 需要维护的径向球面滑动轴承, 钢对钢,延长内圈, 两面密封件
  • SKF
  • NJ330ECM轴承
  • 150
  • 320
  • 65
  • 圆柱滚子轴承, 单列, NJ 设计
  • SKF
  • NJ330ECMA轴承
  • 150
  • 320
  • 65
  • 圆柱滚子轴承, 单列, NJ 设计
  • SKF
  • NU330ECM轴承
  • 150
  • 320
  • 65
  • 圆柱滚子轴承, 单列, NU 设计
  • SKF
  • NU330ECMA轴承
  • 150
  • 320
  • 65
  • 圆柱滚子轴承, 单列, NU 设计
  • SKF
  • NJ244ECM轴承
  • 220
  • 400
  • 65
  • 圆柱滚子轴承, 单列, NJ 设计
  • SKF
  • NJ244ECMA轴承
  • 220
  • 400
  • 65
  • 圆柱滚子轴承, 单列, NJ 设计
  • SKF
  • NU244ECM轴承
  • 220
  • 400
  • 65
  • 圆柱滚子轴承, 单列, NU 设计

推荐型号

HH234048/HH234010轴承 HH234049/HH234010轴承 HH234049/HH234018轴承 H936340/H936310轴承 H936340/H936313轴承 H936340/H936316轴承 L432348/L432310轴承 46780/46720轴承 EE217062X/217112轴承 EE280626/281200轴承 81629/81962轴承 81630/81962轴承 JM734445/JM734410轴承 HM237532/HM237510轴承 L433749/L433710轴承 46790/46720轴承 

轴承型号查询 | 联系我们| 关于我们| 最新资讯| 高级搜索