• 轴承型号查询
  • 普通搜索
  • 高级搜索
  • 联系我们
  • 关于我们
设为首页     加入收藏
轴承型号查询 > SKF > BS2B247181轴承

BS2B247181轴承

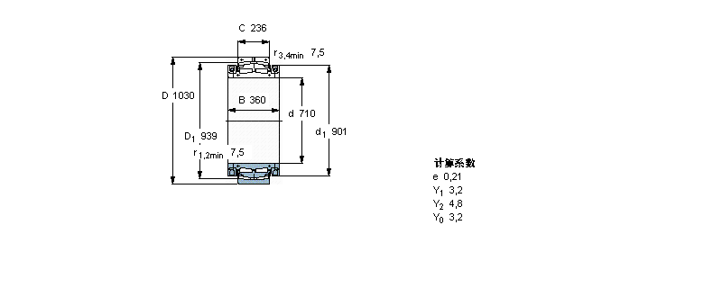
型号:BS2B247181
品牌:SKF
系列:球面滚子轴承, 剖分式
内径:710 mm
外径:1030 mm
厚度:360 mm
【发布日期:】
BS2B247181是SKF品牌下的球面滚子轴承, 剖分式型号,我司有部分现货库存,BS2B247181轴承详细参数如下表所示,如有疑问,欢迎拨打0512-62658883进行咨询,并且我司能为客户提供样本图纸,BS2B247181轴承替代型号,价格等详细资料!
   公司还为您推荐型号:
    BS2-2315-2CS轴承 - BS2-2216-2CS轴承 - BS2-2216-2CSK轴承 - BS2-2217-2CS轴承 - BS2-2217-2CSK轴承 - BS2-2218-2CS轴承 - BS2-2218-2CSK轴承 - BS2-2220-2CS轴承 - BS2-2224-2CS轴承 - BS2B321606轴承 - BS2B321578轴承 - BS2B321610轴承 - BS2B247534轴承 - BS2B247597轴承 - BS2B247307轴承 -

基本信息

                   
  球面滚子轴承, 剖分式
                  公差 , 参见文字
                  径向内部游隙 , 参见文字
                  推荐配合, 参见文字
                  轴和轴承座公差
  主要数据尺寸 基本负荷额定值 疲劳负荷限值 体积 型号
    动态 静态  
  d D B C C C0 Pu
  mm kN kN kg -
 7101030360236702015600930880BS2B 247181

相同内径710mm型号

  • 品牌
  • 型号
  • 内径
  • 外径
  • 厚度
  • 系列
  • NSK
  • 68/710轴承
  • 710
  • 870
  • 74
  • 深沟球轴承
  • NSK
  • 69/710轴承
  • 710
  • 950
  • 106
  • 深沟球轴承
  • KOYO
  • 4TR710轴承
  • 710
  • 900
  • 四列圆锥滚子轴承
  • SKF
  • 618/710轴承
  • 710
  • 870
  • 74
  • 深沟球轴承
  • NSK
  • 60/710轴承
  • 710
  • 1030
  • 140
  • 深沟球轴承
  • KOYO
  • 68/710轴承
  • 710
  • 870
  • 74
  • 深沟球轴承
  • KOYO
  • 69/710轴承
  • 710
  • 950
  • 106
  • 深沟球轴承
  • KOYO
  • 60/710轴承
  • 710
  • 1030
  • 140
  • 深沟球轴承
  • FAG
  • 618/710-M轴承
  • 710
  • 870
  • 74
  • 深沟球轴承
  • FAG
  • NU19/710-M1轴承
  • 710
  • 950
  • 106
  • 圆柱滚子轴承

相同外径1030mm型号

  • 品牌
  • 型号
  • 内径
  • 外径
  • 厚度
  • 系列
  • SKF
  • 70/710AMB轴承
  • 710
  • 1030
  • 140
  • 角接触球轴承, 单列
  • SKF
  • 718/850AMB轴承
  • 850
  • 1030
  • 82
  • 角接触球轴承, 单列
  • SKF
  • BA1B307788轴承
  • 900
  • 1030
  • 63
  • 角接触球轴承, 单列, 公制轴承, 外圈有挡边
  • SKF
  • 314518B轴承
  • 730
  • 1030
  • 750
  • 圆柱滚子轴承, 四列, BC4.10
  • SKF
  • BA2B311631轴承
  • 900
  • 1030
  • 135
  • 角接触球轴承, 双列, 无密封件, 两部份内圈
  • SKF
  • N28/850MB轴承
  • 850
  • 1030
  • 106
  • 圆柱滚子轴承, 单列, N 设计
  • SKF
  • NU28/850MA轴承
  • 850
  • 1030
  • 106
  • 圆柱滚子轴承, 单列, NU 设计
  • SKF
  • BS2B247181轴承
  • 710
  • 1030
  • 360
  • 球面滚子轴承, 剖分式
  • SKF
  • 294/600EM轴承
  • 600
  • 1030
  • 258
  • 球面滚子推力轴承, 球面滚子推力轴承
  • SKF
  • NU12/560MA轴承
  • 560
  • 1030
  • 206
  • 圆柱滚子轴承, 单列, NU 设计

相同厚度360mm型号

  • 品牌
  • 型号
  • 内径
  • 外径
  • 厚度
  • 系列
  • NSK
  • UCP314轴承
  • 70
  • 78
  • 360
  • 带座外球面球轴承
  • NTN
  • UCP314轴承
  • 70
  • 78
  • 360
  • 带座外球面球轴承
  • NTN
  • UCFL326轴承
  • 130
  • 135
  • 360
  • 带座外球面球轴承
  • SKF
  • BT4-8035G/HA1轴承
  • 475
  • 640
  • 360
  • 圆锥滚子轴承, 四列,TQO结构, TQON/GW, 轴承孔中的螺旋槽
  • SKF
  • BS2B247181轴承
  • 710
  • 1030
  • 360
  • 球面滚子轴承, 剖分式
  • SKF
  • BS2B243125轴承
  • 750
  • 1000
  • 360
  • 球面滚子轴承, 剖分式
  • KOYO
  • 99FC62360轴承
  • 495
  • 615
  • 360
  • 四列圆柱滚子轴承
  • SKF
  • 316353DA轴承
  • 500
  • 850.9
  • 360
  • 圆柱滚子轴承, 剖分式单列
  • SKF
  • 316353DB轴承
  • 500
  • 850.9
  • 360
  • 圆柱滚子轴承, 剖分式单列
  • SKF
  • 316353DC轴承
  • 500
  • 850.9
  • 360
  • 圆柱滚子轴承, 剖分式单列

推荐型号

2204-TVH轴承 3908轴承 CRBS1208V轴承 6213Z轴承 4204-B-TVH轴承 3909轴承 CRBS1208VUU轴承 62204-2RSR轴承 6214Z轴承 CRBS1308轴承 3910轴承 6215Z轴承 NA2204-2RSR轴承 3911轴承 CRBS1308AUU轴承 623Z轴承 

轴承型号查询 | 联系我们| 关于我们| 最新资讯| 高级搜索