• 轴承型号查询
  • 普通搜索
  • 高级搜索
  • 联系我们
  • 关于我们
设为首页     加入收藏
轴承型号查询 > SKF > BS2B242994轴承

BS2B242994轴承

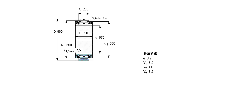
型号:BS2B242994
品牌:SKF
系列:球面滚子轴承, 剖分式
内径:670 mm
外径:980 mm
厚度:350 mm
【发布日期:】
BS2B242994是SKF品牌下的球面滚子轴承, 剖分式型号,我司有部分现货库存,BS2B242994轴承详细参数如下表所示,如有疑问,欢迎拨打0512-62658883进行咨询,并且我司能为客户提供样本图纸,BS2B242994轴承替代型号,价格等详细资料!
   公司还为您推荐型号:
    BS2-2205-2CS轴承 - BS2-2206-2CS轴承 - BS2-2207-2CS轴承 - BS2-2208-2CS轴承 - BS2-2208-2CSK轴承 - BS2-2210-2CSK轴承 - BS2-2210-2CS轴承 - BS2-2209-2CSK轴承 - BS2-2209-2CS轴承 - BS2-2215-2CSK轴承 - BS2-2215-2CS轴承 - BS2-2214-2CSK轴承 - BS2-2214-2CS轴承 - BS2-2213-2CSK轴承 - BS2-2213-2CS轴承 -

基本信息

                   
  球面滚子轴承, 剖分式
                  公差 , 参见文字
                  径向内部游隙 , 参见文字
                  推荐配合, 参见文字
                  轴和轴承座公差
  主要数据尺寸 基本负荷额定值 疲劳负荷限值 体积 型号
    动态 静态  
  d D B C C C0 Pu
  mm kN kN kg -
 670980350230644014000850800BS2B 242994

相同内径670mm型号

  • 品牌
  • 型号
  • 内径
  • 外径
  • 厚度
  • 系列
  • SKF
  • 294/670E轴承
  • 670
  • 1150
  • 290
  • 推力滚子轴承
  • FAG
  • 618/670M轴承
  • 670
  • 820
  • 69
  • 深沟球轴承
  • SKF
  • 511/670轴承
  • 670
  • 800
  • 105
  • 推力球轴承
  • KOYO
  • 511/670轴承
  • 670
  • 800
  • 105
  • 推力球轴承
  • SKF
  • 60/710轴承
  • 670
  • 980
  • 136
  • 深沟球轴承
  • SKF
  • 618/670轴承
  • 670
  • 820
  • 69
  • 深沟球轴承
  • SKF
  • 60/670N1MBS轴承
  • 670
  • 980
  • 136
  • 深沟球轴承
  • FAG
  • 241/670BK30MB+AH241/670轴承
  • 670
  • 1090
  • 412
  • 调心滚子轴承
  • FAG
  • 239/670BK.MB+AH39/670轴承
  • 670
  • 900
  • 170
  • 调心滚子轴承
  • FAG
  • 230/670BK.MB+AH30/670轴承
  • 670
  • 980
  • 230
  • 调心滚子轴承

相同外径980mm型号

  • 品牌
  • 型号
  • 内径
  • 外径
  • 厚度
  • 系列
  • FAG
  • 618/800M轴承
  • 800
  • 980
  • 82
  • 深沟球轴承
  • SKF
  • 294/560E轴承
  • 560
  • 980
  • 250
  • 推力滚子轴承
  • SKF
  • 60/710轴承
  • 670
  • 980
  • 136
  • 深沟球轴承
  • SKF
  • 618/800轴承
  • 800
  • 980
  • 82
  • 深沟球轴承
  • SKF
  • 60/670N1MBS轴承
  • 670
  • 980
  • 136
  • 深沟球轴承
  • FAG
  • 231/600K.MB+AH31/600轴承
  • 600
  • 980
  • 300
  • 调心滚子轴承
  • FAG
  • 241/600BK30MB+AH241/600轴承
  • 600
  • 980
  • 375
  • 调心滚子轴承
  • FAG
  • 230/670BK.MB+AH30/670轴承
  • 670
  • 980
  • 230
  • 调心滚子轴承
  • FAG
  • 231/600K.MB+H31/600轴承
  • 600
  • 980
  • 300
  • 调心滚子轴承
  • FAG
  • 241/600BK30MB+H241/600轴承
  • 600
  • 980
  • 375
  • 调心滚子轴承

相同厚度350mm型号

  • 品牌
  • 型号
  • 内径
  • 外径
  • 厚度
  • 系列
  • KOYO
  • 314274A轴承
  • 320
  • 480
  • 350
  • 四列圆柱滚子轴承
  • KOYO
  • 68FC48350L轴承
  • 340
  • 480
  • 350
  • 四列圆柱滚子轴承
  • KOYO
  • 68FC48350D轴承
  • 340
  • 480
  • 350
  • 四列圆柱滚子轴承
  • KOYO
  • 68FC48350-2轴承
  • 340
  • 480
  • 350
  • 四列圆柱滚子轴承
  • KOYO
  • 84FC59350轴承
  • 419
  • 592
  • 350
  • 四列圆柱滚子轴承
  • NACHI
  • 340KBV039轴承
  • 340
  • 480
  • 350
  • 圆锥滚子轴承
  • SKF
  • BCRB322176轴承
  • 560
  • 730
  • 350
  • 圆柱滚子轴承, 剖分式双列
  • SKF
  • BT4-8127E1/C700轴承
  • 310
  • 430
  • 350
  • 圆锥滚子轴承, 四列,TQO结构, TQOSN/GWSI, 轴承孔中的螺旋槽
  • SKF
  • BS2B242994轴承
  • 670
  • 980
  • 350
  • 球面滚子轴承, 剖分式
  • SKF
  • BC4B316345A轴承
  • 320
  • 480
  • 350
  • 圆柱滚子轴承, 四列, BC4T.3, 圆锥型内孔

推荐型号

BK6020轴承 BK2820轴承 BK2512轴承 BK0408TN轴承 BK1712轴承 BK2012轴承 BK2816轴承 BK0810A轴承 BK0910A轴承 BK1010A轴承 BK1210A轴承 BK1416轴承 BK2820轴承 TALM2512轴承 TALM3012轴承 TALM3512轴承 

轴承型号查询 | 联系我们| 关于我们| 最新资讯| 高级搜索