• 轴承型号查询
  • 普通搜索
  • 高级搜索
  • 联系我们
  • 关于我们
设为首页     加入收藏
轴承型号查询 > SKF > 624/HR11QN轴承

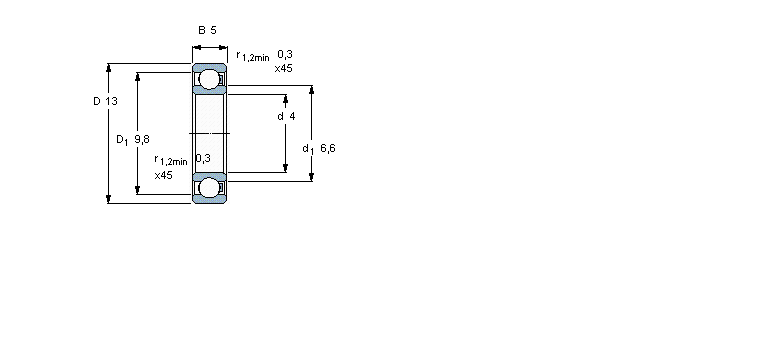
624/HR11QN轴承

型号:624/HR11QN
品牌:SKF
系列:聚合物球轴承,单列球轴承, POM/POM/glass/PA66
内径:4 mm
外径:13 mm
厚度:5 mm
【发布日期:】
624/HR11QN是SKF品牌下的聚合物球轴承,单列球轴承, POM/POM/glass/PA66型号,我司有部分现货库存,624/HR11QN轴承详细参数如下表所示,如有疑问,欢迎拨打0512-62658883进行咨询,并且我司能为客户提供样本图纸,624/HR11QN轴承替代型号,价格等详细资料!
   公司还为您推荐型号:
    624轴承 - 624-2RSR轴承 - 624-2Z轴承 - 6248-M轴承 - 6240-M轴承 - 6244-M轴承 - 624轴承 - 624-2RSR轴承 - 624-2Z轴承 - 6248-M轴承 - 6240-M轴承 - 6244-M轴承 - 6240轴承 - 6240ZZS轴承 - 6244轴承 -

基本信息

                 
  聚合物球轴承,单列球轴承, POM/POM/glass/PA66
 
  主要数据尺寸 负荷能力 额定速度 体积 型号
                 
  d D B 动态 1) 静态 2) 最大 3) 最大 -
        1) above 50 °C and/or above 20 % 3) Consider load carrying    
        of max speed rating consider capability reduction according    
        reduction according to diagram to diagram    
        2) above 50 °C consider      
        reduction according to diagram      
 
  mm kN r/min kg -
 
 41350,060,0436000,0009624/HR11QN

相同内径4mm型号

  • 品牌
  • 型号
  • 内径
  • 外径
  • 厚度
  • 系列
  • SKF
  • W618/4轴承
  • 4
  • 9
  • 2.5
  • 深沟球轴承, 单列,不锈钢, 无密封件
  • SKF
  • W628/4-2Z轴承
  • 4
  • 9
  • 3.5
  • 深沟球轴承, 单列,不锈钢, 两面防尘罩
  • SKF
  • W638/4-2Z轴承
  • 4
  • 9
  • 4
  • 深沟球轴承, 单列,不锈钢, 两面防尘罩
  • SKF
  • W619/4轴承
  • 4
  • 11
  • 4
  • 深沟球轴承, 单列,不锈钢, 无密封件
  • SKF
  • W619/4-2Z轴承
  • 4
  • 11
  • 4
  • 深沟球轴承, 单列,不锈钢, 两面防尘罩
  • SKF
  • W604轴承
  • 4
  • 12
  • 4
  • 深沟球轴承, 单列,不锈钢, 无密封件
  • SKF
  • W604-2Z轴承
  • 4
  • 12
  • 4
  • 深沟球轴承, 单列,不锈钢, 两面防尘罩
  • SKF
  • W624轴承
  • 4
  • 13
  • 5
  • 深沟球轴承, 单列,不锈钢, 无密封件
  • SKF
  • W624-2RS1轴承
  • 4
  • 13
  • 5
  • 深沟球轴承, 单列,不锈钢, 两面密封件
  • SKF
  • W624-2Z轴承
  • 4
  • 13
  • 5
  • 深沟球轴承, 单列,不锈钢, 两面防尘罩

相同外径13mm型号

  • 品牌
  • 型号
  • 内径
  • 外径
  • 厚度
  • 系列
  • SKF
  • 624轴承
  • 4
  • 13
  • 5
  • 深沟球轴承, 单列, 无密封件
  • SKF
  • 624-2Z轴承
  • 4
  • 13
  • 5
  • 深沟球轴承, 单列, 两面防尘罩
  • SKF
  • 624-Z轴承
  • 4
  • 13
  • 5
  • 深沟球轴承, 单列, 单面防尘罩
  • SKF
  • 619/5轴承
  • 5
  • 13
  • 4
  • 深沟球轴承, 单列, 无密封件
  • SKF
  • 619/5-2Z轴承
  • 5
  • 13
  • 4
  • 深沟球轴承, 单列, 两面防尘罩
  • SKF
  • 618/6轴承
  • 6
  • 13
  • 3.5
  • 深沟球轴承, 单列, 无密封件
  • SKF
  • 628/6-2Z轴承
  • 6
  • 13
  • 5
  • 深沟球轴承, 单列, 两面防尘罩
  • SKF
  • W624轴承
  • 4
  • 13
  • 5
  • 深沟球轴承, 单列,不锈钢, 无密封件
  • SKF
  • W624-2RS1轴承
  • 4
  • 13
  • 5
  • 深沟球轴承, 单列,不锈钢, 两面密封件
  • SKF
  • W624-2Z轴承
  • 4
  • 13
  • 5
  • 深沟球轴承, 单列,不锈钢, 两面防尘罩

相同厚度5mm型号

  • 品牌
  • 型号
  • 内径
  • 外径
  • 厚度
  • 系列
  • NSK
  • 625-2RZ轴承
  • 5
  • 16
  • 5
  • 深沟球轴承
  • KOYO
  • 6801轴承
  • 12
  • 21
  • 5
  • 深沟球轴承
  • KOYO
  • 6802轴承
  • 15
  • 24
  • 5
  • 深沟球轴承
  • KOYO
  • 6803轴承
  • 17
  • 26
  • 5
  • 深沟球轴承
  • KOYO
  • 633轴承
  • 3
  • 13
  • 5
  • 深沟球轴承
  • KOYO
  • 624轴承
  • 4
  • 13
  • 5
  • 深沟球轴承
  • KOYO
  • 634轴承
  • 4
  • 16
  • 5
  • 深沟球轴承
  • KOYO
  • 605轴承
  • 5
  • 14
  • 5
  • 深沟球轴承
  • KOYO
  • 625轴承
  • 5
  • 16
  • 5
  • 深沟球轴承
  • KOYO
  • 696轴承
  • 6
  • 15
  • 5
  • 深沟球轴承

推荐型号

PCZ1416B轴承 PCZ1416M轴承 PCZ1612B轴承 PCZ1612M轴承 PCZ1616B轴承 PCZ1616M轴承 PCZ1624B轴承 PCZ1624M轴承 PCZ1812B轴承 PCZ1812M轴承 PCZ1816B轴承 PCZ1816M轴承 PCZ2012B轴承 PCZ2012M轴承 PCZ2016B轴承 PCZ2016M轴承 

轴承型号查询 | 联系我们| 关于我们| 最新资讯| 高级搜索