• 轴承型号查询
  • 普通搜索
  • 高级搜索
  • 联系我们
  • 关于我们
设为首页     加入收藏
轴承型号查询 > SKF > 231/850CA/W33轴承

231/850CA/W33轴承

型号:231/850CA/W33
品牌:SKF
系列:球面滚子轴承, 圆柱和圆锥孔, 圆柱型内孔, 无密封件
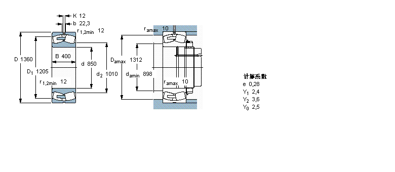
内径:850 mm
外径:1360 mm
厚度:400 mm
【发布日期:】
231/850CA/W33是SKF品牌下的球面滚子轴承, 圆柱和圆锥孔, 圆柱型内孔, 无密封件型号,我司有部分现货库存,231/850CA/W33轴承详细参数如下表所示,如有疑问,欢迎拨打0512-62658883进行咨询,并且我司能为客户提供样本图纸,231/850CA/W33轴承替代型号,价格等详细资料!
   公司还为您推荐型号:
    2319KM轴承 - 2318KM轴承 - 2317KM轴承 - 2316KM轴承 - 2315K轴承 - 2313K轴承 - 2311KTV轴承 - 2312KTV轴承 - 2310KTV轴承 - 2311-2RS-TVH轴承 - 2311-K-TVH-C3轴承 - 2311-TVH轴承 - 2319K轴承 - 2318K轴承 - 2315轴承 -

基本信息

                     
  球面滚子轴承, 圆柱和圆锥孔, 圆柱型内孔, 无密封件
              公差 , 参见文字
              径向内部间隙, 圆柱型内孔 , 圆锥型内孔, 无密封件 , 参见文字
              推荐配合
              轴和轴承座公差
  主要数据尺寸 基本负荷额定值 疲劳负荷限值 额定速度 体积 型号
    动态 静态   参照速度 限制速度
  d D B C C0 Pu
  mm kN kN r/min kg -
 8501360400161003450020001803602200231/850 CA/W33

相同内径850mm型号

  • 品牌
  • 型号
  • 内径
  • 外径
  • 厚度
  • 系列
  • KOYO
  • 462/850轴承
  • 850
  • 1220
  • 圆锥滚子轴承
  • KOYO
  • 462/850A轴承
  • 850
  • 1220
  • 圆锥滚子轴承
  • KOYO
  • 463/850轴承
  • 850
  • 1360
  • 圆锥滚子轴承
  • KOYO
  • 463/850A轴承
  • 850
  • 1360
  • 圆锥滚子轴承
  • KOYO
  • 452/850轴承
  • 850
  • 1220
  • 圆锥滚子轴承
  • KOYO
  • 453/850轴承
  • 850
  • 1360
  • 圆锥滚子轴承
  • SKF
  • C39/850KM轴承
  • 850
  • 1120
  • 200
  • CARB圆环滚子轴承, 圆柱和圆锥孔, 圆锥型内孔, 与保持架
  • SKF
  • C39/850M轴承
  • 850
  • 1120
  • 200
  • CARB圆环滚子轴承, 圆柱和圆锥孔, 圆柱型内孔, 与保持架
  • SKF
  • C30/850KMB轴承
  • 850
  • 1220
  • 272
  • CARB圆环滚子轴承, 圆柱和圆锥孔, 圆锥型内孔, 与保持架
  • SKF
  • C30/850MB轴承
  • 850
  • 1220
  • 272
  • CARB圆环滚子轴承, 圆柱和圆锥孔, 圆柱型内孔, 与保持架

相同外径1360mm型号

  • 品牌
  • 型号
  • 内径
  • 外径
  • 厚度
  • 系列
  • SKF
  • NCF18/1120V轴承
  • 1120
  • 1360
  • 106
  • 圆柱滚子轴承, 单列满装滚子, NCF 设计
  • SKF
  • 232/750CAF/W33轴承
  • 750
  • 1360
  • 475
  • 球面滚子轴承, 圆柱和圆锥孔, 圆柱型内孔, 无密封件
  • SKF
  • 232/750CAKF/W33轴承
  • 750
  • 1360
  • 475
  • 球面滚子轴承, 圆柱和圆锥孔, 圆锥型内孔, 无密封件
  • SKF
  • 231/850CA/W33轴承
  • 850
  • 1360
  • 400
  • 球面滚子轴承, 圆柱和圆锥孔, 圆柱型内孔, 无密封件
  • SKF
  • 231/850CAK/W33轴承
  • 850
  • 1360
  • 400
  • 球面滚子轴承, 圆柱和圆锥孔, 圆锥型内孔, 无密封件
  • SKF
  • 241/850ECAF/W33轴承
  • 850
  • 1360
  • 500
  • 球面滚子轴承, 圆柱和圆锥孔, 圆柱型内孔, 无密封件
  • SKF
  • 241/850ECAK30F/W33轴承
  • 850
  • 1360
  • 500
  • 球面滚子轴承, 圆柱和圆锥孔, 圆锥型内孔, 无密封件
  • SKF
  • 230/950CA/W33轴承
  • 950
  • 1360
  • 300
  • 球面滚子轴承, 圆柱和圆锥孔, 圆柱型内孔, 无密封件
  • SKF
  • 230/950CAK/W33轴承
  • 950
  • 1360
  • 300
  • 球面滚子轴承, 圆柱和圆锥孔, 圆锥型内孔, 无密封件
  • SKF
  • 240/950CAF/W33轴承
  • 950
  • 1360
  • 412
  • 球面滚子轴承, 圆柱和圆锥孔, 圆柱型内孔, 无密封件

相同厚度400mm型号

  • 品牌
  • 型号
  • 内径
  • 外径
  • 厚度
  • 系列
  • SKF
  • C31/850KMB+OH31/850HE轴承
  • 800
  • 1360
  • 400
  • CARB圆环滚子轴承, 带紧定套的, 与保持架
  • SKF
  • C31/850KMB+AOH31/850轴承
  • 800
  • 1360
  • 400
  • CARB圆环滚子轴承, 带退卸套的, 与保持架
  • KOYO
  • 74FC52400W轴承
  • 370
  • 520
  • 400
  • 四列圆柱滚子轴承
  • KOYO
  • 74FC54400A轴承
  • 370
  • 540
  • 400
  • 四列圆柱滚子轴承
  • KOYO
  • 75FC55400轴承
  • 375
  • 545
  • 400
  • 四列圆柱滚子轴承
  • KOYO
  • 76FC54380轴承
  • 380
  • 540
  • 400
  • 四列圆柱滚子轴承
  • KOYO
  • 76FC54400BW轴承
  • 380
  • 540
  • 400
  • 四列圆柱滚子轴承
  • KOYO
  • 76FC54400DW轴承
  • 380
  • 540
  • 400
  • 四列圆柱滚子轴承
  • KOYO
  • 78FC55400AW轴承
  • 390
  • 550
  • 400
  • 四列圆柱滚子轴承
  • KOYO
  • 82FC55400轴承
  • 410
  • 546
  • 400
  • 四列圆柱滚子轴承

推荐型号

29322E轴承 CF16WBUUR/SG轴承 7013C轴承 NU232EM轴承 32040XU轴承 B71911-C-T-P4S轴承 ET-32203轴承 B71911-E-2RSD-T-P4S轴承 29422E轴承 CF18WBUUR/SG轴承 7012C轴承 NU2232EM轴承 7011C轴承 N332轴承 ET-32204轴承 B71911-E-T-P4S轴承 

轴承型号查询 | 联系我们| 关于我们| 最新资讯| 高级搜索