• 轴承型号查询
  • 普通搜索
  • 高级搜索
  • 联系我们
  • 关于我们
设为首页     加入收藏
轴承型号查询 > SKF > QJ1276N2MA轴承

QJ1276N2MA轴承

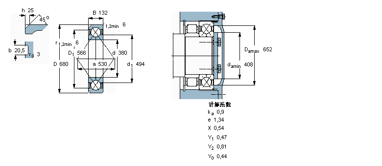
型号:QJ1276N2MA
品牌:SKF
系列:角接触球轴承, 四点接触球轴承
内径:380 mm
外径:680 mm
厚度:132 mm
【发布日期:】
QJ1276N2MA是SKF品牌下的角接触球轴承, 四点接触球轴承型号,我司有部分现货库存,QJ1276N2MA轴承详细参数如下表所示,如有疑问,欢迎拨打0512-62658883进行咨询,并且我司能为客户提供样本图纸,QJ1276N2MA轴承替代型号,价格等详细资料!
   公司还为您推荐型号:
    QJ1017N2MA轴承 - QJ1021N2MA轴承 - QJ1022N2MA轴承 - QJ1248MA/344524轴承 - QJ1252MA轴承 - QJ1252N2MA轴承 - QJ1056N2MA轴承 - QJ1256N2MA轴承 - QJ1060MA轴承 - QJ1060N2MA轴承 - QJ1260N2MA轴承 - QJ1064MA轴承 - QJ1064N2MA轴承 - QJ1264N2MA轴承 - QJ1068N2MA轴承 -

基本信息

                     
  角接触球轴承, 四点接触球轴承
                    公差 , 参见文字
                    轴向内部间隙, 参见文字
                    推荐配合
                    轴和轴承座公差
  主要数据尺寸 基本负荷额定值 疲劳负荷限值 额定速度 体积 型号
    动态 静态   参照速度 限制速度
  d D B C C0 Pu
  mm kN kN r/min kg -
 38068013211702850529001400220QJ 1276 N2MA

相同内径380mm型号

  • 品牌
  • 型号
  • 内径
  • 外径
  • 厚度
  • 系列
  • NSK
  • RSF-4876E4轴承
  • 380
  • 480
  • 100
  • 满装圆柱滚子轴承滑轮用
  • NSK
  • RSF-4976E4轴承
  • 380
  • 520
  • 140
  • 满装圆柱滚子轴承滑轮用
  • NSK
  • RS-4876E4轴承
  • 380
  • 480
  • 100
  • 满装圆柱滚子轴承滑轮用
  • NSK
  • RS-4976E4轴承
  • 380
  • 520
  • 140
  • 满装圆柱滚子轴承滑轮用
  • NTN
  • 51176轴承
  • 380
  • 460
  • 65
  • 推力球轴承
  • SKF
  • 51276轴承
  • 380
  • 520
  • 112
  • 推力球轴承
  • NSK
  • RS-5076轴承
  • 380
  • 560
  • 243
  • 满装圆柱滚子轴承滑轮用
  • KOYO
  • 51176轴承
  • 380
  • 460
  • 65
  • 推力球轴承
  • KOYO
  • 51276轴承
  • 380
  • 520
  • 112
  • 推力球轴承
  • NACHI
  • 51176轴承
  • 380
  • 460
  • 65
  • 推力球轴承

相同外径680mm型号

  • 品牌
  • 型号
  • 内径
  • 外径
  • 厚度
  • 系列
  • NACHI
  • 23276EW33K轴承
  • 380
  • 680
  • 240
  • 球面滚子轴承
  • NACHI
  • 23092EW33K轴承
  • 460
  • 680
  • 163
  • 球面滚子轴承
  • NACHI
  • 24092EW33K30轴承
  • 460
  • 680
  • 218
  • 球面滚子轴承
  • FAG
  • 23276BKMBH3276HG轴承
  • 360
  • 680
  • 240
  • 调心滚子轴承
  • NSK
  • 23092CAK+H3092轴承
  • 430
  • 680
  • 163
  • 调心滚子轴承
  • NACHI
  • 24092CAC/W33轴承
  • 460
  • 680
  • 218
  • 调心滚子轴承
  • IKO
  • CRBC50070轴承
  • 500
  • 680
  • 70
  • 交叉滚子轴承
  • IKO
  • CRB50070轴承
  • 500
  • 680
  • 70
  • 交叉滚子轴承
  • FAG
  • 23276CAC/W33轴承
  • 380
  • 680
  • 240
  • 调心滚子轴承
  • NTN
  • 24092CAC/W33轴承
  • 460
  • 680
  • 218
  • 调心滚子轴承

相同厚度132mm型号

  • 品牌
  • 型号
  • 内径
  • 外径
  • 厚度
  • 系列
  • INA
  • 22338-A-MA-T41A轴承
  • 190
  • 400
  • 132
  • 调心滚子轴承
  • INA
  • 22338-K-MB轴承
  • 190
  • 400
  • 132
  • 调心滚子轴承
  • INA
  • 22338-MB轴承
  • 190
  • 400
  • 132
  • 调心滚子轴承
  • INA
  • LSL192338-TB轴承
  • 190
  • 400
  • 132
  • 圆柱滚子轴承
  • INA
  • NJ2338-EX-M1轴承
  • 190
  • 400
  • 132
  • 圆柱滚子轴承
  • INA
  • NJ2338-EX-M1+HJ2338EX轴承
  • 190
  • 400
  • 132
  • 圆柱滚子轴承
  • INA
  • NU2338-EX-M1轴承
  • 190
  • 400
  • 132
  • 圆柱滚子轴承
  • INA
  • SL192338-TB轴承
  • 190
  • 400
  • 132
  • 圆柱滚子轴承
  • NSK
  • 29452轴承
  • 260
  • 480
  • 132
  • 推力圆柱滚子轴承
  • KOYO
  • 22338RK+H2338轴承
  • 170
  • 400
  • 132
  • 球面滚子轴承

推荐型号

234772-M-SP轴承 33011轴承 GIKSL22-PS轴承 W6302-2Z轴承 NU2209E轴承 7019CD/DF轴承 51176-MP轴承 33012轴承 GIKSR22-PS轴承 W61803-2Z轴承 NU309轴承 7018CD/DF轴承 XU080430轴承 33013轴承 PAK7/8轴承 W61903轴承 

轴承型号查询 | 联系我们| 关于我们| 最新资讯| 高级搜索