• 轴承型号查询
  • 普通搜索
  • 高级搜索
  • 联系我们
  • 关于我们
设为首页     加入收藏
轴承型号查询 > SKF > NUP2224ECM轴承

NUP2224ECM轴承

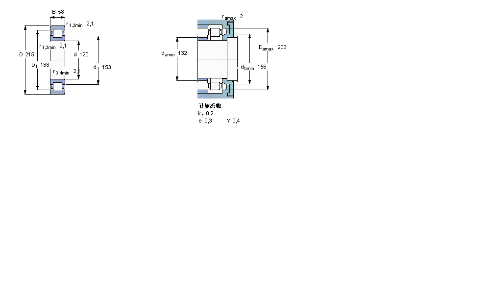
型号:NUP2224ECM
品牌:SKF
系列:圆柱滚子轴承, 单列, NUP 设计
内径:120 mm
外径:215 mm
厚度:58 mm
【发布日期:】
NUP2224ECM是SKF品牌下的圆柱滚子轴承, 单列, NUP 设计型号,我司有部分现货库存,NUP2224ECM轴承详细参数如下表所示,如有疑问,欢迎拨打0512-62658883进行咨询,并且我司能为客户提供样本图纸,NUP2224ECM轴承替代型号,价格等详细资料!
   公司还为您推荐型号:
    NUP203E.TVP2轴承 - NUP2203E.TVP2轴承 - NUP303E.TVP2轴承 - NUP204E.TVP2轴承 - NUP221E.TVP2轴承 - NUP222E.TVP2轴承 - NUP2222E.TVP2轴承 - NUP2264轴承 - NUP1068轴承 - NUP1072轴承 - NUP1076轴承 - NUP1080轴承 - NUP1084轴承 - NUP1088轴承 - NUP1092轴承 -

基本信息

                         
  圆柱滚子轴承, 单列, NUP 设计
                  公差 , 参见文字
                  径向内部间隙, 圆柱型内孔 , 圆锥型内孔, 无密封件 , 参见文字
                  推荐配合
                  轴和轴承座公差
  主要数据尺寸 基本负荷额定值 疲劳负荷限值 额定速度 体积 型号 适宜的斜挡圈  
    动态 静态   参照速度 限制速度     型号  
  d D B C C0 Pu * - SKF Explorer 轴承
  mm kN kN r/min kg - -  
 12021558520630723400360010,1NUP 2224 ECM *- 

相同内径120mm型号

  • 品牌
  • 型号
  • 内径
  • 外径
  • 厚度
  • 系列
  • NACHI
  • NJ224轴承
  • 120
  • 215
  • 40
  • 圆柱滚子轴承
  • IKO
  • NAS5024ZZNR轴承
  • 120
  • 180
  • 80
  • 双列圆柱滚子轴承
  • NSK
  • 6024Z轴承
  • 120
  • 180
  • 28
  • 深沟球轴承
  • NTN
  • 6024Z轴承
  • 120
  • 180
  • 28
  • 深沟球轴承
  • FAG
  • 6024ZR轴承
  • 120
  • 180
  • 28
  • 深沟球轴承
  • KOYO
  • 6024ZX轴承
  • 120
  • 180
  • 28
  • 深沟球轴承
  • NTN
  • HSB924C轴承
  • 120
  • 165
  • 22
  • 主轴用精密角接触球轴承
  • NTN
  • HSB024C轴承
  • 120
  • 180
  • 28
  • 主轴用精密角接触球轴承
  • NSK
  • 6224ZS轴承
  • 120
  • 215
  • 40
  • 深沟球轴承
  • NTN
  • 5S-HSB924C轴承
  • 120
  • 165
  • 22
  • 主轴用精密角接触球轴承

相同外径215mm型号

  • 品牌
  • 型号
  • 内径
  • 外径
  • 厚度
  • 系列
  • FAG
  • 52230MP轴承
  • 130
  • 215
  • 89
  • 推力球轴承
  • KOYO
  • 21320RH轴承
  • 100
  • 215
  • 47
  • 球面滚子轴承
  • KOYO
  • 22320RHR轴承
  • 100
  • 215
  • 73
  • 球面滚子轴承
  • FAG
  • 1320K.M.C3+H320轴承
  • 100
  • 215
  • 47
  • 调心球轴承
  • KOYO
  • 22224RHR轴承
  • 120
  • 215
  • 58
  • 球面滚子轴承
  • KOYO
  • 23224RH轴承
  • 120
  • 215
  • 76
  • 球面滚子轴承
  • NTN
  • UK320D1;H2320X轴承
  • 90
  • 215
  • 97
  • 带座外球面球轴承
  • KOYO
  • 30320D轴承
  • 100
  • 215
  • 47
  • 圆锥滚子轴承
  • KOYO
  • 30320轴承
  • 100
  • 215
  • 47
  • 圆锥滚子轴承
  • KOYO
  • 30320JR轴承
  • 100
  • 215
  • 47
  • 圆锥滚子轴承

相同厚度58mm型号

  • 品牌
  • 型号
  • 内径
  • 外径
  • 厚度
  • 系列
  • IKO
  • LME254058轴承
  • 25
  • 40
  • 58
  • 直线运动轴承
  • NACHI
  • KB25-AJ轴承
  • 25
  • 40
  • 58
  • 直线运动轴承
  • IKO
  • LME254058-AJ轴承
  • 25
  • 40
  • 58
  • 直线运动轴承
  • IKO
  • LME254058-OP轴承
  • 25
  • 40
  • 58
  • 直线运动轴承
  • SKF
  • NU2224ECJ轴承
  • 120
  • 215
  • 58
  • 圆柱滚子轴承, 单列, NU 设计
  • SKF
  • NU2224ECKML轴承
  • 120
  • 215
  • 58
  • 圆柱滚子轴承, 单列, NU 设计, 圆锥型内孔
  • SKF
  • NU2224ECM轴承
  • 120
  • 215
  • 58
  • 圆柱滚子轴承, 单列, NU 设计
  • SKF
  • NU2224ECML轴承
  • 120
  • 215
  • 58
  • 圆柱滚子轴承, 单列, NU 设计
  • SKF
  • NU2224ECNML轴承
  • 120
  • 215
  • 58
  • 圆柱滚子轴承, 单列, NU 设计, 于外圈的带止动槽
  • SKF
  • NU2224ECP轴承
  • 120
  • 215
  • 58
  • 圆柱滚子轴承, 单列, NU 设计

推荐型号

64450/64700DC轴承 51232M轴承 7219B.TVP轴承 51332M轴承 7319B.TVP轴承 64450/64700D轴承 51134M轴承 71450/71751DC轴承 7220B.TVP轴承 71450/71751D轴承 51234M轴承 7320B.TVP轴承 51334M轴承 3212B.TVH轴承 938/932CD轴承 51136M轴承 

轴承型号查询 | 联系我们| 关于我们| 最新资讯| 高级搜索