• 轴承型号查询
  • 普通搜索
  • 高级搜索
  • 联系我们
  • 关于我们
设为首页     加入收藏
轴承型号查询 > SKF > NU2/600ECMA/HB1轴承

NU2/600ECMA/HB1轴承

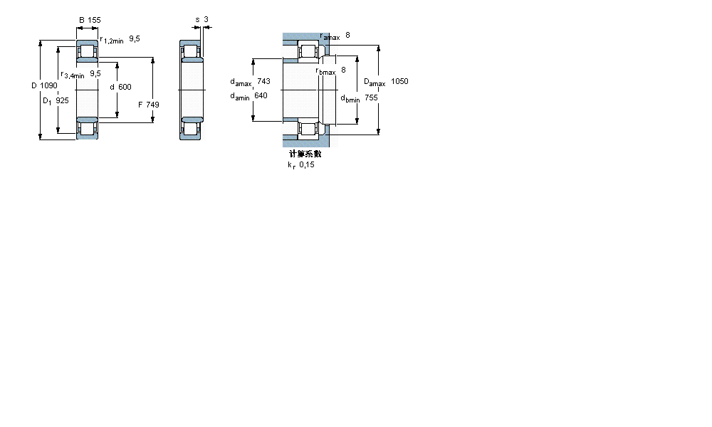
型号:NU2/600ECMA/HB1
品牌:SKF
系列:圆柱滚子轴承, 单列, NU 设计
内径:600 mm
外径:1090 mm
厚度:155 mm
【发布日期:】
NU2/600ECMA/HB1是SKF品牌下的圆柱滚子轴承, 单列, NU 设计型号,我司有部分现货库存,NU2/600ECMA/HB1轴承详细参数如下表所示,如有疑问,欢迎拨打0512-62658883进行咨询,并且我司能为客户提供样本图纸,NU2/600ECMA/HB1轴承替代型号,价格等详细资料!
   公司还为您推荐型号:
    NU210-E-TVP2轴承 - NU2310-E-TVP2轴承 - NU211-E-TVP2轴承 - NU2311-E-TVP2轴承 - NU212-E-TVP2轴承 - NU2212-E-TVP2轴承 - NU2312-E-TVP2轴承 - NU2213-E-TVP2轴承 - NU2313-E-TVP2轴承 - NU214-E-TVP2轴承 - NU230-E-M1轴承 - NU2214-E-TVP2轴承 - NU215-E-TVP2轴承 - NU2215-E-TVP2轴承 - NU2315-E-TVP2轴承 -

基本信息

                         
  圆柱滚子轴承, 单列, NU 设计
                  公差 , 参见文字
                  径向内部间隙, 圆柱型内孔 , 圆锥型内孔, 无密封件 , 参见文字
                  推荐配合
                  轴和轴承座公差
  主要数据尺寸 基本负荷额定值 疲劳负荷限值 额定速度 体积 型号 适宜的斜挡圈  
    动态 静态   参照速度 限制速度     型号  
  d D B C C0 Pu
  mm kN kN r/min kg - -  
 600109015556109800670480850710NU 2/600 ECMA/HB1- 

相同内径600mm型号

  • 品牌
  • 型号
  • 内径
  • 外径
  • 厚度
  • 系列
  • SKF
  • BT4B328350G/HA1轴承
  • 600
  • 870
  • 488
  • 圆锥滚子轴承, 四列,TQO结构, TQO/GWI/GW, 轴承孔中的螺旋槽
  • SKF
  • HM30/600轴承
  • 600
  • 700
  • 75
  • 带锁紧夹的HM(E)锁定螺母
  • SKF
  • HME30/600轴承
  • 600
  • 700
  • 75
  • 带锁紧夹的HM(E)锁定螺母
  • SKF
  • HM31/600轴承
  • 600
  • 750
  • 85
  • 带锁紧夹的HM(E)锁定螺母
  • SKF
  • 239/630CAK/W33+OH39/630H轴承
  • 600
  • 850
  • 165
  • 球面滚子轴承, 带紧定套的
  • SKF
  • 230/630CAK/W33+OH30/630H轴承
  • 600
  • 920
  • 212
  • 球面滚子轴承, 带紧定套的
  • SKF
  • 231/630CAK/W33+OH31/630H轴承
  • 600
  • 1030
  • 315
  • 球面滚子轴承, 带紧定套的
  • SKF
  • C39/600KM轴承
  • 600
  • 800
  • 150
  • CARB圆环滚子轴承, 圆柱和圆锥孔, 圆锥型内孔, 与保持架
  • SKF
  • C39/600M轴承
  • 600
  • 800
  • 150
  • CARB圆环滚子轴承, 圆柱和圆锥孔, 圆柱型内孔, 与保持架
  • SKF
  • C30/600KM轴承
  • 600
  • 870
  • 200
  • CARB圆环滚子轴承, 圆柱和圆锥孔, 圆锥型内孔, 与保持架

相同外径1090mm型号

  • 品牌
  • 型号
  • 内径
  • 外径
  • 厚度
  • 系列
  • NACHI
  • 232/600EW33轴承
  • 600
  • 1090
  • 388
  • 球面滚子轴承
  • SKF
  • NCF28/900V轴承
  • 900
  • 1090
  • 112
  • 圆柱滚子轴承, 单列满装滚子, NCF 设计
  • SKF
  • NCF18/900V轴承
  • 900
  • 1090
  • 85
  • 圆柱滚子轴承, 单列满装滚子, NCF 设计
  • NACHI
  • 231/670EW33轴承
  • 670
  • 1090
  • 336
  • 球面滚子轴承
  • NACHI
  • 232/600EW33K轴承
  • 600
  • 1090
  • 388
  • 球面滚子轴承
  • NACHI
  • 231/670EW33K轴承
  • 670
  • 1090
  • 336
  • 球面滚子轴承
  • NACHI
  • 230/750EW33K轴承
  • 750
  • 1090
  • 250
  • 球面滚子轴承
  • SKF
  • 60/750MA轴承
  • 750
  • 1090
  • 150
  • 深沟球轴承, 单列, 无密封件
  • SKF
  • 618/900MA轴承
  • 900
  • 1090
  • 85
  • 深沟球轴承, 单列, 无密封件
  • SKF
  • 70/750AMB轴承
  • 750
  • 1090
  • 150
  • 角接触球轴承, 单列

相同厚度155mm型号

  • 品牌
  • 型号
  • 内径
  • 外径
  • 厚度
  • 系列
  • NACHI
  • 150KBV039轴承
  • 150
  • 212
  • 155
  • 圆锥滚子轴承
  • KOYO
  • NU3338轴承
  • 190
  • 400
  • 155
  • 圆柱滚子轴承
  • KOYO
  • NU2348轴承
  • 240
  • 500
  • 155
  • 圆柱滚子轴承
  • KOYO
  • 60/800轴承
  • 800
  • 1150
  • 155
  • 深沟球轴承
  • KOYO
  • 22348R轴承
  • 240
  • 500
  • 155
  • 球面滚子轴承
  • KOYO
  • 22348RHA轴承
  • 240
  • 500
  • 155
  • 球面滚子轴承
  • KOYO
  • 22348RK+H2348轴承
  • 220
  • 500
  • 155
  • 球面滚子轴承
  • KOYO
  • 22348RHAK+H2348轴承
  • 220
  • 500
  • 155
  • 球面滚子轴承
  • KOYO
  • 22348RK+AH2348轴承
  • 220
  • 500
  • 155
  • 球面滚子轴承
  • KOYO
  • 22348RHAK+AH2348轴承
  • 220
  • 500
  • 155
  • 球面滚子轴承

推荐型号

C182416轴承 SCH1816轴承 BCH1818轴承 SCH1818轴承 BCH1820轴承 C182420轴承 NCS1816轴承 NCS1820轴承 TC1828轴承 EW1-1/8轴承 2024轴承 W1-1/8轴承 RTL11轴承 D11轴承 FT11轴承 GT11轴承 

轴承型号查询 | 联系我们| 关于我们| 最新资讯| 高级搜索