• 轴承型号查询
  • 普通搜索
  • 高级搜索
  • 联系我们
  • 关于我们
设为首页     加入收藏
轴承型号查询 > SKF > NU226ECJ轴承

NU226ECJ轴承

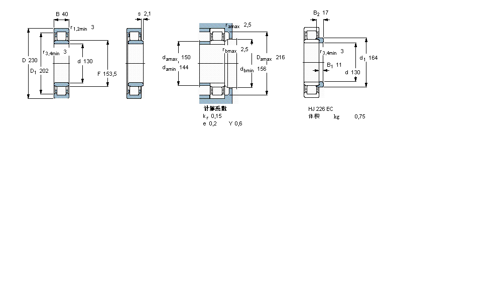
型号:NU226ECJ
品牌:SKF
系列:圆柱滚子轴承, 单列, NU 设计
内径:130 mm
外径:230 mm
厚度:40 mm
【发布日期:】
NU226ECJ是SKF品牌下的圆柱滚子轴承, 单列, NU 设计型号,我司有部分现货库存,NU226ECJ轴承详细参数如下表所示,如有疑问,欢迎拨打0512-62658883进行咨询,并且我司能为客户提供样本图纸,NU226ECJ轴承替代型号,价格等详细资料!
   公司还为您推荐型号:
    NU218-E-TVP2轴承 - NU204-E-TVP2轴承 - NU2204-E-TVP2轴承 - NU2236-E-M1轴承 - NU206-E-TVP2轴承 - NU2326-E-M1轴承 - NU252-E-M1轴承 - NU2252-E-M1轴承 - NU2352-EX-M1轴承 - NU2309-E-TVP2轴承 - NU2316-E-TVP2轴承 - NU2218-E-TVP2轴承 - NU209-E-TVP2轴承 - NU2306-E-TVP2轴承 - NU2328-E-M1轴承 -

基本信息

                         
  圆柱滚子轴承, 单列, NU 设计
                  公差 , 参见文字
                  径向内部间隙, 圆柱型内孔 , 圆锥型内孔, 无密封件 , 参见文字
                  推荐配合
                  轴和轴承座公差
  主要数据尺寸 基本负荷额定值 疲劳负荷限值 额定速度 体积 型号 适宜的斜挡圈  
    动态 静态   参照速度 限制速度     型号  
  d D B C C0 Pu * - SKF Explorer 轴承
  mm kN kN r/min kg - -  
 1302304041545551320034006,75NU 226 ECJ *HJ 226 EC 

相同内径130mm型号

  • 品牌
  • 型号
  • 内径
  • 外径
  • 厚度
  • 系列
  • SKF
  • QJ226N2MA轴承
  • 130
  • 230
  • 40
  • 角接触球轴承, 四点接触球轴承
  • SKF
  • QJ326N2MA轴承
  • 130
  • 280
  • 58
  • 角接触球轴承, 四点接触球轴承
  • SKF
  • NU326ECP轴承
  • 130
  • 280
  • 58
  • 圆柱滚子轴承, 单列, NU 设计
  • SKF
  • NUP326ECML轴承
  • 130
  • 280
  • 58
  • 圆柱滚子轴承, 单列, NUP 设计
  • SKF
  • NUP326ECP轴承
  • 130
  • 280
  • 58
  • 圆柱滚子轴承, 单列, NUP 设计
  • SKF
  • NJ2326ECMA轴承
  • 130
  • 280
  • 93
  • 圆柱滚子轴承, 单列, NJ 设计
  • SKF
  • NJ2326ECPA轴承
  • 130
  • 280
  • 93
  • 圆柱滚子轴承, 单列, NJ 设计
  • SKF
  • NU2326ECMA轴承
  • 130
  • 280
  • 93
  • 圆柱滚子轴承, 单列, NU 设计
  • SKF
  • NUP2326ECMA轴承
  • 130
  • 280
  • 93
  • 圆柱滚子轴承, 单列, NUP 设计
  • SKF
  • 61826轴承
  • 130
  • 165
  • 18
  • 深沟球轴承, 单列, 无密封件

相同外径230mm型号

  • 品牌
  • 型号
  • 内径
  • 外径
  • 厚度
  • 系列
  • NACHI
  • 29422EX轴承
  • 110
  • 230
  • 73
  • 球面滚子推力轴承
  • KOYO
  • NNU4934轴承
  • 170
  • 230
  • 60
  • 圆柱滚子轴承
  • KOYO
  • 32934JR轴承
  • 170
  • 230
  • 38
  • 圆锥滚子轴承
  • KOYO
  • JHM534149/10轴承
  • 170
  • 230
  • 38
  • 圆锥滚子轴承
  • KOYO
  • 22226RHRK+AHX3126轴承
  • 125
  • 230
  • 64
  • 球面滚子轴承
  • KOYO
  • 23226RHK+AHX3226轴承
  • 125
  • 230
  • 80
  • 球面滚子轴承
  • KOYO
  • 51422轴承
  • 110
  • 230
  • 推力球轴承
  • KOYO
  • 313891-1轴承
  • 150
  • 230
  • 156
  • 四列圆柱滚子轴承
  • KOYO
  • 314190轴承
  • 160
  • 230
  • 130
  • 四列圆柱滚子轴承
  • KOYO
  • 32FC23170轴承
  • 160
  • 230
  • 168
  • 四列圆柱滚子轴承

相同厚度40mm型号

  • 品牌
  • 型号
  • 内径
  • 外径
  • 厚度
  • 系列
  • SKF
  • 7014C/DT轴承
  • 70
  • 110
  • 40
  • 角接触球轴承
  • NTN
  • 71922C/DT轴承
  • 110
  • 150
  • 40
  • 角接触球轴承
  • NTN
  • 71921C/DT轴承
  • 105
  • 145
  • 40
  • 角接触球轴承
  • NTN
  • 71920C/DT轴承
  • 100
  • 140
  • 40
  • 角接触球轴承
  • FAG
  • 71922C/DT轴承
  • 110
  • 150
  • 40
  • 角接触球轴承
  • FAG
  • 71920C/DT轴承
  • 100
  • 140
  • 40
  • 角接触球轴承
  • KOYO
  • 7210B/DF轴承
  • 50
  • 90
  • 40
  • 角接触球轴承
  • NTN
  • 7210B/DF轴承
  • 50
  • 90
  • 40
  • 角接触球轴承
  • FAG
  • 7210B/DF轴承
  • 50
  • 90
  • 40
  • 角接触球轴承
  • KOYO
  • 7015AC/DF轴承
  • 75
  • 115
  • 40
  • 角接触球轴承

推荐型号

SY1.7/16TF轴承 SYM1.7/16TF轴承 SYM1.1/2TF轴承 SY1.1/2RM轴承 SY1.1/2TF轴承 SY1.1/2TR轴承 SYH1.1/2RM轴承 SYH1.1/2TF轴承 SYJ1.1/2TF轴承 SY1.9/16TF轴承 SY40TF轴承 SY40TR轴承 SYJ40TF轴承 SY1.5/8RM轴承 SY1.5/8TF轴承 SYH1.5/8RM轴承 

轴承型号查询 | 联系我们| 关于我们| 最新资讯| 高级搜索