• 轴承型号查询
  • 普通搜索
  • 高级搜索
  • 联系我们
  • 关于我们
设为首页     加入收藏
轴承型号查询 > SKF > NU18/750MA轴承

NU18/750MA轴承

型号:NU18/750MA
品牌:SKF
系列:圆柱滚子轴承, 单列, NU 设计
内径:750 mm
外径:920 mm
厚度:78 mm
【发布日期:】
NU18/750MA是SKF品牌下的圆柱滚子轴承, 单列, NU 设计型号,我司有部分现货库存,NU18/750MA轴承详细参数如下表所示,如有疑问,欢迎拨打0512-62658883进行咨询,并且我司能为客户提供样本图纸,NU18/750MA轴承替代型号,价格等详细资料!
   公司还为您推荐型号:
    NU1060-M1轴承 - NU1007轴承 - NU1008轴承 - NU1009轴承 - NU1010轴承 - NU1012轴承 - NU1011轴承 - NU1013轴承 - NU1014轴承 - NU1015轴承 - NU1017轴承 - NU1018轴承 - NU1019轴承 - NU1020轴承 - NU1021轴承 -

基本信息

                         
  圆柱滚子轴承, 单列, NU 设计
                  公差 , 参见文字
                  径向内部间隙, 圆柱型内孔 , 圆锥型内孔, 无密封件 , 参见文字
                  推荐配合
                  轴和轴承座公差
  主要数据尺寸 基本负荷额定值 疲劳负荷限值 额定速度 体积 型号 适宜的斜挡圈  
    动态 静态   参照速度 限制速度     型号  
  d D B C C0 Pu
  mm kN kN r/min kg - -  
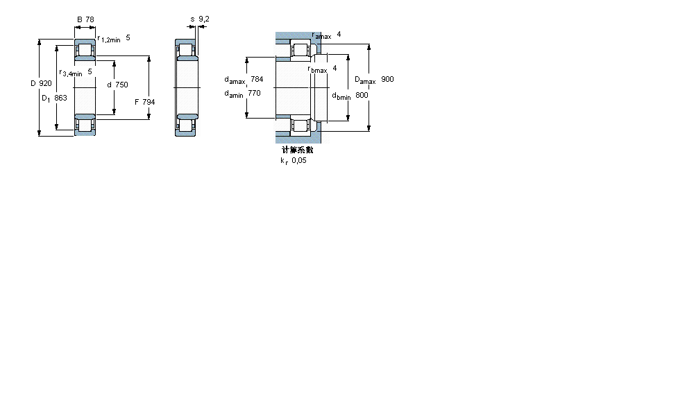
 7509207814703450228600800110NU 18/750 MA- 

相同内径750mm型号

  • 品牌
  • 型号
  • 内径
  • 外径
  • 厚度
  • 系列
  • SKF
  • C39/750KM轴承
  • 750
  • 1000
  • 185
  • CARB圆环滚子轴承, 圆柱和圆锥孔, 圆锥型内孔, 与保持架
  • SKF
  • C39/750M轴承
  • 750
  • 1000
  • 185
  • CARB圆环滚子轴承, 圆柱和圆锥孔, 圆柱型内孔, 与保持架
  • SKF
  • C39/800KM+OH39/800HE轴承
  • 750
  • 1060
  • 195
  • CARB圆环滚子轴承, 带紧定套的, 与保持架
  • SKF
  • C30/800KMB+OH30/800HE轴承
  • 750
  • 1150
  • 258
  • CARB圆环滚子轴承, 带紧定套的, 与保持架
  • SKF
  • C31/800KMB+OH31/800HE轴承
  • 750
  • 1280
  • 375
  • CARB圆环滚子轴承, 带紧定套的, 与保持架
  • SKF
  • C30/800KMB+AOH30/800轴承
  • 750
  • 1150
  • 258
  • CARB圆环滚子轴承, 带退卸套的, 与保持架
  • SKF
  • C31/800KMB+AOH31/800轴承
  • 750
  • 1280
  • 375
  • CARB圆环滚子轴承, 带退卸套的, 与保持架
  • SKF
  • 510/750F轴承
  • 750
  • 820
  • 53
  • 推力球轴承, 单向
  • SKF
  • 591/750F轴承
  • 750
  • 900
  • 90
  • 推力球轴承, 单向
  • SKF
  • 511/750M轴承
  • 750
  • 900
  • 120
  • 推力球轴承, 单向

相同外径920mm型号

  • 品牌
  • 型号
  • 内径
  • 外径
  • 厚度
  • 系列
  • SKF
  • 618/750MA轴承
  • 750
  • 920
  • 78
  • 深沟球轴承, 单列, 无密封件
  • SKF
  • 60/630N1MBS轴承
  • 630
  • 920
  • 128
  • 深沟球轴承, 单列, 于外圈的一个带定位槽
  • SKF
  • 306708D轴承
  • 650
  • 920
  • 118
  • 深沟球轴承, 单列, 于外圈的一个带定位槽
  • FAG
  • 241SM530-MA轴承
  • 530
  • 920
  • 500
  • 调心滚子轴承
  • FAG
  • 231/560-K-MB轴承
  • 560
  • 920
  • 280
  • 调心滚子轴承
  • FAG
  • 231/560-MB轴承
  • 560
  • 920
  • 280
  • 调心滚子轴承
  • FAG
  • F-800485.ZL-K-C5轴承
  • 560
  • 920
  • 280
  • 圆柱滚子轴承
  • FAG
  • 241/560-B-K30-MB轴承
  • 560
  • 920
  • 355
  • 调心滚子轴承
  • FAG
  • 230/630-B-K-MB轴承
  • 630
  • 920
  • 212
  • 调心滚子轴承
  • FAG
  • 230/630-B-MB轴承
  • 630
  • 920
  • 212
  • 调心滚子轴承

相同厚度78mm型号

  • 品牌
  • 型号
  • 内径
  • 外径
  • 厚度
  • 系列
  • INA
  • 89424轴承
  • 120
  • 250
  • 78
  • 推力圆柱滚子轴承
  • NSK
  • 7316CDF轴承
  • 80
  • 170
  • 78
  • 角接触球轴承
  • NTN
  • 51248轴承
  • 240
  • 340
  • 78
  • 推力球轴承
  • NACHI
  • 7316B/DF轴承
  • 80
  • 170
  • 78
  • 角接触球轴承
  • NTN
  • 432216XU轴承
  • 80
  • 140
  • 78
  • 双列圆锥滚子轴承
  • NTN
  • 430219XU轴承
  • 95
  • 170
  • 78
  • 双列圆锥滚子轴承
  • NSK
  • 51248X轴承
  • 240
  • 340
  • 78
  • 推力球轴承
  • NSK
  • 53248X轴承
  • 240
  • 340
  • 78
  • 推力球轴承
  • NSK
  • 53248XU轴承
  • 240
  • 340
  • 78
  • 推力球轴承
  • NTN
  • 423124轴承
  • 120
  • 200
  • 78
  • 双列圆锥滚子轴承

推荐型号

CSXF100轴承 7228AC/DB轴承 7093/07210X轴承 LR20x25x20.5轴承 NNU4938B/W33轴承 7226AC/DB轴承 CSCG100轴承 7093/7204轴承 NNU4944B/W33轴承 IR20x25x26.5轴承 CSEG100轴承 7224AC/DB轴承 1779/1730轴承 LR20x25x26.5轴承 NNU4948B/W33轴承 7222AC/DB轴承 

轴承型号查询 | 联系我们| 关于我们| 最新资讯| 高级搜索