• 轴承型号查询
  • 普通搜索
  • 高级搜索
  • 联系我们
  • 关于我们
设为首页     加入收藏
轴承型号查询 > SKF > NNCL4926CV轴承

NNCL4926CV轴承

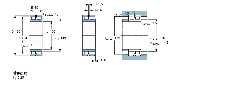
型号:NNCL4926CV
品牌:SKF
系列:圆柱滚子轴承, 双列满装滚子, 无密封件, 没有载荷支承能力
内径:130 mm
外径:180 mm
厚度:50 mm
【发布日期:】
NNCL4926CV是SKF品牌下的圆柱滚子轴承, 双列满装滚子, 无密封件, 没有载荷支承能力型号,我司有部分现货库存,NNCL4926CV轴承详细参数如下表所示,如有疑问,欢迎拨打0512-62658883进行咨询,并且我司能为客户提供样本图纸,NNCL4926CV轴承替代型号,价格等详细资料!
   公司还为您推荐型号:
    NNC4930V.C3轴承 - NNC4944V.C3轴承 - NNC4926V.C3轴承 - NNC4928V.C3轴承 - NNCF5005CV轴承 - NNCF5006CV轴承 - NNCF5007CV轴承 - NNCF5008CV轴承 - NNCF5009CV轴承 - NNCF5010CV轴承 - NNCF5011CV轴承 - NNC4912CV轴承 - NNCF5012CV轴承 - NNCF5013CV轴承 - NNC4914CV轴承 -

基本信息

                     
  圆柱滚子轴承, 双列满装滚子, 无密封件, 没有载荷支承能力
                    公差 , 参见文字
                    径向内部游隙 , 参见文字
                    推荐配合
                    轴和轴承座公差
  主要数据尺寸 基本负荷额定值 疲劳负荷限值 额定速度 体积 型号
    动态 静态   参照速度 限制速度
  d D B C C0 Pu
  mm kN kN r/min kg -
 1301805027553060160020003,80NNCL 4926 CV

相同内径130mm型号

  • 品牌
  • 型号
  • 内径
  • 外径
  • 厚度
  • 系列
  • FAG
  • 52230MP轴承
  • 130
  • 215
  • 89
  • 推力球轴承
  • FAG
  • 52330MP轴承
  • 130
  • 250
  • 140
  • 推力球轴承
  • FAG
  • HCS71926C.T.P4S.UL轴承
  • 130
  • 180
  • 24
  • 角接触球轴承
  • FAG
  • HCS71926E.T.P4S.UL轴承
  • 130
  • 180
  • 24
  • 角接触球轴承
  • FAG
  • HCS7026C.T.P4S.UL轴承
  • 130
  • 200
  • 33
  • 角接触球轴承
  • FAG
  • HCS7026E.T.P4S.UL轴承
  • 130
  • 200
  • 33
  • 角接触球轴承
  • FAG
  • NU1026M1轴承
  • 130
  • 200
  • 33
  • 圆柱滚子轴承
  • FAG
  • NU226E.TVP2轴承
  • 130
  • 230
  • 40
  • 圆柱滚子轴承
  • FAG
  • NUP226E.TVP2轴承
  • 130
  • 230
  • 40
  • 圆柱滚子轴承
  • FAG
  • NJ226E.TVP2+HJ226E轴承
  • 130
  • 230
  • 40
  • 圆柱滚子轴承

相同外径180mm型号

  • 品牌
  • 型号
  • 内径
  • 外径
  • 厚度
  • 系列
  • FAG
  • 32220A轴承
  • 100
  • 180
  • 46
  • 圆锥滚子轴承
  • FAG
  • B71926C.O轴承
  • 130
  • 180
  • 48
  • 角接触球轴承
  • FAG
  • 32317A轴承
  • 85
  • 180
  • 60
  • 圆锥滚子轴承
  • SKF
  • 71926CD/DB轴承
  • 130
  • 180
  • 48
  • 角接触球轴承
  • NSK
  • HR31317DJ轴承
  • 85
  • 180
  • 41
  • 圆锥滚子轴承
  • NTN
  • 31317DU轴承
  • 85
  • 180
  • 41
  • 圆锥滚子轴承
  • IKO
  • RNA4926轴承
  • 150
  • 180
  • 50
  • 滚针轴承
  • SKF
  • 2×7317BECBF轴承
  • 85
  • 180
  • 82
  • 角接触球轴承, 单列,用于配对安装, 背对背配对
  • SKF
  • 2×7317BECBJ轴承
  • 85
  • 180
  • 82
  • 角接触球轴承, 单列,用于配对安装, 面对面配对
  • SKF
  • 2×7317BECBM轴承
  • 85
  • 180
  • 82
  • 角接触球轴承, 单列,用于配对安装, 面对面配对

相同厚度50mm型号

  • 品牌
  • 型号
  • 内径
  • 外径
  • 厚度
  • 系列
  • NACHI
  • 7322DF轴承
  • 110
  • 240
  • 50
  • 角接触球轴承
  • NACHI
  • 7322BDF轴承
  • 110
  • 240
  • 50
  • 角接触球轴承
  • IKO
  • TAW5550Z轴承
  • 55
  • 67
  • 50
  • 冲压滚针轴承
  • IKO
  • TAMW5550轴承
  • 55
  • 67
  • 50
  • 冲压滚针轴承
  • NACHI
  • 7322CDF轴承
  • 110
  • 240
  • 50
  • 角接触球轴承
  • IKO
  • TAW6050Z轴承
  • 60
  • 72
  • 50
  • 冲压滚针轴承
  • IKO
  • TAMW6050轴承
  • 60
  • 72
  • 50
  • 冲压滚针轴承
  • SKF
  • 53410+U410轴承
  • 50
  • 110
  • 50
  • 推力球轴承
  • IKO
  • TAW6550Z轴承
  • 65
  • 77
  • 50
  • 冲压滚针轴承
  • IKO
  • TAMW6550轴承
  • 65
  • 77
  • 50
  • 冲压滚针轴承

推荐型号

PCJY25-N轴承 54308U轴承 6209Z轴承 PCSLT25轴承 54408U轴承 PHE25轴承 6210Z轴承 54209U轴承 6211Z轴承 PHE25-TV-FA125.5轴承 54309U轴承 6212Z轴承 PHEY25轴承 54409U轴承 6214Z轴承 PHUSE25轴承 

轴承型号查询 | 联系我们| 关于我们| 最新资讯| 高级搜索