• 轴承型号查询
  • 普通搜索
  • 高级搜索
  • 联系我们
  • 关于我们
设为首页     加入收藏
轴承型号查询 > SKF > NKXR30Z轴承

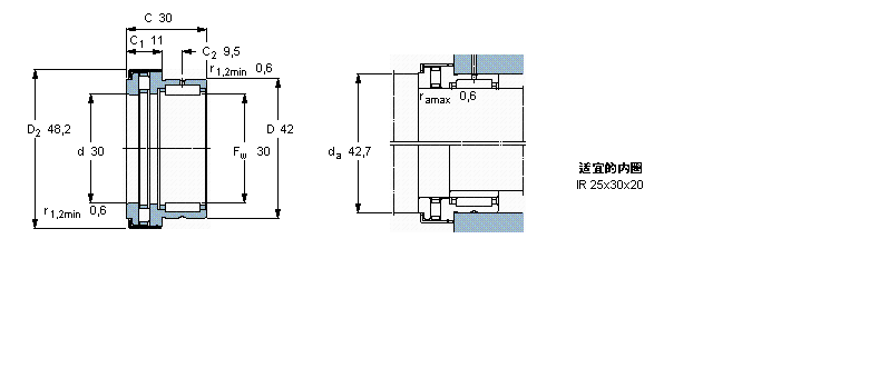
NKXR30Z轴承

型号:NKXR30Z
品牌:SKF
系列:组合式滚针轴承, 滚针/圆柱滚子推力轴承
内径:30 mm
外径:42 mm
厚度:30 mm
【发布日期:】
NKXR30Z是SKF品牌下的组合式滚针轴承, 滚针/圆柱滚子推力轴承型号,我司有部分现货库存,NKXR30Z轴承详细参数如下表所示,如有疑问,欢迎拨打0512-62658883进行咨询,并且我司能为客户提供样本图纸,NKXR30Z轴承替代型号,价格等详细资料!
   公司还为您推荐型号:
    NKX10ZTN轴承 - NKX10TN轴承 - NKX12Z轴承 - NKX15Z轴承 - NKX17Z轴承 - NKX20Z轴承 - NKX25Z轴承 - NKX35Z轴承 - NKX40Z轴承 - NKX45Z轴承 - NKX50Z轴承 - NKX60Z轴承 - NKX70Z轴承 - NKXR15Z轴承 - NKXR17Z轴承 -

基本信息

                             
  组合式滚针轴承, 滚针/圆柱滚子推力轴承
                        公差 , 参见文字
                        径向内部游隙 , 参见文字
                        推荐配合
                        轴和轴承座公差
  主要数据尺寸 基本负荷额定值 疲劳负荷限值 最小负荷系数 额定速度 体积 型号
    径向 轴向     参照速度 限制速度
    动态 静态 动态 静态 径向 轴向      
  Fw D C C C0 C C0 Pu Pu A
  mm kN kN - r/min kg -
 30423022,93927784,87,650,00049300060000,14NKXR 30 Z

相同内径30mm型号

  • 品牌
  • 型号
  • 内径
  • 外径
  • 厚度
  • 系列
  • IKO
  • TALM3012轴承
  • 30
  • 37
  • 12
  • 滚针轴承
  • IKO
  • TALM3016轴承
  • 30
  • 37
  • 16
  • 滚针轴承
  • IKO
  • TALM3020轴承
  • 30
  • 37
  • 20
  • 滚针轴承
  • NTN
  • NJ2206ET+HJ2206E轴承
  • 30
  • 62
  • 20
  • 圆柱滚子轴承
  • NTN
  • NJ2206+HJ2206轴承
  • 30
  • 62
  • 20
  • 圆柱滚子轴承
  • KOYO
  • 1307K+H307轴承
  • 30
  • 80
  • 21
  • 调心球轴承
  • SKF
  • 2207EK+H307轴承
  • 30
  • 72
  • 23
  • 调心球轴承
  • NTN
  • 2207K;H307X轴承
  • 30
  • 72
  • 23
  • 调心球轴承
  • NACHI
  • 2207K+H307轴承
  • 30
  • 72
  • 23
  • 调心球轴承
  • NTN
  • NJ306ET+HJ306E轴承
  • 30
  • 72
  • 19
  • 圆柱滚子轴承

相同外径42mm型号

  • 品牌
  • 型号
  • 内径
  • 外径
  • 厚度
  • 系列
  • IKO
  • TALM3512轴承
  • 35
  • 42
  • 12
  • 滚针轴承
  • IKO
  • TALM3520轴承
  • 35
  • 42
  • 20
  • 滚针轴承
  • SKF
  • 6004-2RS1轴承
  • 20
  • 42
  • 12
  • 深沟球轴承
  • SKF
  • 6004-2RZ轴承
  • 20
  • 42
  • 12
  • 深沟球轴承
  • FAG
  • 7302B.TVP轴承
  • 15
  • 42
  • 13
  • 角接触球轴承
  • INA
  • NK32/20轴承
  • 32
  • 42
  • 20
  • 滚针轴承
  • SKF
  • 6302-2RS1轴承
  • 15
  • 42
  • 13
  • 深沟球轴承
  • KOYO
  • 60042RS轴承
  • 20
  • 42
  • 12
  • 深沟球轴承
  • KOYO
  • 60042RU轴承
  • 20
  • 42
  • 12
  • 深沟球轴承
  • NTN
  • 6004LU轴承
  • 20
  • 42
  • 12
  • 深沟球轴承

相同厚度30mm型号

  • 品牌
  • 型号
  • 内径
  • 外径
  • 厚度
  • 系列
  • NSK
  • NJ218EM+HJ218E轴承
  • 90
  • 160
  • 30
  • 圆柱滚子轴承
  • NSK
  • NJ218+HJ218轴承
  • 90
  • 160
  • 30
  • 圆柱滚子轴承
  • INA
  • 81126轴承
  • 130
  • 170
  • 30
  • 推力滚子轴承
  • NSK
  • 6218V轴承
  • 90
  • 160
  • 30
  • 深沟球轴承
  • NTN
  • NJ218EM+HJ218E轴承
  • 90
  • 160
  • 30
  • 圆柱滚子轴承
  • NTN
  • NJ218+HJ218轴承
  • 90
  • 160
  • 30
  • 圆柱滚子轴承
  • NSK
  • 6218DU轴承
  • 90
  • 160
  • 30
  • 深沟球轴承
  • NTN
  • 6218LU轴承
  • 90
  • 160
  • 30
  • 深沟球轴承
  • NTN
  • 6218LB轴承
  • 90
  • 160
  • 30
  • 深沟球轴承
  • KOYO
  • 6218RS轴承
  • 90
  • 160
  • 30
  • 深沟球轴承

推荐型号

TALM1812轴承 TALM1712轴承 TALM2012轴承 TALM2212轴承 TALM59轴承 TALM69轴承 TALM79轴承 TALM2516轴承 TALM2816轴承 TALM810轴承 TALM910轴承 TALM3016轴承 TALM1010轴承 TALM1210轴承 TALM1416轴承 TALM1516轴承 

轴承型号查询 | 联系我们| 关于我们| 最新资讯| 高级搜索