• 轴承型号查询
  • 普通搜索
  • 高级搜索
  • 联系我们
  • 关于我们
设为首页     加入收藏
轴承型号查询 > SKF > NJ2224ECM轴承

NJ2224ECM轴承

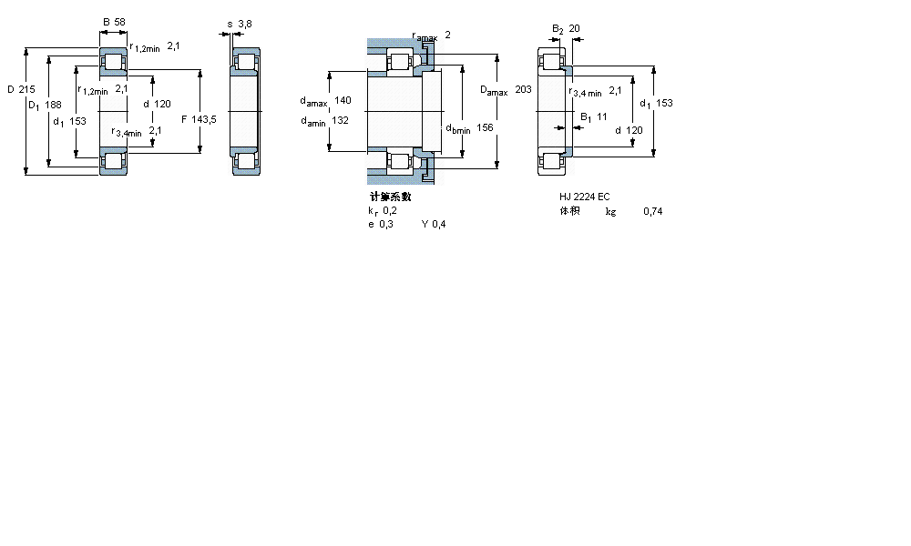
型号:NJ2224ECM
品牌:SKF
系列:圆柱滚子轴承, 单列, NJ 设计
内径:120 mm
外径:215 mm
厚度:58 mm
【发布日期:】
NJ2224ECM是SKF品牌下的圆柱滚子轴承, 单列, NJ 设计型号,我司有部分现货库存,NJ2224ECM轴承详细参数如下表所示,如有疑问,欢迎拨打0512-62658883进行咨询,并且我司能为客户提供样本图纸,NJ2224ECM轴承替代型号,价格等详细资料!
   公司还为您推荐型号:
    NJ2304-E-TVP2轴承 - NJ2304-E-TVP2+HJ2304E轴承 - NJ204E轴承 - NJ2204E轴承 - NJ2304E轴承 - NJ205E轴承 - NJ2205E轴承 - NJ2305E轴承 - NJ206E轴承 - NJ2206E轴承 - NJ2306E轴承 - NJ207E轴承 - NJ2207E轴承 - NJ2307E轴承 - NJ2308轴承 -

基本信息

                         
  圆柱滚子轴承, 单列, NJ 设计
                  公差 , 参见文字
                  径向内部间隙, 圆柱型内孔 , 圆锥型内孔, 无密封件 , 参见文字
                  推荐配合
                  轴和轴承座公差
  主要数据尺寸 基本负荷额定值 疲劳负荷限值 额定速度 体积 型号 适宜的斜挡圈  
    动态 静态   参照速度 限制速度     型号  
  d D B C C0 Pu * - SKF Explorer 轴承
  mm kN kN r/min kg - -  
 1202155852063072340036008,85NJ 2224 ECM *HJ 2224 EC 

相同内径120mm型号

  • 品牌
  • 型号
  • 内径
  • 外径
  • 厚度
  • 系列
  • NACHI
  • 6224-2Z轴承
  • 120
  • 215
  • 40
  • 深沟球轴承
  • NACHI
  • 120KBV039轴承
  • 120
  • 170
  • 124
  • 圆锥滚子轴承
  • NSK
  • 6224-2Z轴承
  • 120
  • 215
  • 40
  • 深沟球轴承
  • NACHI
  • NUP324轴承
  • 120
  • 260
  • 55
  • 圆柱滚子轴承
  • NACHI
  • NUP324E轴承
  • 120
  • 260
  • 55
  • 圆柱滚子轴承
  • NACHI
  • E32924J轴承
  • 120
  • 165
  • 29
  • 圆锥滚子轴承
  • NACHI
  • E32024J轴承
  • 120
  • 180
  • 38
  • 圆锥滚子轴承
  • NACHI
  • E33024J轴承
  • 120
  • 180
  • 48
  • 圆锥滚子轴承
  • NACHI
  • E33124J轴承
  • 120
  • 200
  • 62
  • 圆锥滚子轴承
  • NACHI
  • E30224J轴承
  • 120
  • 215
  • 44
  • 圆锥滚子轴承

相同外径215mm型号

  • 品牌
  • 型号
  • 内径
  • 外径
  • 厚度
  • 系列
  • NSK
  • 6224VV轴承
  • 120
  • 215
  • 40
  • 深沟球轴承
  • NSK
  • 6224DD轴承
  • 120
  • 215
  • 40
  • 深沟球轴承
  • NSK
  • 22320CCK/W33轴承
  • 100
  • 215
  • 73
  • 调心滚子轴承
  • FAG
  • 22320EDK+AHX2320轴承
  • 100
  • 215
  • 73
  • 调心滚子轴承
  • NACHI
  • 1320K轴承
  • 100
  • 215
  • 47
  • 调心球轴承
  • NACHI
  • 2320K轴承
  • 100
  • 215
  • 73
  • 调心球轴承
  • KOYO
  • 6320RU轴承
  • 100
  • 215
  • 47
  • 深沟球轴承
  • KOYO
  • 6320RS轴承
  • 100
  • 215
  • 47
  • 深沟球轴承
  • SKF
  • NUP2320ECM轴承
  • 100
  • 215
  • 73
  • 圆柱滚子轴承
  • NSK
  • 6834轴承
  • 170
  • 215
  • 22
  • 深沟球轴承

相同厚度58mm型号

  • 品牌
  • 型号
  • 内径
  • 外径
  • 厚度
  • 系列
  • NACHI
  • NP240轴承
  • 200
  • 360
  • 58
  • 圆柱滚子轴承
  • KOYO
  • 22316RHW33轴承
  • 80
  • 170
  • 58
  • 调心滚子轴承
  • NACHI
  • 22224EK+H3124轴承
  • 110
  • 215
  • 58
  • 调心滚子轴承
  • KOYO
  • 22224RHW33轴承
  • 120
  • 210
  • 58
  • 调心滚子轴承
  • NACHI
  • 22316EK+H2316轴承
  • 70
  • 170
  • 58
  • 调心滚子轴承
  • FAG
  • NJ2224E.TVP2+HJ2224E轴承
  • 120
  • 215
  • 58
  • 圆柱滚子轴承
  • FAG
  • NU2224E.TVP2轴承
  • 120
  • 215
  • 58
  • 圆柱滚子轴承
  • FAG
  • NUP2224E.TVP2轴承
  • 120
  • 215
  • 58
  • 圆柱滚子轴承
  • FAG
  • 2316M轴承
  • 80
  • 170
  • 58
  • 调心球轴承
  • FAG
  • 2316K.M.C3轴承
  • 80
  • 170
  • 58
  • 调心球轴承

推荐型号

HN2020轴承 E2.6300-2Z/C3轴承 7034CDF轴承 4T-555/552A轴承 32310轴承 VU250380轴承 K20X26X20轴承 E2.6001-2Z/C3轴承 7032CDF轴承 32311轴承 4T-368S/362A轴承 CSCC110轴承 HFL2026轴承 E2.6201-2Z/C3轴承 7028CDF轴承 32312轴承 

轴承型号查询 | 联系我们| 关于我们| 最新资讯| 高级搜索