• 轴承型号查询
  • 普通搜索
  • 高级搜索
  • 联系我们
  • 关于我们
设为首页     加入收藏
轴承型号查询 > SKF > NJ215ECM轴承

NJ215ECM轴承

型号:NJ215ECM
品牌:SKF
系列:圆柱滚子轴承, 单列, NJ 设计
内径:75 mm
外径:130 mm
厚度:25 mm
【发布日期:】
NJ215ECM是SKF品牌下的圆柱滚子轴承, 单列, NJ 设计型号,我司有部分现货库存,NJ215ECM轴承详细参数如下表所示,如有疑问,欢迎拨打0512-62658883进行咨询,并且我司能为客户提供样本图纸,NJ215ECM轴承替代型号,价格等详细资料!
   公司还为您推荐型号:
    NJ232轴承 - NJ232E轴承 - NJ2232轴承 - NJ2232E轴承 - NJ2332轴承 - NJ2332E轴承 - NJ234轴承 - NJ234E轴承 - NJ2234轴承 - NJ2234E轴承 - NJ2334轴承 - NJ236轴承 - NJ236E轴承 - NJ2236轴承 - NJ2236E轴承 -

基本信息

                         
  圆柱滚子轴承, 单列, NJ 设计
                  公差 , 参见文字
                  径向内部间隙, 圆柱型内孔 , 圆锥型内孔, 无密封件 , 参见文字
                  推荐配合
                  轴和轴承座公差
  主要数据尺寸 基本负荷额定值 疲劳负荷限值 额定速度 体积 型号 适宜的斜挡圈  
    动态 静态   参照速度 限制速度     型号  
  d D B C C0 Pu * - SKF Explorer 轴承
  mm kN kN r/min kg - -  
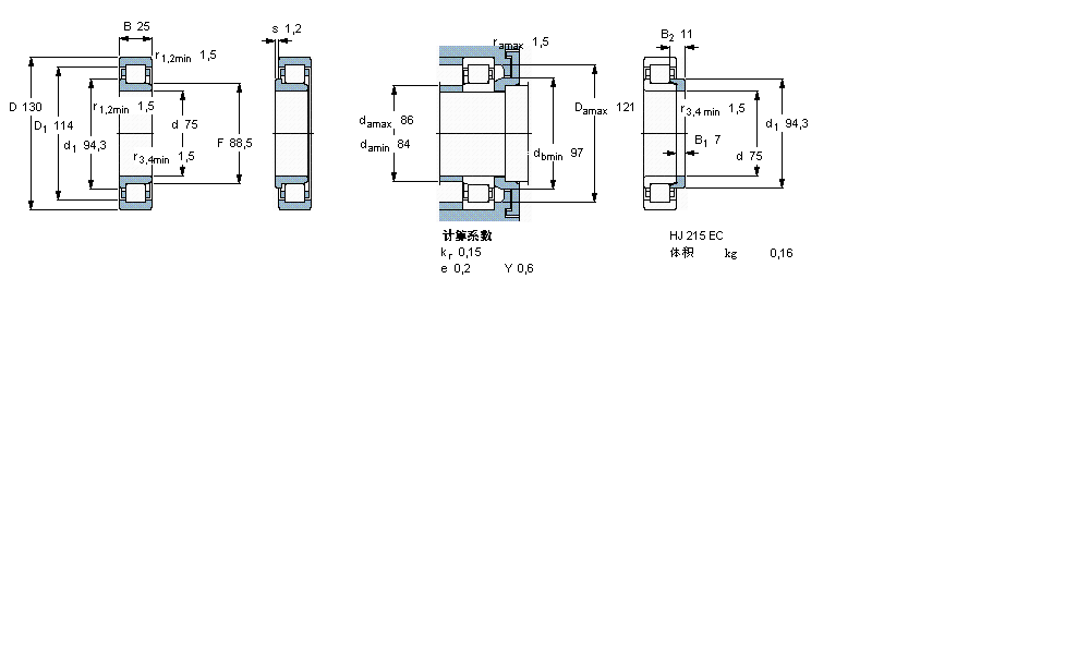
 751302515015620,4560060001,30NJ 215 ECM *HJ 215 EC 

相同内径75mm型号

  • 品牌
  • 型号
  • 内径
  • 外径
  • 厚度
  • 系列
  • NTN
  • 7015AC轴承
  • 75
  • 115
  • 20
  • 角接触球轴承
  • NSK
  • 7015AC轴承
  • 75
  • 115
  • 20
  • 角接触球轴承
  • FAG
  • 7015AC轴承
  • 75
  • 115
  • 20
  • 角接触球轴承
  • SKF
  • 71915C轴承
  • 75
  • 105
  • 16
  • 角接触球轴承
  • FAG
  • 1215K轴承
  • 75
  • 130
  • 25
  • 调心球轴承
  • FAG
  • 1215轴承
  • 75
  • 130
  • 25
  • 调心球轴承
  • KOYO
  • 6215-RZ轴承
  • 75
  • 130
  • 25
  • 深沟球轴承
  • KOYO
  • 6215-RS轴承
  • 75
  • 130
  • 25
  • 深沟球轴承
  • KOYO
  • 6315-2RZ轴承
  • 75
  • 160
  • 37
  • 深沟球轴承
  • KOYO
  • 6315-2RS轴承
  • 75
  • 160
  • 37
  • 深沟球轴承

相同外径130mm型号

  • 品牌
  • 型号
  • 内径
  • 外径
  • 厚度
  • 系列
  • FAG
  • 32919+T2BC095轴承
  • 95
  • 130
  • 23
  • 圆锥滚子轴承
  • SKF
  • NN3017KTN9/SP轴承
  • 85
  • 130
  • 34
  • 圆柱滚子轴承,双列, 精密, NN 设计, 圆锥型内孔
  • SKF
  • NN3017TN9/SP轴承
  • 85
  • 130
  • 34
  • 圆柱滚子轴承,双列, 精密, NN 设计
  • FAG
  • N215E.TVP2轴承
  • 75
  • 130
  • 25
  • 圆柱滚子轴承
  • FAG
  • NJ215E.TVP2+HJ215E轴承
  • 75
  • 130
  • 25
  • 圆柱滚子轴承
  • FAG
  • NUP215E.TVP2轴承
  • 75
  • 130
  • 25
  • 圆柱滚子轴承
  • FAG
  • NJ2215E.TVP2+HJ2215E轴承
  • 75
  • 130
  • 31
  • 圆柱滚子轴承
  • FAG
  • NU215E.TVP2轴承
  • 75
  • 130
  • 25
  • 圆柱滚子轴承
  • FAG
  • NU2215E.TVP2轴承
  • 75
  • 130
  • 31
  • 圆柱滚子轴承
  • FAG
  • NUP2215E.TVP2轴承
  • 75
  • 130
  • 31
  • 圆柱滚子轴承

相同厚度25mm型号

  • 品牌
  • 型号
  • 内径
  • 外径
  • 厚度
  • 系列
  • INA
  • IR60X70X25轴承
  • 60
  • 70
  • 25
  • 其它
  • INA
  • IR65X72X25轴承
  • 65
  • 72
  • 25
  • 其它
  • INA
  • IR65X73X25轴承
  • 65
  • 73
  • 25
  • 其它
  • INA
  • IR70X80X25轴承
  • 70
  • 80
  • 25
  • 其它
  • INA
  • IR75X85X25轴承
  • 75
  • 85
  • 25
  • 其它
  • INA
  • IR80X90X25轴承
  • 80
  • 90
  • 25
  • 其它
  • NSK
  • BL309轴承
  • 45
  • 100
  • 25
  • 满球型球轴承
  • NSK
  • BL309Z轴承
  • 45
  • 100
  • 25
  • 满球型球轴承
  • NSK
  • BL309zz轴承
  • 45
  • 100
  • 25
  • 满球型球轴承
  • SKF
  • N215ECP轴承
  • 75
  • 130
  • 25
  • 圆柱滚子轴承, 单列, N 设计

推荐型号

L476549/L476510轴承 NK60/35+IR55×60×35轴承 NK60/25+IR55×60×25轴承 LM377449/LM377410轴承 NK55/35+IR50×55×35轴承 M278749/M278710轴承 LL778149/LL778110轴承 NK55/25+IR50×55×25轴承 680235/680270轴承 NK50/35+IR45×50×35轴承 NK50/25+IR45×50×25轴承 EE649237/649310轴承 NK47/30+IR42×47×30轴承 EE649238/649310轴承 L879946/L879910轴承 NK47/20+IR42×47×20轴承 

轴承型号查询 | 联系我们| 关于我们| 最新资讯| 高级搜索