• 轴承型号查询
  • 普通搜索
  • 高级搜索
  • 联系我们
  • 关于我们
设为首页     加入收藏
轴承型号查询 > SKF > N305ECP轴承

N305ECP轴承

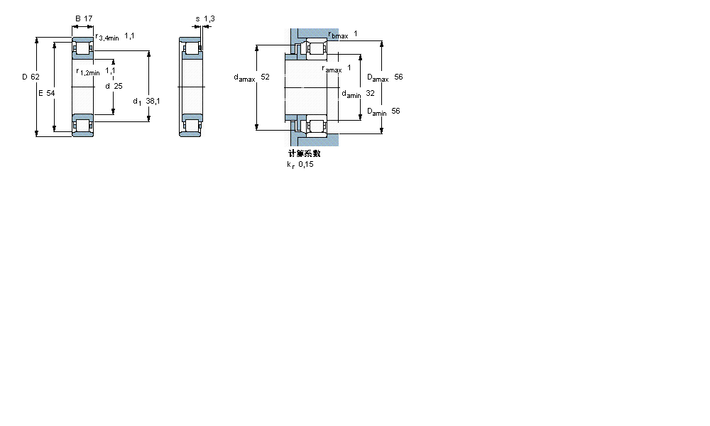
型号:N305ECP
品牌:SKF
系列:圆柱滚子轴承, 单列, N 设计
内径:25 mm
外径:62 mm
厚度:17 mm
【发布日期:】
N305ECP是SKF品牌下的圆柱滚子轴承, 单列, N 设计型号,我司有部分现货库存,N305ECP轴承详细参数如下表所示,如有疑问,欢迎拨打0512-62658883进行咨询,并且我司能为客户提供样本图纸,N305ECP轴承替代型号,价格等详细资料!
   公司还为您推荐型号:
    N304轴承 - N305轴承 - N306轴承 - N307轴承 - N308轴承 - N309轴承 - N307E轴承 - N304轴承 - N305轴承 - N306轴承 - N307轴承 - N308轴承 - N309轴承 - N304E轴承 - N305E轴承 -

基本信息

                         
  圆柱滚子轴承, 单列, N 设计
                  公差 , 参见文字
                  径向内部间隙, 圆柱型内孔 , 圆锥型内孔, 无密封件 , 参见文字
                  推荐配合
                  轴和轴承座公差
  主要数据尺寸 基本负荷额定值 疲劳负荷限值 额定速度 体积 型号 适宜的斜挡圈  
    动态 静态   参照速度 限制速度     型号  
  d D B C C0 Pu * - SKF Explorer 轴承
  mm kN kN r/min kg - -  
 25621746,536,54,5512000150000,24N 305 ECP *- 

相同内径25mm型号

  • 品牌
  • 型号
  • 内径
  • 外径
  • 厚度
  • 系列
  • NACHI
  • 7005C/DF轴承
  • 25
  • 47
  • 24
  • 角接触球轴承
  • NACHI
  • 7205C/DF轴承
  • 25
  • 52
  • 30
  • 角接触球轴承
  • NACHI
  • 7305C/DF轴承
  • 25
  • 62
  • 34
  • 角接触球轴承
  • NACHI
  • 7005AC/DF轴承
  • 25
  • 47
  • 24
  • 角接触球轴承
  • NACHI
  • 7205AC/DF轴承
  • 25
  • 52
  • 30
  • 角接触球轴承
  • NACHI
  • 7205B/DF轴承
  • 25
  • 52
  • 30
  • 角接触球轴承
  • NACHI
  • 5205NAS轴承
  • 25
  • 52
  • 20.6
  • 角接触球轴承
  • KOYO
  • 5205RS轴承
  • 25
  • 52
  • 20.6
  • 角接触球轴承
  • KOYO
  • 52052RS轴承
  • 25
  • 52
  • 20.6
  • 角接触球轴承
  • KOYO
  • 53052RS轴承
  • 25
  • 62
  • 25.4
  • 角接触球轴承

相同外径62mm型号

  • 品牌
  • 型号
  • 内径
  • 外径
  • 厚度
  • 系列
  • SKF
  • BL206ZZ轴承
  • 30
  • 62
  • 16
  • 深沟球轴承
  • NSK
  • NU305轴承
  • 25
  • 62
  • 17
  • 圆柱滚子轴承
  • NSK
  • NJ305轴承
  • 25
  • 62
  • 17
  • 圆柱滚子轴承
  • NSK
  • NUP305轴承
  • 25
  • 62
  • 17
  • 圆柱滚子轴承
  • NSK
  • NU305ET轴承
  • 25
  • 62
  • 17
  • 圆柱滚子轴承
  • NSK
  • NJ305ET轴承
  • 25
  • 62
  • 17
  • 圆柱滚子轴承
  • FAG
  • 7602030TVP轴承
  • 30
  • 62
  • 16
  • 推力角接触球轴承
  • NSK
  • NUP305ET轴承
  • 25
  • 62
  • 17
  • 圆柱滚子轴承
  • NSK
  • NU2305轴承
  • 25
  • 62
  • 24
  • 圆柱滚子轴承
  • NSK
  • NJ2305轴承
  • 25
  • 62
  • 24
  • 圆柱滚子轴承

相同厚度17mm型号

  • 品牌
  • 型号
  • 内径
  • 外径
  • 厚度
  • 系列
  • NTN
  • 6207ZZN轴承
  • 35
  • 72
  • 17
  • 深沟球轴承
  • NTN
  • 6305ZZN轴承
  • 25
  • 62
  • 17
  • 深沟球轴承
  • SKF
  • 6207-2ZN轴承
  • 35
  • 72
  • 17
  • 深沟球轴承
  • SKF
  • 6305-2ZN轴承
  • 25
  • 62
  • 17
  • 深沟球轴承
  • NACHI
  • NJ305轴承
  • 25
  • 62
  • 17
  • 圆柱滚子轴承
  • NACHI
  • NJ305EG轴承
  • 25
  • 62
  • 17
  • 圆柱滚子轴承
  • NACHI
  • NJ207轴承
  • 35
  • 72
  • 17
  • 圆柱滚子轴承
  • NACHI
  • NJ207EG轴承
  • 35
  • 72
  • 17
  • 圆柱滚子轴承
  • NACHI
  • NUP305轴承
  • 25
  • 62
  • 17
  • 圆柱滚子轴承
  • NACHI
  • NUP305EG轴承
  • 25
  • 62
  • 17
  • 圆柱滚子轴承

推荐型号

6032-2RSR轴承 61821-RS轴承 6032-M轴承 61820-RS轴承 B7032-C-T-P4S轴承 61819-RS轴承 B7032-E-T-P4S轴承 HCB7032-C-T-P4S轴承 61818-RS轴承 HCB7032-E-T-P4S轴承 61817-RS轴承 N1032-K-M1-SP轴承 61816-RS轴承 61815-RS轴承 NU1032-M1轴承 61814-RS轴承 

轴承型号查询 | 联系我们| 关于我们| 最新资讯| 高级搜索