• 轴承型号查询
  • 普通搜索
  • 高级搜索
  • 联系我们
  • 关于我们
设为首页     加入收藏
轴承型号查询 > SKF > E2.22211K轴承

E2.22211K轴承

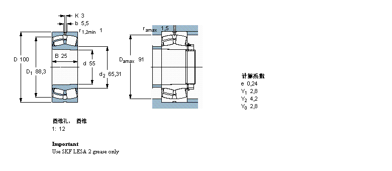
型号:E2.22211K
品牌:SKF
系列:球面滚子轴承, 圆柱和圆锥孔, SKF Energy Efficient (E2) bearings, 圆锥型内孔
内径:55 mm
外径:100 mm
厚度:25 mm
【发布日期:】
E2.22211K是SKF品牌下的球面滚子轴承, 圆柱和圆锥孔, SKF Energy Efficient (E2) bearings, 圆锥型内孔型号,我司有部分现货库存,E2.22211K轴承详细参数如下表所示,如有疑问,欢迎拨打0512-62658883进行咨询,并且我司能为客户提供样本图纸,E2.22211K轴承替代型号,价格等详细资料!
   公司还为您推荐型号:
    E2.22209轴承 - E2.22209K轴承 - E2.22210轴承 - E2.22210K轴承 - E2.22211轴承 - E2.22211K轴承 - E2.22212轴承 - E2.22212K轴承 - E2.22213轴承 - E2.22213K轴承 - E2.625-2Z/C3轴承 - E2.635-2Z/C3轴承 - E2.626-2Z/C3轴承 - E2.607-2Z/C3轴承 - E2.627-2Z/C3轴承 -

基本信息

                     
  球面滚子轴承, 圆柱和圆锥孔, SKF Energy Efficient (E2) bearings, 圆锥型内孔
              公差 , 参见文字
              径向内部游隙, 圆柱型内孔 , 圆锥型内孔, 无密封件 , 参见文字
  Important 推荐配合
  Use SKF LESA 2 grease only 轴和轴承座公差
  主要数据尺寸 基本负荷额定值 疲劳负荷限值 额定速度 体积 型号
    动态 静态   参照速度 限制速度
         
  d D B C C0 Pu  
  mm kN kN r/min kg -
 551002512012012,5900085000,82E2.22211 K

相同内径55mm型号

  • 品牌
  • 型号
  • 内径
  • 外径
  • 厚度
  • 系列
  • NTN
  • 51211轴承
  • 55
  • 90
  • 25
  • 推力球轴承
  • NTN
  • 61911-Z轴承
  • 55
  • 80
  • 13
  • 深沟球轴承
  • KOYO
  • 3211轴承
  • 55
  • 100
  • 33.3
  • 角接触球轴承
  • KOYO
  • 5211轴承
  • 55
  • 100
  • 33.3
  • 角接触球轴承
  • KOYO
  • 3311轴承
  • 55
  • 120
  • 49.2
  • 角接触球轴承
  • KOYO
  • 5311轴承
  • 55
  • 120
  • 49.2
  • 角接触球轴承
  • NSK
  • 61911-Z轴承
  • 55
  • 80
  • 13
  • 深沟球轴承
  • NACHI
  • 61911-Z轴承
  • 55
  • 80
  • 13
  • 深沟球轴承
  • NSK
  • 55TAC20D+L轴承
  • 55
  • 90
  • 44
  • 推力球轴承
  • NTN
  • 61811-Z轴承
  • 55
  • 72
  • 9
  • 深沟球轴承

相同外径100mm型号

  • 品牌
  • 型号
  • 内径
  • 外径
  • 厚度
  • 系列
  • SKF
  • 71914AC轴承
  • 70
  • 100
  • 16
  • 角接触球轴承
  • NSK
  • 75TMP11轴承
  • 75
  • 100
  • 19
  • 推力圆柱滚子轴承
  • FAG
  • 7211C轴承
  • 55
  • 100
  • 21
  • 角接触球轴承
  • NACHI
  • 21309EK+H309轴承
  • 40
  • 100
  • 25
  • 调心滚子轴承
  • KOYO
  • 6309NR轴承
  • 45
  • 100
  • 25
  • 深沟球轴承
  • KOYO
  • 6211NR轴承
  • 55
  • 100
  • 21
  • 深沟球轴承
  • FAG
  • 7013C轴承
  • 65
  • 100
  • 18
  • 角接触球轴承
  • NSK
  • RSF-4914E4轴承
  • 70
  • 100
  • 30
  • 满装圆柱滚子轴承滑轮用
  • NTN
  • 7013C/DT轴承
  • 65
  • 100
  • 36
  • 角接触球轴承
  • NACHI
  • NF309轴承
  • 45
  • 100
  • 25
  • 圆柱滚子轴承

相同厚度25mm型号

  • 品牌
  • 型号
  • 内径
  • 外径
  • 厚度
  • 系列
  • NTN
  • NU2211轴承
  • 55
  • 100
  • 25
  • 圆柱滚子轴承
  • NTN
  • NU2211E轴承
  • 55
  • 100
  • 25
  • 圆柱滚子轴承
  • KOYO
  • 32920JR轴承
  • 100
  • 140
  • 25
  • 圆锥滚子轴承
  • NSK
  • 21309CDK轴承
  • 45
  • 100
  • 25
  • 调心滚子轴承
  • NTN
  • NJ2211轴承
  • 55
  • 100
  • 25
  • 圆柱滚子轴承
  • KOYO
  • 6215ZZ轴承
  • 75
  • 130
  • 25
  • 深沟球轴承
  • NTN
  • NJ2211E轴承
  • 55
  • 100
  • 25
  • 圆柱滚子轴承
  • FAG
  • 21309EK.TVPB轴承
  • 45
  • 100
  • 25
  • 调心滚子轴承
  • FAG
  • N215E.TVP2轴承
  • 75
  • 130
  • 25
  • 圆柱滚子轴承
  • FAG
  • NJ215E.TVP2+HJ215E轴承
  • 75
  • 130
  • 25
  • 圆柱滚子轴承

推荐型号

KM802048-M802011轴承 2×7316BEGBY轴承 71901CD/DB轴承 BR223016轴承 32236A轴承 NUP2311ET轴承 G1110-KRR-B-AS2/V轴承 2×7416CBM轴承 71900CD/DB轴承 32238A轴承 BR223020轴承 NUP411轴承 RTW611轴承 2×7416GAM轴承 7244B轴承 32240A轴承 

轴承型号查询 | 联系我们| 关于我们| 最新资讯| 高级搜索