• 轴承型号查询
  • 普通搜索
  • 高级搜索
  • 联系我们
  • 关于我们
设为首页     加入收藏
轴承型号查询 > SKF > 891/1060M轴承

891/1060M轴承

型号:891/1060M
品牌:SKF
系列:圆柱滚子推力轴承, 轴承 / 圆柱滚子和保持架止推组件
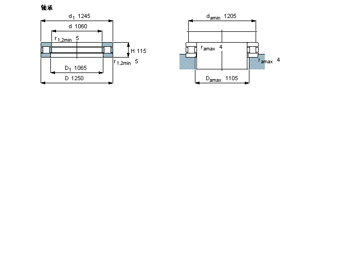
内径:1060 mm
外径:1250 mm
厚度:115 mm
【发布日期:】
891/1060M是SKF品牌下的圆柱滚子推力轴承, 轴承 / 圆柱滚子和保持架止推组件型号,我司有部分现货库存,891/1060M轴承详细参数如下表所示,如有疑问,欢迎拨打0512-62658883进行咨询,并且我司能为客户提供样本图纸,891/1060M轴承替代型号,价格等详细资料!
   公司还为您推荐型号:
    891/900M轴承 - 89176M轴承 - 89180M轴承 - 89184M轴承 - 89188M轴承 - 89192M轴承 - 89172M轴承 - 89196M轴承 - 891/500M轴承 - 891/530M轴承 - 891/560M轴承 - 891/600M轴承 - 891/630M轴承 - 891/670M轴承 - 891/710M轴承 -

基本信息

                         
  圆柱滚子推力轴承, 轴承 / 圆柱滚子和保持架止推组件  
                      公差 , 参见文字
                      推荐配合
                      轴和轴承座公差
  主要数据尺寸 基本负荷额定值 疲劳负荷限值 最小负荷系数 额定速度 体积 型号
    动态 静态     参照速度 限制速度   轴承 圆柱滚子和保持架止推组件
  d D H C C0 Pu A          
  mm kN kN - r/min kg -
 10601250115415031000166077140260260891/1060 M-

相同内径1060mm型号

  • 品牌
  • 型号
  • 内径
  • 外径
  • 厚度
  • 系列
  • SKF
  • 238/1060CAKMA/W20轴承
  • 1060
  • 1280
  • 165
  • 球面滚子轴承, 圆柱和圆锥孔, 圆锥型内孔, 无密封件
  • SKF
  • 238/1060CAMA/W20轴承
  • 1060
  • 1280
  • 165
  • 球面滚子轴承, 圆柱和圆锥孔, 圆柱型内孔, 无密封件
  • SKF
  • 248/1060CAK30MA/W20轴承
  • 1060
  • 1280
  • 218
  • 球面滚子轴承, 圆柱和圆锥孔, 圆锥型内孔, 无密封件
  • SKF
  • 248/1060CAMA/W20轴承
  • 1060
  • 1280
  • 218
  • 球面滚子轴承, 圆柱和圆锥孔, 圆柱型内孔, 无密封件
  • SKF
  • 239/1060CAF/W33轴承
  • 1060
  • 1400
  • 250
  • 球面滚子轴承, 圆柱和圆锥孔, 圆柱型内孔, 无密封件
  • SKF
  • 239/1060CAKF/W33轴承
  • 1060
  • 1400
  • 250
  • 球面滚子轴承, 圆柱和圆锥孔, 圆锥型内孔, 无密封件
  • SKF
  • 249/1060CAF/W33轴承
  • 1060
  • 1400
  • 335
  • 球面滚子轴承, 圆柱和圆锥孔, 圆柱型内孔, 无密封件
  • SKF
  • 249/1060CAK30F/W33轴承
  • 1060
  • 1400
  • 335
  • 球面滚子轴承, 圆柱和圆锥孔, 圆锥型内孔, 无密封件
  • SKF
  • 230/1060CAF/W33轴承
  • 1060
  • 1500
  • 325
  • 球面滚子轴承, 圆柱和圆锥孔, 圆柱型内孔, 无密封件
  • SKF
  • 230/1060CAKF/W33轴承
  • 1060
  • 1500
  • 325
  • 球面滚子轴承, 圆柱和圆锥孔, 圆锥型内孔, 无密封件

相同外径1250mm型号

  • 品牌
  • 型号
  • 内径
  • 外径
  • 厚度
  • 系列
  • INA
  • GE950-DO轴承
  • 950
  • 1250
  • 400
  • 关节轴承
  • INA
  • GE950-DW轴承
  • 950
  • 1250
  • 400
  • 大的关节轴承
  • INA
  • GE950-DW-2RS2轴承
  • 950
  • 1250
  • 400
  • 大的关节轴承
  • SKF
  • NCF29/950V轴承
  • 950
  • 1250
  • 175
  • 圆柱滚子轴承, 单列满装滚子, NCF 设计
  • NACHI
  • 239/950EW33K轴承
  • 950
  • 1250
  • 224
  • 球面滚子轴承
  • SKF
  • 619/950MB轴承
  • 950
  • 1250
  • 132
  • 深沟球轴承, 单列, 无密封件
  • SKF
  • BB1B630533轴承
  • 1030
  • 1250
  • 100
  • 深沟球轴承, 单列, 无密封件
  • FAG
  • 293/850E.MB轴承
  • 850
  • 1250
  • 243
  • 推力滚子轴承
  • SKF
  • NU29/950ECMA轴承
  • 950
  • 1250
  • 175
  • 圆柱滚子轴承, 单列, NU 设计
  • SKF
  • BC1B319579轴承
  • 1030
  • 1250
  • 100
  • 圆柱滚子轴承, 单列, N 设计

相同厚度115mm型号

  • 品牌
  • 型号
  • 内径
  • 外径
  • 厚度
  • 系列
  • KOYO
  • 60/560轴承
  • 560
  • 820
  • 115
  • 深沟球轴承
  • KOYO
  • 69/800轴承
  • 800
  • 1060
  • 115
  • 深沟球轴承
  • SKF
  • GEH120TXA-2LS轴承
  • 120
  • 210
  • 115
  • 免维护径向球面滑动轴承, 钢/PTFE织物 , 两面密封件
  • SKF
  • GEH120TXG3A-2LS轴承
  • 120
  • 210
  • 115
  • 免维护径向球面滑动轴承, 钢/PTFE织物 , 两面密封件,不锈钢
  • SKF
  • GEP160FS轴承
  • 160
  • 230
  • 115
  • 免维护径向球面滑动轴承, 钢/PTFE复合材料
  • NTN
  • UCFC205轴承
  • 25
  • 34.1
  • 115
  • 带座外球面球轴承
  • NTN
  • UKFC205;H2305X轴承
  • 20
  • 35
  • 115
  • 外球面球轴承
  • NSK
  • 105KBE52+L轴承
  • 105
  • 190
  • 115
  • 圆锥滚子轴承
  • NSK
  • HR105KBE52+L轴承
  • 105
  • 190
  • 115
  • 双列圆锥滚子轴承
  • NSK
  • 150KBE2502+L轴承
  • 150
  • 250
  • 115
  • 双列圆锥滚子轴承

推荐型号

1210-TVH轴承 NF310M轴承 20210-K-TVP-C3轴承 NF311M轴承 20210-TVP轴承 NF312M轴承 210-NPP-B轴承 NF313M轴承 NF314M轴承 6210轴承 NF315M轴承 6210-2RSR轴承 NF316M轴承 6210-2Z轴承 NF317M轴承 7210-B-2RS-TVP轴承 

轴承型号查询 | 联系我们| 关于我们| 最新资讯| 高级搜索