• 轴承型号查询
  • 普通搜索
  • 高级搜索
  • 联系我们
  • 关于我们
设为首页     加入收藏
轴承型号查询 > SKF > 811/950M轴承

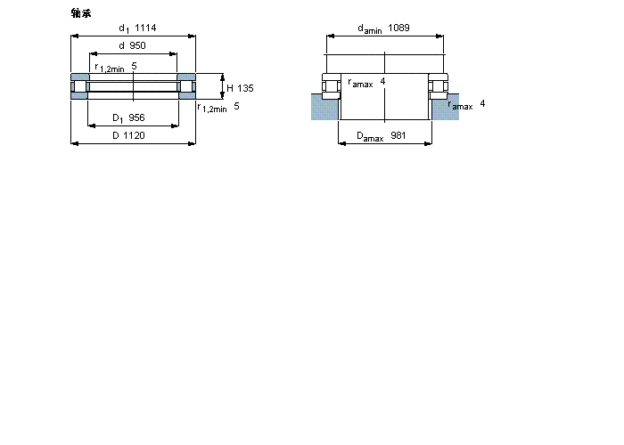
811/950M轴承

型号:811/950M
品牌:SKF
系列:圆柱滚子推力轴承, 轴承 / 圆柱滚子和保持架止推组件
内径:950 mm
外径:1120 mm
厚度:135 mm
【发布日期:】
811/950M是SKF品牌下的圆柱滚子推力轴承, 轴承 / 圆柱滚子和保持架止推组件型号,我司有部分现货库存,811/950M轴承详细参数如下表所示,如有疑问,欢迎拨打0512-62658883进行咨询,并且我司能为客户提供样本图纸,811/950M轴承替代型号,价格等详细资料!
   公司还为您推荐型号:
    81116-TV轴承 - 81128-TV轴承 - 81132-TV轴承 - 81104-TV轴承 - 81134-TV轴承 - 81136-M轴承 - 81140-M轴承 - 81144-M轴承 - 81148-M轴承 - 81152-M轴承 - 81109TVPB轴承 - 81110TVPB轴承 - 81105-TV轴承 - 81156-M轴承 - 81102LPB轴承 -

基本信息

                         
  圆柱滚子推力轴承, 轴承 / 圆柱滚子和保持架止推组件  
                      公差 , 参见文字
                      推荐配合
                      轴和轴承座公差
  主要数据尺寸 基本负荷额定值 疲劳负荷限值 最小负荷系数 额定速度 体积 型号
    动态 静态     参照速度 限制速度   轴承 圆柱滚子和保持架止推组件
  d D H C C0 Pu A          
  mm kN kN - r/min kg -
 9501120135440030000163072140280250811/950 M-

相同内径950mm型号

  • 品牌
  • 型号
  • 内径
  • 外径
  • 厚度
  • 系列
  • SKF
  • 315869A轴承
  • 950
  • 1150
  • 90
  • 圆柱滚子轴承, 单列, N 设计
  • SKF
  • NU29/950ECMA轴承
  • 950
  • 1250
  • 175
  • 圆柱滚子轴承, 单列, NU 设计
  • KOYO
  • 4CR950A轴承
  • 950
  • 1300
  • 965
  • 四列圆柱滚子轴承
  • KOYO
  • 190FC133950轴承
  • 950
  • 1330
  • 950
  • 四列圆柱滚子轴承
  • KOYO
  • 68/950轴承
  • 950
  • 1150
  • 90
  • 深沟球轴承
  • KOYO
  • 69/950轴承
  • 950
  • 1250
  • 132
  • 深沟球轴承
  • SKF
  • NNU40/950KM/W33轴承
  • 950
  • 1360
  • 412
  • 圆柱滚子轴承, 双列, NNU K, 圆锥型内孔
  • SKF
  • NNU40/950M/W33轴承
  • 950
  • 1360
  • 412
  • 圆柱滚子轴承, 双列, NNU
  • SKF
  • BC2-8022/HA1轴承
  • 950
  • 1360
  • 420
  • 圆柱滚子轴承, 双列, NN
  • SKF
  • NNU41/950K30M/W33轴承
  • 950
  • 1500
  • 545
  • 圆柱滚子轴承, 双列, NNU K, 圆锥型内孔

相同外径1120mm型号

  • 品牌
  • 型号
  • 内径
  • 外径
  • 厚度
  • 系列
  • FAG
  • GE850-DW轴承
  • 850
  • 1120
  • 365
  • 大的关节轴承
  • FAG
  • GE850-DW-2RS2轴承
  • 850
  • 1120
  • 365
  • 大的关节轴承
  • SKF
  • BC4B319991/HA4轴承
  • 773.334
  • 1120
  • 800
  • 圆柱滚子轴承, 四列, BC4T.5, 圆锥型内孔
  • SKF
  • 591/950M轴承
  • 950
  • 1120
  • 103
  • 推力球轴承, 单向
  • SKF
  • 511/950F轴承
  • 950
  • 1120
  • 135
  • 推力球轴承, 单向
  • SKF
  • BD1B351883A轴承
  • 980
  • 1120
  • 120
  • 推力球轴承, 单向
  • INA
  • 239/850-K-MB轴承
  • 850
  • 1120
  • 200
  • 调心滚子轴承
  • INA
  • 239/850-MB轴承
  • 850
  • 1120
  • 200
  • 调心滚子轴承
  • INA
  • GE850-DO轴承
  • 850
  • 1120
  • 365
  • 关节轴承
  • FAG
  • 239/850-K-MB轴承
  • 850
  • 1120
  • 200
  • 调心滚子轴承

相同厚度135mm型号

  • 品牌
  • 型号
  • 内径
  • 外径
  • 厚度
  • 系列
  • SKF
  • GE220ES-2LS轴承
  • 220
  • 320
  • 135
  • 需要维护的径向球面滑动轴承, 钢对钢, 两面密封件
  • SKF
  • GE220ES-2RS轴承
  • 220
  • 320
  • 135
  • 需要维护的径向球面滑动轴承, 钢对钢, 两面密封件
  • NACHI
  • 53434U轴承
  • 170
  • 340
  • 135
  • 推力球轴承
  • NACHI
  • 23076EW33K+H3076轴承
  • 360
  • 560
  • 135
  • 调心滚子轴承
  • FAG
  • 23076K.MB轴承
  • 380
  • 560
  • 135
  • 调心滚子轴承
  • NTN
  • 23076B轴承
  • 380
  • 560
  • 135
  • 调心滚子轴承
  • NTN
  • 23076BK轴承
  • 380
  • 560
  • 135
  • 调心滚子轴承
  • NTN
  • 23076BKD1轴承
  • 380
  • 560
  • 135
  • 调心滚子轴承
  • SKF
  • GE220TXA-2LS轴承
  • 220
  • 320
  • 135
  • 免维护径向球面滑动轴承, 钢/PTFE织物 , 两面密封件
  • KOYO
  • 23076RK+H3076轴承
  • 360
  • 560
  • 135
  • 球面滚子轴承

推荐型号

29432轴承 CSCC050轴承 NN3007-AS-K-M-SP轴承 619/800MA轴承 71908CDT轴承 30221轴承 29234轴承 CSEC050轴承 SL183007轴承 361844轴承 71907CDT轴承 30220轴承 4T-05079/05185轴承 CSXC050轴承 4107轴承 60/800N1MAS轴承 

轴承型号查询 | 联系我们| 关于我们| 最新资讯| 高级搜索