• 轴承型号查询
  • 普通搜索
  • 高级搜索
  • 联系我们
  • 关于我们
设为首页     加入收藏
轴承型号查询 > SKF > 5204A-2Z轴承

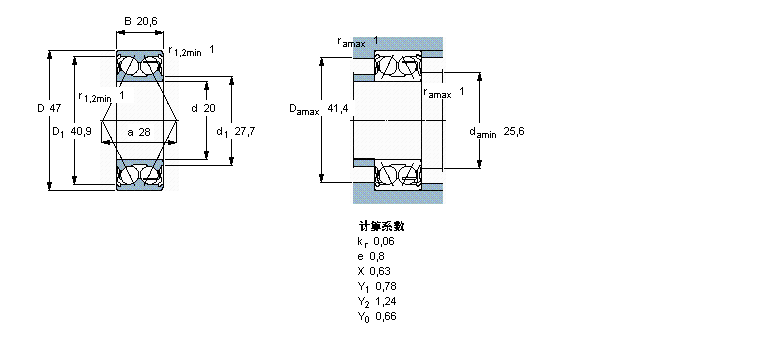
5204A-2Z轴承

型号:5204A-2Z
品牌:SKF
系列:角接触球轴承, 双列, 两面防尘罩
内径:20 mm
外径:47 mm
厚度:20.6 mm
【发布日期:】
5204A-2Z是SKF品牌下的角接触球轴承, 双列, 两面防尘罩型号,我司有部分现货库存,5204A-2Z轴承详细参数如下表所示,如有疑问,欢迎拨打0512-62658883进行咨询,并且我司能为客户提供样本图纸,5204A-2Z轴承替代型号,价格等详细资料!
   公司还为您推荐型号:
    5206NAS轴承 - 5205NAS轴承 - 5204NAS轴承 - 5203NAS轴承 - 5202NAS轴承 - 5201NAS轴承 - 5200NAS轴承 - 5204RS轴承 - 5203RS轴承 - 5209NAS轴承 - 5208NAS轴承 - 5207NAS轴承 - 5205RS轴承 - 5206RS轴承 - 5207RS轴承 -

基本信息

                     
  角接触球轴承, 双列, 两面防尘罩
                    公差 , 参见文字
                    轴向内部间隙, a), b), 参见文字
                    推荐配合
                    轴和轴承座公差
  主要数据尺寸 基本负荷额定值 疲劳负荷限值 额定速度 体积 型号
    动态 静态   参照速度 限制速度
  d D B C C0 Pu * - SKF Explorer 轴承
  mm kN kN r/min kg -
 204720,620120,5114000140000,155204 A-2Z *

相同内径20mm型号

  • 品牌
  • 型号
  • 内径
  • 外径
  • 厚度
  • 系列
  • SKF
  • BK2012轴承
  • 20
  • 26
  • 12
  • 滚针轴承
  • FAG
  • BK2012轴承
  • 20
  • 26
  • 12
  • 滚针轴承
  • IKO
  • TALM2012轴承
  • 20
  • 26
  • 12
  • 滚针轴承
  • IKO
  • TALM2016轴承
  • 20
  • 26
  • 16
  • 滚针轴承
  • NTN
  • NJ2204+HJ2204轴承
  • 20
  • 47
  • 18
  • 圆柱滚子轴承
  • NTN
  • NJ2204ET+HJ2204E轴承
  • 20
  • 47
  • 18
  • 圆柱滚子轴承
  • KOYO
  • 1305K+H305轴承
  • 20
  • 62
  • 17
  • 调心球轴承
  • SKF
  • 2205EK+H305轴承
  • 20
  • 52
  • 18
  • 调心球轴承
  • NTN
  • 2205K;H305X轴承
  • 20
  • 52
  • 18
  • 调心球轴承
  • NACHI
  • 2205K+H305轴承
  • 20
  • 52
  • 18
  • 调心球轴承

相同外径47mm型号

  • 品牌
  • 型号
  • 内径
  • 外径
  • 厚度
  • 系列
  • NTN
  • HTA005DB轴承
  • 25
  • 47
  • 21
  • 成对用角接触球轴承
  • NTN
  • 1303轴承
  • 17
  • 47
  • 14
  • 调心球轴承
  • NTN
  • 2303轴承
  • 17
  • 47
  • 19
  • 调心球轴承
  • NTN
  • 1204轴承
  • 20
  • 47
  • 14
  • 调心球轴承
  • NTN
  • 2204轴承
  • 20
  • 47
  • 18
  • 调心球轴承
  • NTN
  • 1204K轴承
  • 20
  • 47
  • 14
  • 调心球轴承
  • NTN
  • 2204K轴承
  • 20
  • 47
  • 18
  • 调心球轴承
  • NTN
  • 7303轴承
  • 17
  • 47
  • 14
  • 角接触球轴承
  • NTN
  • 7303B轴承
  • 17
  • 47
  • 14
  • 角接触球轴承
  • NTN
  • 7303DB轴承
  • 17
  • 47
  • 14
  • 角接触球轴承

相同厚度20.6mm型号

  • 品牌
  • 型号
  • 内径
  • 外径
  • 厚度
  • 系列
  • NSK
  • 5204轴承
  • 20
  • 47
  • 20.6
  • 双列角接触球轴承
  • NSK
  • 5205轴承
  • 25
  • 52
  • 20.6
  • 双列角接触球轴承
  • SKF
  • 3205A-2Z轴承
  • 25
  • 52
  • 20.6
  • 角接触球轴承
  • SKF
  • 3204A-2RS1轴承
  • 20
  • 47
  • 20.6
  • 角接触球轴承
  • SKF
  • 3204A-2Z轴承
  • 20
  • 47
  • 20.6
  • 角接触球轴承
  • SKF
  • 3205A-2RS1轴承
  • 25
  • 52
  • 20.6
  • 角接触球轴承
  • FAG
  • 3204B.TVH轴承
  • 20
  • 47
  • 20.6
  • 角接触球轴承
  • FAG
  • 3204B.2RSR.TVH轴承
  • 20
  • 47
  • 20.6
  • 角接触球轴承
  • FAG
  • 3204B.2ZR.TVH轴承
  • 20
  • 47
  • 20.6
  • 角接触球轴承
  • FAG
  • 3205B.TVH轴承
  • 25
  • 52
  • 20.6
  • 角接触球轴承

推荐型号

BK4012轴承 BK1712轴承 BK2012轴承 BK2816轴承 BK1416轴承 BK5020轴承 BK5520轴承 BK6020轴承 BK2820轴承 BK2512轴承 BK0408TN轴承 BK1712轴承 BK2012轴承 BK2816轴承 BK0810A轴承 BK0910A轴承 

轴承型号查询 | 联系我们| 关于我们| 最新资讯| 高级搜索