• 轴承型号查询
  • 普通搜索
  • 高级搜索
  • 联系我们
  • 关于我们
设为首页     加入收藏
轴承型号查询 > SKF > 511/670F轴承

511/670F轴承

型号:511/670F
品牌:SKF
系列:推力球轴承, 单向
内径:670 mm
外径:800 mm
厚度:105 mm
【发布日期:】
511/670F是SKF品牌下的推力球轴承, 单向型号,我司有部分现货库存,511/670F轴承详细参数如下表所示,如有疑问,欢迎拨打0512-62658883进行咨询,并且我司能为客户提供样本图纸,511/670F轴承替代型号,价格等详细资料!
   公司还为您推荐型号:
    51124轴承 - 51128轴承 - 51192-MP轴承 - 51132-MP轴承 - 51134-MP轴承 - 51180-MP轴承 - 51136-MP轴承 - 51140-MP轴承 - 51144-MP轴承 - 51148-MP轴承 - 51152-MP轴承 - 51156-MP轴承 - 51160-MP轴承 - 51164-MP轴承 - 51168-MP轴承 -

基本信息

                       
  推力球轴承, 单向
                      公差 , 参见文字
                      推荐配合
                      轴和轴承座公差
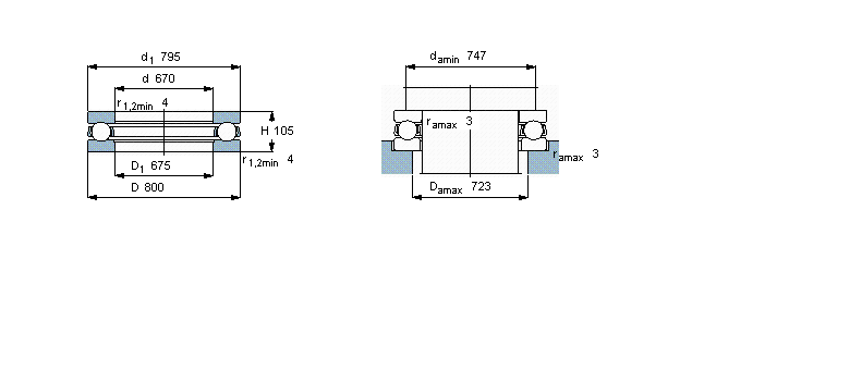
  主要数据尺寸 基本负荷额定值 疲劳负荷限值 最小负荷系数 额定速度 体积 型号
    动态 静态     参照速度 限制速度
  d D H C C0 Pu A
  mm kN kN - r/min kg -
 670800105852670091,5230400560105511/670 F

相同内径670mm型号

  • 品牌
  • 型号
  • 内径
  • 外径
  • 厚度
  • 系列
  • FAG
  • 292/670E.MB轴承
  • 670
  • 900
  • 140
  • 推力滚子轴承
  • FAG
  • 293/670E.MB轴承
  • 670
  • 1000
  • 200
  • 推力滚子轴承
  • FAG
  • 294/670E.MB轴承
  • 670
  • 1150
  • 290
  • 推力滚子轴承
  • SKF
  • 292/670E轴承
  • 670
  • 900
  • 140
  • 推力滚子轴承
  • FAG
  • 618/670轴承
  • 670
  • 820
  • 69
  • 深沟球轴承
  • INA
  • 618/670-M轴承
  • 670
  • 820
  • 69
  • 深沟球轴承
  • INA
  • NU19/670-M1轴承
  • 670
  • 900
  • 103
  • 圆柱滚子轴承
  • INA
  • 239/670-B-K-MB轴承
  • 670
  • 900
  • 170
  • 调心滚子轴承
  • INA
  • 239/670-B-MB轴承
  • 670
  • 900
  • 170
  • 调心滚子轴承
  • INA
  • GE670-DO轴承
  • 670
  • 900
  • 308
  • 关节轴承

相同外径800mm型号

  • 品牌
  • 型号
  • 内径
  • 外径
  • 厚度
  • 系列
  • SKF
  • 316115轴承
  • 550
  • 800
  • 260
  • 圆柱滚子轴承, 双列, NNU.3
  • FAG
  • 239/600BK.MB+AH39/600轴承
  • 600
  • 800
  • 150
  • 调心滚子轴承
  • SKF
  • 316115/VJ202轴承
  • 550
  • 800
  • 520
  • 圆柱滚子轴承, 四列, BC4.9
  • SKF
  • BC4B322719/HB1轴承
  • 550
  • 800
  • 560
  • 圆柱滚子轴承, 四列, BC4.1
  • SKF
  • BC4-8046/HB1轴承
  • 556
  • 800
  • 580
  • 圆柱滚子轴承, 四列, BC4.10
  • SKF
  • 239/600CA/W33轴承
  • 600
  • 800
  • 150
  • 球面滚子轴承, 圆柱和圆锥孔, 圆柱型内孔, 无密封件
  • SKF
  • 239/600CAK/W33轴承
  • 600
  • 800
  • 150
  • 球面滚子轴承, 圆柱和圆锥孔, 圆锥型内孔, 无密封件
  • FAG
  • 239/600BK.MB+H39/600轴承
  • 600
  • 800
  • 150
  • 调心滚子轴承
  • SKF
  • BT4-8055G/HA1VA902轴承
  • 620
  • 800
  • 363.5
  • 圆锥滚子轴承, 四列,TQO结构, TQOSN/GWISO, 轴承孔中的螺旋槽
  • SKF
  • BT4B328510/HA1轴承
  • 620
  • 800
  • 363.5
  • 圆锥滚子轴承, 四列,TQO结构, TQO/WI /WIY/W

相同厚度105mm型号

  • 品牌
  • 型号
  • 内径
  • 外径
  • 厚度
  • 系列
  • NACHI
  • 30348轴承
  • 240
  • 500
  • 105
  • 圆锥滚子轴承
  • NACHI
  • 53338轴承
  • 190
  • 320
  • 105
  • 推力球轴承
  • NACHI
  • 54320轴承
  • 100
  • 170
  • 105
  • 推力球轴承
  • NACHI
  • 54317U轴承
  • 85
  • 150
  • 105
  • 推力球轴承
  • FAG
  • 51338M轴承
  • 190
  • 315
  • 105
  • 推力球轴承
  • SKF
  • 332168轴承
  • 300
  • 440
  • 105
  • 圆锥滚子轴承, 双列,TDI结构, TDI/Y21 TDIS/N /N1 /N1Y
  • SKF
  • 332168A轴承
  • 300
  • 440
  • 105
  • 圆锥滚子轴承, 双列,TDI结构, TDI/Y21 TDIS/N /N1 /N1Y
  • SKF
  • 51338轴承
  • 190
  • 320
  • 105
  • 推力球轴承
  • SKF
  • BA2B311635轴承
  • 630
  • 730
  • 105
  • 角接触球轴承, 单列,用于配对安装, 背对背配对
  • SKF
  • QJ1264N2MA轴承
  • 320
  • 580
  • 105
  • 角接触球轴承, 四点接触球轴承

推荐型号

NUP2222-E-TVP2轴承 6001-RZ轴承 SL182222轴承 6001-RS轴承 6000-RZ轴承 32222-A轴承 6000-RS轴承 23124-E1-K-TVPB+H3124轴承 609-RZ轴承 23124-E1A-K-M+H3124轴承 609-RS轴承 F-803029.PRL轴承 23222-E1-K-TVPB轴承 608-RZ轴承 23222-E1-TVPB轴承 608-RS轴承 

轴承型号查询 | 联系我们| 关于我们| 最新资讯| 高级搜索