• 轴承型号查询
  • 普通搜索
  • 高级搜索
  • 联系我们
  • 关于我们
设为首页     加入收藏
轴承型号查询 > SKF > 4309ATN9轴承

4309ATN9轴承

型号:4309ATN9
品牌:SKF
系列:深沟球轴承, 双列
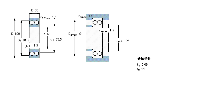
内径:45 mm
外径:100 mm
厚度:36 mm
【发布日期:】
4309ATN9是SKF品牌下的深沟球轴承, 双列型号,我司有部分现货库存,4309ATN9轴承详细参数如下表所示,如有疑问,欢迎拨打0512-62658883进行咨询,并且我司能为客户提供样本图纸,4309ATN9轴承替代型号,价格等详细资料!
   公司还为您推荐型号:
    4304轴承 - 4305轴承 - 4306轴承 - 4307轴承 - 4308轴承 - 4309轴承 - 4302轴承 - 4303轴承 - 4301ATN9轴承 - 4302ATN9轴承 - 4303ATN9轴承 - 4304ATN9轴承 - 4305ATN9轴承 - 4306ATN9轴承 - 4307ATN9轴承 -

基本信息

                     
  深沟球轴承, 双列
                  公差 , 参见文字
                  径向内部游隙 , 参见文字
                  推荐配合
                  轴和轴承座公差
  主要数据尺寸 尺寸 [英寸] 疲劳负荷限值 额定速度 体积 型号
    动态 静态   参照速度 限制速度
  d D B C C0 Pu
  mm kN kN r/min kg -
 451003668,9562,41100060001,254309 ATN9

相同内径45mm型号

  • 品牌
  • 型号
  • 内径
  • 外径
  • 厚度
  • 系列
  • NTN
  • K45×50×27轴承
  • 45
  • 50
  • 27
  • 滚针轴承
  • NTN
  • K45×53×20轴承
  • 45
  • 53
  • 20
  • 滚针轴承
  • NTN
  • RNA4909轴承
  • 45
  • 68
  • 22
  • 滚针轴承
  • FAG
  • NKJ45/35A轴承
  • 45
  • 62
  • 35
  • 滚针轴承
  • FAG
  • NKJ45/25A轴承
  • 45
  • 62
  • 25
  • 滚针轴承
  • NACHI
  • 22309EW33K轴承
  • 45
  • 100
  • 36
  • 调心滚子轴承
  • NACHI
  • 22209EW33K轴承
  • 45
  • 85
  • 23
  • 调心滚子轴承
  • NSK
  • 22309HKE4轴承
  • 45
  • 100
  • 36
  • 调心滚子轴承
  • NSK
  • 22209HKE4轴承
  • 45
  • 85
  • 23
  • 调心滚子轴承
  • NTN
  • NA4909轴承
  • 45
  • 68
  • 22
  • 滚针轴承

相同外径100mm型号

  • 品牌
  • 型号
  • 内径
  • 外径
  • 厚度
  • 系列
  • NTN
  • 6309-2Z轴承
  • 45
  • 100
  • 25
  • 深沟球轴承
  • KOYO
  • 6013-2RZ轴承
  • 65
  • 100
  • 18
  • 深沟球轴承
  • KOYO
  • 6211-2RZ轴承
  • 55
  • 100
  • 21
  • 深沟球轴承
  • KOYO
  • 6211-2RS轴承
  • 55
  • 100
  • 21
  • 深沟球轴承
  • KOYO
  • 6013-2RS轴承
  • 65
  • 100
  • 18
  • 深沟球轴承
  • NSK
  • 6013-2RZ轴承
  • 65
  • 100
  • 18
  • 深沟球轴承
  • NSK
  • 6013-2RS轴承
  • 65
  • 100
  • 18
  • 深沟球轴承
  • NTN
  • 61914-2RZ轴承
  • 70
  • 100
  • 16
  • 深沟球轴承
  • NTN
  • 61914-2RS轴承
  • 70
  • 100
  • 16
  • 深沟球轴承
  • NTN
  • 6013-2RZ轴承
  • 65
  • 100
  • 18
  • 深沟球轴承

相同厚度36mm型号

  • 品牌
  • 型号
  • 内径
  • 外径
  • 厚度
  • 系列
  • NACHI
  • 7011C/DF轴承
  • 55
  • 90
  • 36
  • 角接触球轴承
  • NACHI
  • 7012C/DF轴承
  • 60
  • 95
  • 36
  • 角接触球轴承
  • NACHI
  • 7013C/DF轴承
  • 65
  • 100
  • 36
  • 角接触球轴承
  • NACHI
  • 7208C/DF轴承
  • 40
  • 80
  • 36
  • 角接触球轴承
  • NACHI
  • 7011AC/DF轴承
  • 55
  • 90
  • 36
  • 角接触球轴承
  • NACHI
  • 7012AC/DF轴承
  • 60
  • 95
  • 36
  • 角接触球轴承
  • NACHI
  • 7013AC/DF轴承
  • 65
  • 100
  • 36
  • 角接触球轴承
  • NACHI
  • 7208AC/DF轴承
  • 40
  • 80
  • 36
  • 角接触球轴承
  • NACHI
  • 7208B/DF轴承
  • 40
  • 80
  • 36
  • 角接触球轴承
  • SKF
  • NU2309ECM轴承
  • 45
  • 100
  • 36
  • 圆柱滚子轴承

推荐型号

7311C/DB轴承 7310C/DB轴承 7309C/DB轴承 7308C/DB轴承 7306C/DB轴承 7305C/DB轴承 7304C/DB轴承 7307C/DB轴承 7340C/DB轴承 7338C/DB轴承 7336C/DB轴承 7334C/DB轴承 7332C/DB轴承 7330C/DB轴承 7326C/DB轴承 7324C/DB轴承 

轴承型号查询 | 联系我们| 关于我们| 最新资讯| 高级搜索