• 轴承型号查询
  • 普通搜索
  • 高级搜索
  • 联系我们
  • 关于我们
设为首页     加入收藏
轴承型号查询 > SKF > 33017/QDFC240轴承

33017/QDFC240轴承

型号:33017/QDFC240
品牌:SKF
系列:圆锥滚子轴承, 单列,面对面配对
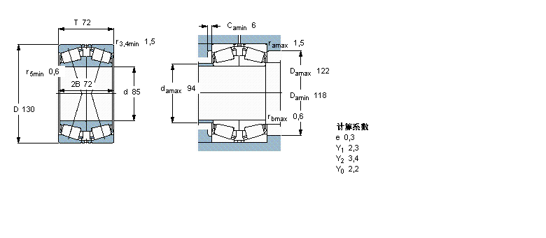
内径:85 mm
外径:130 mm
厚度:72 mm
【发布日期:】
33017/QDFC240是SKF品牌下的圆锥滚子轴承, 单列,面对面配对型号,我司有部分现货库存,33017/QDFC240轴承详细参数如下表所示,如有疑问,欢迎拨打0512-62658883进行咨询,并且我司能为客户提供样本图纸,33017/QDFC240轴承替代型号,价格等详细资料!
   公司还为您推荐型号:
    3307-DA轴承 - 3308-DA-MA轴承 - 33009轴承 - 33010轴承 - 33015JR轴承 - 33016JR轴承 - 33011轴承 - 33012轴承 - 33006JR轴承 - 33020JR轴承 - 33021JR轴承 - 33022JR轴承 - 33013轴承 - 33017JR轴承 - 33018JR轴承 -

基本信息

                     
  圆锥滚子轴承, 单列,面对面配对
                    公差 , 参见文字
                    轴向内部间隙, 参见文字
                    推荐配合
                    轴和轴承座公差
  主要数据尺寸 基本负荷额定值 疲劳负荷限值 额定速度 体积 型号
    动态 静态   参照速度 限制速度
  d D T C C0 Pu
  mm kN kN r/min kg -
 851307230862069,5280048003,5533017/QDFC240

相同内径85mm型号

  • 品牌
  • 型号
  • 内径
  • 外径
  • 厚度
  • 系列
  • FAG
  • 52417轴承
  • 85
  • 180
  • 128
  • 推力球轴承
  • NSK
  • 22217HE4轴承
  • 85
  • 150
  • 36
  • 调心滚子轴承
  • KOYO
  • 52217轴承
  • 85
  • 125
  • 55
  • 推力球轴承
  • FAG
  • 22317EAS.M轴承
  • 85
  • 180
  • 60
  • 调心滚子轴承
  • KOYO
  • 52317轴承
  • 85
  • 150
  • 87
  • 推力球轴承
  • KOYO
  • 52417轴承
  • 85
  • 180
  • 128
  • 推力球轴承
  • FAG
  • 22217ES.TVPB轴承
  • 85
  • 150
  • 36
  • 调心滚子轴承
  • SKF
  • 81117轴承
  • 85
  • 110
  • 19
  • 推力滚子轴承
  • NACHI
  • 7017轴承
  • 85
  • 130
  • 22
  • 角接触球轴承
  • NACHI
  • 7017C轴承
  • 85
  • 130
  • 22
  • 角接触球轴承

相同外径130mm型号

  • 品牌
  • 型号
  • 内径
  • 外径
  • 厚度
  • 系列
  • KOYO
  • 29412R轴承
  • 60
  • 130
  • 球面滚子推力轴承
  • NSK
  • 6215-RZ轴承
  • 75
  • 130
  • 25
  • 深沟球轴承
  • NSK
  • 6215-RS轴承
  • 75
  • 130
  • 25
  • 深沟球轴承
  • KOYO
  • 60172RS轴承
  • 85
  • 130
  • 22
  • 深沟球轴承
  • KOYO
  • 60172RU轴承
  • 85
  • 130
  • 22
  • 深沟球轴承
  • SKF
  • 22312EKH2312轴承
  • 55
  • 130
  • 46
  • 调心滚子轴承
  • KOYO
  • 46T30215JR/51.5轴承
  • 75
  • 130
  • 圆锥滚子轴承
  • KOYO
  • 6017-RZ轴承
  • 85
  • 130
  • 22
  • 深沟球轴承
  • KOYO
  • 46T32215JR/61.5轴承
  • 75
  • 130
  • 圆锥滚子轴承
  • KOYO
  • 6017-RS轴承
  • 85
  • 130
  • 22
  • 深沟球轴承

相同厚度72mm型号

  • 品牌
  • 型号
  • 内径
  • 外径
  • 厚度
  • 系列
  • FAG
  • 234424-M-SP轴承
  • 120
  • 180
  • 72
  • 推力角接触球轴承
  • SKF
  • NJ424ECM轴承
  • 120
  • 310
  • 72
  • 圆柱滚子轴承
  • NSK
  • 6334轴承
  • 170
  • 360
  • 72
  • 深沟球轴承
  • SKF
  • NJ248ECM轴承
  • 240
  • 440
  • 72
  • 圆柱滚子轴承
  • NSK
  • 6248轴承
  • 240
  • 440
  • 72
  • 深沟球轴承
  • SKF
  • NU424ECM轴承
  • 120
  • 310
  • 72
  • 圆柱滚子轴承
  • KOYO
  • 7221B/DT轴承
  • 105
  • 190
  • 72
  • 角接触球轴承
  • SKF
  • 7221AC/DT轴承
  • 105
  • 190
  • 72
  • 角接触球轴承
  • KOYO
  • NF248轴承
  • 240
  • 440
  • 72
  • 圆柱滚子轴承
  • KOYO
  • NF334轴承
  • 170
  • 360
  • 72
  • 圆柱滚子轴承

推荐型号

240/950CAF/W33轴承 6903LLB轴承 71920C/DF轴承 NJ2216EM轴承 GAR25-DO轴承 240/950CAK30F/W33轴承 6903LLU轴承 71919C/DF轴承 GAR25-UK轴承 NJ2220EM轴承 241/950ECAF/W33轴承 71917C/DF轴承 6903N轴承 GIL25-DO轴承 NJ2204R轴承 241/950ECAK30F/W33轴承 

轴承型号查询 | 联系我们| 关于我们| 最新资讯| 高级搜索