• 轴承型号查询
  • 普通搜索
  • 高级搜索
  • 联系我们
  • 关于我们
设为首页     加入收藏
轴承型号查询 > SKF > 30320J2/DFC400轴承

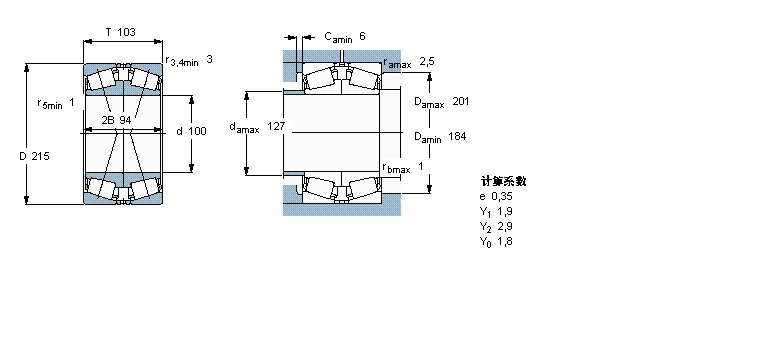
30320J2/DFC400轴承

型号:30320J2/DFC400
品牌:SKF
系列:圆锥滚子轴承, 单列,面对面配对
内径:100 mm
外径:215 mm
厚度:103 mm
【发布日期:】
30320J2/DFC400是SKF品牌下的圆锥滚子轴承, 单列,面对面配对型号,我司有部分现货库存,30320J2/DFC400轴承详细参数如下表所示,如有疑问,欢迎拨打0512-62658883进行咨询,并且我司能为客户提供样本图纸,30320J2/DFC400轴承替代型号,价格等详细资料!
   公司还为您推荐型号:
    30322轴承 - 30330A+T2GB150轴承 - 30332A+T2GB160轴承 - 30303轴承 - 30308轴承 - 30307轴承 - 30305轴承 - 30306轴承 - 30304轴承 - 30302轴承 - 30309轴承 - 30310轴承 - 30311轴承 - 30313轴承 - 30312轴承 -

基本信息

                     
  圆锥滚子轴承, 单列,面对面配对
                    公差 , 参见文字
                    轴向内部间隙, 参见文字
                    推荐配合
                    轴和轴承座公差
  主要数据尺寸 基本负荷额定值 疲劳负荷限值 额定速度 体积 型号
    动态 静态   参照速度 限制速度
  d D T C C0 Pu
  mm kN kN r/min kg -
 1002151036939801061900320016,530320J2/DFC400

相同内径100mm型号

  • 品牌
  • 型号
  • 内径
  • 外径
  • 厚度
  • 系列
  • IKO
  • CRBH10020A轴承
  • 100
  • 150
  • 20
  • 交叉滚子轴承
  • IKO
  • CRBH10020AUU轴承
  • 100
  • 150
  • 20
  • 交叉滚子轴承
  • IKO
  • CRBC10020轴承
  • 100
  • 150
  • 20
  • 交叉滚子轴承
  • IKO
  • CRBC10020UU轴承
  • 100
  • 150
  • 20
  • 交叉滚子轴承
  • IKO
  • CRB10020轴承
  • 100
  • 150
  • 20
  • 交叉滚子轴承
  • IKO
  • CRB10020UU轴承
  • 100
  • 150
  • 20
  • 交叉滚子轴承
  • KOYO
  • 1322K+H322轴承
  • 100
  • 240
  • 50
  • 调心球轴承
  • SKF
  • 2222K+H322轴承
  • 100
  • 200
  • 53
  • 调心球轴承
  • NTN
  • 2222K;H322X轴承
  • 100
  • 200
  • 53
  • 调心球轴承
  • SKF
  • 23122CCK/W33OH3122H轴承
  • 100
  • 180
  • 56
  • 调心滚子轴承

相同外径215mm型号

  • 品牌
  • 型号
  • 内径
  • 外径
  • 厚度
  • 系列
  • NSK
  • N320轴承
  • 100
  • 215
  • 47
  • 圆柱滚子轴承
  • NSK
  • NU320轴承
  • 100
  • 215
  • 47
  • 圆柱滚子轴承
  • NSK
  • NU320EM轴承
  • 100
  • 215
  • 47
  • 圆柱滚子轴承
  • NSK
  • NJ320轴承
  • 100
  • 215
  • 47
  • 圆柱滚子轴承
  • NSK
  • NUP320轴承
  • 100
  • 215
  • 47
  • 圆柱滚子轴承
  • NSK
  • NUP320EM轴承
  • 100
  • 215
  • 47
  • 圆柱滚子轴承
  • NSK
  • NUP2320ET轴承
  • 100
  • 215
  • 73
  • 圆柱滚子轴承
  • NSK
  • NUP224EM轴承
  • 120
  • 215
  • 40
  • 圆柱滚子轴承
  • NSK
  • NUP2224EM轴承
  • 120
  • 215
  • 58
  • 圆柱滚子轴承
  • NSK
  • 150TMP12轴承
  • 150
  • 215
  • 50
  • 推力圆柱滚子轴承

相同厚度103mm型号

  • 品牌
  • 型号
  • 内径
  • 外径
  • 厚度
  • 系列
  • NSK
  • 69/670轴承
  • 670
  • 900
  • 103
  • 深沟球轴承
  • FAG
  • NU19/670-M1轴承
  • 670
  • 900
  • 103
  • 圆柱滚子轴承
  • NSK
  • 29434轴承
  • 170
  • 340
  • 103
  • 推力圆柱滚子轴承
  • NSK
  • 29296轴承
  • 480
  • 650
  • 103
  • 推力圆柱滚子轴承
  • NSK
  • 292/500轴承
  • 500
  • 670
  • 103
  • 推力圆柱滚子轴承
  • NTN
  • 29434轴承
  • 170
  • 340
  • 103
  • 推力滚子轴承
  • NTN
  • 423040E1轴承
  • 200
  • 310
  • 103
  • 双列圆锥滚子轴承
  • NTN
  • 29296轴承
  • 480
  • 650
  • 103
  • 推力滚子轴承
  • NTN
  • 292/500轴承
  • 500
  • 670
  • 103
  • 推力滚子轴承
  • FAG
  • 29434E轴承
  • 170
  • 340
  • 103
  • 推力滚子轴承

推荐型号

BK4012轴承 BK1712轴承 BK2012轴承 BK2816轴承 BK1416轴承 BK5020轴承 BK5520轴承 BK6020轴承 BK2820轴承 BK2512轴承 BK0408TN轴承 BK1712轴承 BK2012轴承 BK2816轴承 BK0810A轴承 BK0910A轴承 

轴承型号查询 | 联系我们| 关于我们| 最新资讯| 高级搜索