• 轴承型号查询
  • 普通搜索
  • 高级搜索
  • 联系我们
  • 关于我们
设为首页     加入收藏
轴承型号查询 > SKF > 241/630ECA/W33轴承

241/630ECA/W33轴承

型号:241/630ECA/W33
品牌:SKF
系列:球面滚子轴承, 圆柱和圆锥孔, 圆柱型内孔, 无密封件
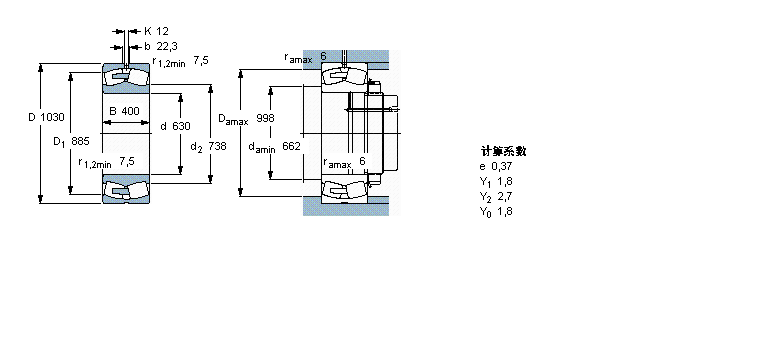
内径:630 mm
外径:1030 mm
厚度:400 mm
【发布日期:】
241/630ECA/W33是SKF品牌下的球面滚子轴承, 圆柱和圆锥孔, 圆柱型内孔, 无密封件型号,我司有部分现货库存,241/630ECA/W33轴承详细参数如下表所示,如有疑问,欢迎拨打0512-62658883进行咨询,并且我司能为客户提供样本图纸,241/630ECA/W33轴承替代型号,价格等详细资料!
   公司还为您推荐型号:
    241/800ECA/W33轴承 - 241/800ECAK30/W33轴承 - 24122BK30+AH24122轴承 - 24124BK30+AH24124轴承 - 24126BK30+AH24126轴承 - 24128BK30+AH24128轴承 - 24130BK30+AH24130轴承 - 24132BK30+AH24132轴承 - 24134BK30+AH24134轴承 - 24136BK30+AH24136轴承 - 24138BK30+AH24138轴承 - 24140BK30+AH24140轴承 - 24144BK30+AH24144H轴承 - 24148BK30+AH24148H轴承 - 24152BK30+AH24152H轴承 -

基本信息

                     
  球面滚子轴承, 圆柱和圆锥孔, 圆柱型内孔, 无密封件
              公差 , 参见文字
              径向内部间隙, 圆柱型内孔 , 圆锥型内孔, 无密封件 , 参见文字
              推荐配合
              轴和轴承座公差
  主要数据尺寸 基本负荷额定值 疲劳负荷限值 额定速度 体积 型号
    动态 静态   参照速度 限制速度
  d D B C C0 Pu
  mm kN kN r/min kg -
 6301030400127002700016301902801400241/630 ECA/W33

相同内径630mm型号

  • 品牌
  • 型号
  • 内径
  • 外径
  • 厚度
  • 系列
  • NSK
  • 239/630CAE4轴承
  • 630
  • 850
  • 165
  • 调心滚子轴承
  • NSK
  • 230/630CAE4轴承
  • 630
  • 920
  • 212
  • 调心滚子轴承
  • NSK
  • 240/630CAE4轴承
  • 630
  • 920
  • 290
  • 调心滚子轴承
  • NSK
  • 231/630CAE4轴承
  • 630
  • 1 030
  • 315
  • 调心滚子轴承
  • NSK
  • 241/630CAE4轴承
  • 630
  • 1 030
  • 400
  • 调心滚子轴承
  • NSK
  • 232/630CAE4轴承
  • 630
  • 1 150
  • 412
  • 调心滚子轴承
  • NSK
  • 239/630CAKE4轴承
  • 630
  • 850
  • 165
  • 调心滚子轴承
  • NSK
  • 230/630CAKE4轴承
  • 630
  • 920
  • 212
  • 调心滚子轴承
  • NSK
  • 240/630CAK30E4轴承
  • 630
  • 920
  • 290
  • 调心滚子轴承
  • NSK
  • 231/630CAKE4轴承
  • 630
  • 1 030
  • 315
  • 调心滚子轴承

相同外径1030mm型号

  • 品牌
  • 型号
  • 内径
  • 外径
  • 厚度
  • 系列
  • INA
  • F-800592.ZL-K-C5轴承
  • 630
  • 1030
  • 315
  • 圆柱滚子轴承
  • INA
  • 241/630-B-K30-MB轴承
  • 630
  • 1030
  • 400
  • 调心滚子轴承
  • INA
  • 230/710-B-K-MB轴承
  • 710
  • 1030
  • 236
  • 调心滚子轴承
  • INA
  • 230/710-B-MB轴承
  • 710
  • 1030
  • 236
  • 调心滚子轴承
  • INA
  • Z-565686.ZL-K-C5轴承
  • 710
  • 1030
  • 236
  • 圆柱滚子轴承
  • INA
  • 240/710-B-K30-MB轴承
  • 710
  • 1030
  • 315
  • 调心滚子轴承
  • INA
  • 618/850-M轴承
  • 850
  • 1030
  • 82
  • 深沟球轴承
  • KOYO
  • 463/630轴承
  • 630
  • 1030
  • 圆锥滚子轴承
  • KOYO
  • 463/630A轴承
  • 630
  • 1030
  • 圆锥滚子轴承
  • KOYO
  • 462/710轴承
  • 710
  • 1030
  • 圆锥滚子轴承

相同厚度400mm型号

  • 品牌
  • 型号
  • 内径
  • 外径
  • 厚度
  • 系列
  • SKF
  • N30/1320/VE901轴承
  • 1320
  • 1850
  • 400
  • 圆柱滚子轴承, 单列, N 设计
  • INA
  • GE950-DO轴承
  • 950
  • 1250
  • 400
  • 关节轴承
  • INA
  • GE950-DW轴承
  • 950
  • 1250
  • 400
  • 大的关节轴承
  • INA
  • GE950-DW-2RS2轴承
  • 950
  • 1250
  • 400
  • 大的关节轴承
  • SKF
  • GEP560FS轴承
  • 560
  • 800
  • 400
  • 免维护径向球面滑动轴承, 钢/PTFE复合材料
  • SKF
  • GEC950FBAS轴承
  • 950
  • 1250
  • 400
  • 免维护径向球面滑动轴承, 钢/PTFE复合材料
  • SKF
  • BC2B320996轴承
  • 510
  • 760
  • 400
  • 圆柱滚子轴承, 双列, NNUB
  • SKF
  • NNU41/630K30M/W33轴承
  • 630
  • 1030
  • 400
  • 圆柱滚子轴承, 双列, NNU K, 圆锥型内孔
  • SKF
  • NNU41/630M/W33轴承
  • 630
  • 1030
  • 400
  • 圆柱滚子轴承, 双列, NNU
  • SKF
  • BC4B457939VAA轴承
  • 356.67
  • 550
  • 400
  • 圆柱滚子轴承, 四列, BC4T.3, 圆锥型内孔

推荐型号

331476轴承 7214B/DF轴承 22211BK+H311X轴承 NU426轴承 RAKY1-1/4-206轴承 BT2B331854/HA1轴承 21311K+H311X轴承 7213B/DF轴承 NU428轴承 RASE1-1/4轴承 331677轴承 7212B/DF轴承 22311BK+H2311X轴承 RASE1-1/4-206轴承 NU430轴承 BT2B331858/HA1轴承 

轴承型号查询 | 联系我们| 关于我们| 最新资讯| 高级搜索