• 轴承型号查询
  • 普通搜索
  • 高级搜索
  • 联系我们
  • 关于我们
设为首页     加入收藏
轴承型号查询 > SKF > 24132CC/W33轴承

24132CC/W33轴承

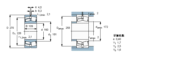
型号:24132CC/W33
品牌:SKF
系列:球面滚子轴承, 圆柱和圆锥孔, 圆柱型内孔, 无密封件
内径:160 mm
外径:270 mm
厚度:109 mm
【发布日期:】
24132CC/W33是SKF品牌下的球面滚子轴承, 圆柱和圆锥孔, 圆柱型内孔, 无密封件型号,我司有部分现货库存,24132CC/W33轴承详细参数如下表所示,如有疑问,欢迎拨打0512-62658883进行咨询,并且我司能为客户提供样本图纸,24132CC/W33轴承替代型号,价格等详细资料!
   公司还为您推荐型号:
    24126-E1-K30+AH24126轴承 - 24126-E1轴承 - 24126-E1-K30轴承 - 24128-E1轴承 - 24128-E1-K30轴承 - 24188-B轴承 - 24188-B-K30轴承 - 24192-B-K30-MB+AH24192轴承 - 24130-E1-K30+AH24130轴承 - 24130-E1轴承 - 24132-E1-K30+AH24132轴承 - 24134-E1轴承 - 24134-E1-K30轴承 - 24136-E1-K30+AH24136轴承 - 24176-B轴承 -

基本信息

                     
  球面滚子轴承, 圆柱和圆锥孔, 圆柱型内孔, 无密封件
              公差 , 参见文字
              径向内部间隙, 圆柱型内孔 , 圆锥型内孔, 无密封件 , 参见文字
              推荐配合
              轴和轴承座公差
  主要数据尺寸 基本负荷额定值 疲劳负荷限值 额定速度 体积 型号
    动态 静态   参照速度 限制速度
  d D B C C0 Pu * - SKF Explorer 轴承
  mm kN kN r/min kg -
 160270109118017601631300190025,024132 CC/W33 *

相同内径160mm型号

  • 品牌
  • 型号
  • 内径
  • 外径
  • 厚度
  • 系列
  • NSK
  • 23136CK+H3136轴承
  • 160
  • 300
  • 96
  • 调心滚子轴承
  • NSK
  • 23932CAE4轴承
  • 160
  • 220
  • 45
  • 调心滚子轴承
  • NSK
  • 23032CDE4轴承
  • 160
  • 240
  • 60
  • 调心滚子轴承
  • NSK
  • 24032CE4轴承
  • 160
  • 240
  • 80
  • 调心滚子轴承
  • NSK
  • 23132CE4轴承
  • 160
  • 270
  • 86
  • 调心滚子轴承
  • NSK
  • 24132CE4轴承
  • 160
  • 270
  • 109
  • 调心滚子轴承
  • NSK
  • 22232CDE4轴承
  • 160
  • 290
  • 80
  • 调心滚子轴承
  • NSK
  • 23232CE4轴承
  • 160
  • 290
  • 104
  • 调心滚子轴承
  • NSK
  • 22332CAE4轴承
  • 160
  • 340
  • 114
  • 调心滚子轴承
  • NSK
  • 23932CAKE4轴承
  • 160
  • 220
  • 45
  • 调心滚子轴承

相同外径270mm型号

  • 品牌
  • 型号
  • 内径
  • 外径
  • 厚度
  • 系列
  • FAG
  • 51144MP轴承
  • 220
  • 270
  • 37
  • 推力球轴承
  • FAG
  • 51426M轴承
  • 130
  • 270
  • 110
  • 推力球轴承
  • SKF
  • 51144轴承
  • 220
  • 270
  • 37
  • 推力球轴承
  • IKO
  • NA4844轴承
  • 220
  • 270
  • 50
  • 滚针轴承
  • KOYO
  • 7230C轴承
  • 150
  • 270
  • 45
  • 角接触球轴承
  • FAG
  • NJ2230E.TVP2+HJ2230E轴承
  • 150
  • 270
  • 73
  • 圆柱滚子轴承
  • NSK
  • NF230M轴承
  • 150
  • 270
  • 45
  • 圆柱滚子轴承
  • SKF
  • 7230CD轴承
  • 150
  • 270
  • 45
  • 角接触球轴承
  • SKF
  • 314199B轴承
  • 190
  • 270
  • 200
  • 圆柱滚子轴承, 四列, BC4.1
  • SKF
  • 313153轴承
  • 192
  • 270
  • 170
  • 圆柱滚子轴承, 四列, BC4T.1, 圆锥型内孔

相同厚度109mm型号

  • 品牌
  • 型号
  • 内径
  • 外径
  • 厚度
  • 系列
  • NTN
  • 24132B轴承
  • 160
  • 270
  • 109
  • 调心滚子轴承
  • NTN
  • 24134BK30D1轴承
  • 170
  • 280
  • 109
  • 调心滚子轴承
  • NTN
  • 24132BK30D1轴承
  • 160
  • 270
  • 109
  • 调心滚子轴承
  • NTN
  • 24040BK30D1轴承
  • 200
  • 310
  • 109
  • 调心滚子轴承
  • FAG
  • NNF5032B.2LS.V轴承
  • 160
  • 240
  • 109
  • 圆柱滚子轴承
  • KOYO
  • 24134RHW33轴承
  • 170
  • 280
  • 109
  • 调心滚子轴承
  • KOYO
  • 24132RHW33轴承
  • 160
  • 270
  • 109
  • 调心滚子轴承
  • KOYO
  • 24040RHAW33轴承
  • 200
  • 310
  • 109
  • 调心滚子轴承
  • NACHI
  • 24134EW33轴承
  • 170
  • 280
  • 109
  • 调心滚子轴承
  • NACHI
  • 24132EW33轴承
  • 160
  • 270
  • 109
  • 调心滚子轴承

推荐型号

6921NR轴承 71919CDT轴承 K125X133X35轴承 30216轴承 RAKY1-1/4-206轴承 6309轴承 6309-2RS1轴承 6921LLB轴承 71920CDT轴承 RNA4922轴承 30218轴承 RASE1-1/4轴承 6309-2Z轴承 16021轴承 71918CDT轴承 2925轴承 

轴承型号查询 | 联系我们| 关于我们| 最新资讯| 高级搜索