• 轴承型号查询
  • 普通搜索
  • 高级搜索
  • 联系我们
  • 关于我们
设为首页     加入收藏
轴承型号查询 > SKF > 24040CCK30/W33轴承

24040CCK30/W33轴承

型号:24040CCK30/W33
品牌:SKF
系列:球面滚子轴承, 圆柱和圆锥孔, 圆锥型内孔, 无密封件
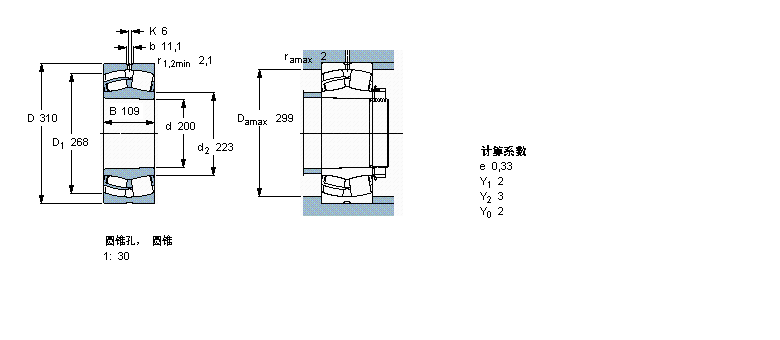
内径:200 mm
外径:310 mm
厚度:109 mm
【发布日期:】
24040CCK30/W33是SKF品牌下的球面滚子轴承, 圆柱和圆锥孔, 圆锥型内孔, 无密封件型号,我司有部分现货库存,24040CCK30/W33轴承详细参数如下表所示,如有疑问,欢迎拨打0512-62658883进行咨询,并且我司能为客户提供样本图纸,24040CCK30/W33轴承替代型号,价格等详细资料!
   公司还为您推荐型号:
    24044-B-K30-MB+AH24044轴承 - 24044-B-K30-MB轴承 - 24044-B-MB轴承 - 24048-B-K30-MB+AH24048轴承 - 24076BK30MB+AH24076轴承 - 24080BK30MB+AH24080轴承 - 24084BK30MB+AH24084轴承 - 24032C轴承 - 24032CK30轴承 - 24034C轴承 - 24034CK30轴承 - 24026CK30轴承 - 24026C轴承 - 24020C轴承 - 24020CK30轴承 -

基本信息

                     
  球面滚子轴承, 圆柱和圆锥孔, 圆锥型内孔, 无密封件
              公差 , 参见文字
              径向内部间隙, 圆柱型内孔 , 圆锥型内孔, 无密封件 , 参见文字
              推荐配合
              轴和轴承座公差
  主要数据尺寸 基本负荷额定值 疲劳负荷限值 额定速度 体积 型号
    动态 静态   参照速度 限制速度
  d D B C C0 Pu * - SKF Explorer 轴承
  mm kN kN r/min kg -
 200310109129021201861300190030,524040 CCK30/W33 *

相同内径200mm型号

  • 品牌
  • 型号
  • 内径
  • 外径
  • 厚度
  • 系列
  • NSK
  • NJ2240EM+HJ2240E轴承
  • 200
  • 360
  • 98
  • 圆柱滚子轴承
  • NSK
  • NJ2240+HJ2240轴承
  • 200
  • 360
  • 98
  • 圆柱滚子轴承
  • SKF
  • 6240轴承
  • 200
  • 360
  • 58
  • 深沟球轴承
  • SKF
  • 6340轴承
  • 200
  • 420
  • 80
  • 深沟球轴承
  • INA
  • SL045040PP轴承
  • 200
  • 310
  • 150
  • 圆柱滚子轴承
  • FAG
  • N240E.M1轴承
  • 200
  • 360
  • 58
  • 圆柱滚子轴承
  • NSK
  • 7940C轴承
  • 200
  • 280
  • 38
  • 角接触球轴承
  • NSK
  • 7040A轴承
  • 200
  • 310
  • 51
  • 角接触球轴承
  • NSK
  • 7240A轴承
  • 200
  • 360
  • 58
  • 角接触球轴承
  • NSK
  • 7240B轴承
  • 200
  • 360
  • 58
  • 角接触球轴承

相同外径310mm型号

  • 品牌
  • 型号
  • 内径
  • 外径
  • 厚度
  • 系列
  • NACHI
  • 22234CC/W33轴承
  • 170
  • 310
  • 86
  • 调心滚子轴承
  • KOYO
  • NN3040K轴承
  • 200
  • 310
  • 82
  • 圆柱滚子轴承
  • FAG
  • 23234CC/W33轴承
  • 170
  • 310
  • 110
  • 调心滚子轴承
  • FAG
  • 24040CC/W33轴承
  • 200
  • 310
  • 109
  • 调心滚子轴承
  • SKF
  • NN3040K/W33轴承
  • 200
  • 310
  • 82
  • 圆柱滚子轴承
  • NTN
  • 23234CC/W33轴承
  • 170
  • 310
  • 110
  • 调心滚子轴承
  • SKF
  • NJ234ECM轴承
  • 170
  • 310
  • 52
  • 圆柱滚子轴承, 单列, NJ 设计
  • SKF
  • NJ234ECMA轴承
  • 170
  • 310
  • 52
  • 圆柱滚子轴承, 单列, NJ 设计
  • NTN
  • 23040CC/W33轴承
  • 200
  • 310
  • 82
  • 调心滚子轴承
  • SKF
  • NU234ECM轴承
  • 170
  • 310
  • 52
  • 圆柱滚子轴承, 单列, NU 设计

相同厚度109mm型号

  • 品牌
  • 型号
  • 内径
  • 外径
  • 厚度
  • 系列
  • FAG
  • 24134BS轴承
  • 170
  • 280
  • 109
  • 调心滚子轴承
  • FAG
  • 24132BS轴承
  • 160
  • 270
  • 109
  • 调心滚子轴承
  • KOYO
  • 52238轴承
  • 190
  • 270
  • 109
  • 推力球轴承
  • KOYO
  • 52240轴承
  • 200
  • 280
  • 109
  • 推力球轴承
  • FAG
  • 24040BS.MB轴承
  • 200
  • 310
  • 109
  • 调心滚子轴承
  • NTN
  • 24134BD1轴承
  • 170
  • 280
  • 109
  • 调心滚子轴承
  • NTN
  • 24132BD1轴承
  • 160
  • 270
  • 109
  • 调心滚子轴承
  • NTN
  • 24040BD1轴承
  • 200
  • 310
  • 109
  • 调心滚子轴承
  • KOYO
  • 29436轴承
  • 180
  • 360
  • 109
  • 推力滚子轴承
  • SKF
  • C4132K30V+AH24132轴承
  • 150
  • 270
  • 109
  • CARB圆环滚子轴承, 带退卸套的, 满

推荐型号

YAT216-300轴承 NUP214ET轴承 NCS5228轴承 YAR216-300-2F轴承 NU2214轴承 NCS5232轴承 YAR216-300-2F/AH轴承 NJ2214轴承 XW3-1/4轴承 YAR216-2F轴承 NUP2214轴承 2279轴承 YAR217-2F轴承 NU314ET轴承 4440轴承 YAR218-2F轴承 

轴承型号查询 | 联系我们| 关于我们| 最新资讯| 高级搜索