• 轴承型号查询
  • 普通搜索
  • 高级搜索
  • 联系我们
  • 关于我们
设为首页     加入收藏
轴承型号查询 > SKF > 24036CCK30/W33轴承

24036CCK30/W33轴承

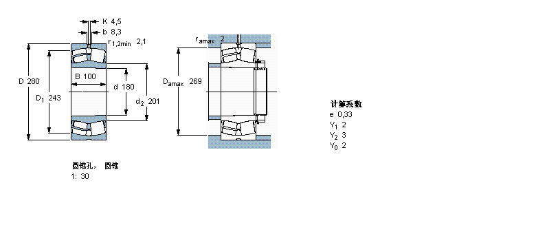
型号:24036CCK30/W33
品牌:SKF
系列:球面滚子轴承, 圆柱和圆锥孔, 圆锥型内孔, 无密封件
内径:180 mm
外径:280 mm
厚度:100 mm
【发布日期:】
24036CCK30/W33是SKF品牌下的球面滚子轴承, 圆柱和圆锥孔, 圆锥型内孔, 无密封件型号,我司有部分现货库存,24036CCK30/W33轴承详细参数如下表所示,如有疑问,欢迎拨打0512-62658883进行咨询,并且我司能为客户提供样本图纸,24036CCK30/W33轴承替代型号,价格等详细资料!
   公司还为您推荐型号:
    24056RRK30+AH24056轴承 - 24056RHAK30+AH24056轴承 - 24060RRK30+AH24060轴承 - 24060RHAK30+AH24060轴承 - 240KBV039轴承 - 24024CK30E4轴承 - 24026CE4轴承 - 24026CK30E4轴承 - 24028CE4轴承 - 24028CK30E4轴承 - 240FC151101轴承 - 24060RR轴承 - 24060RHA轴承 - 240/900CAE4轴承 - 240/900CAK30E4轴承 -

基本信息

                     
  球面滚子轴承, 圆柱和圆锥孔, 圆锥型内孔, 无密封件
              公差 , 参见文字
              径向内部间隙, 圆柱型内孔 , 圆锥型内孔, 无密封件 , 参见文字
              推荐配合
              轴和轴承座公差
  主要数据尺寸 基本负荷额定值 疲劳负荷限值 额定速度 体积 型号
    动态 静态   参照速度 限制速度
  d D B C C0 Pu * - SKF Explorer 轴承
  mm kN kN r/min kg -
 180280100108017301561300220022,524036 CCK30/W33 *

相同内径180mm型号

  • 品牌
  • 型号
  • 内径
  • 外径
  • 厚度
  • 系列
  • FAG
  • 6336-M轴承
  • 180
  • 380
  • 75
  • 深沟球轴承
  • SKF
  • 6236M轴承
  • 180
  • 320
  • 52
  • 深沟球轴承, 单列, 无密封件
  • FAG
  • NJ336-E-M1轴承
  • 180
  • 380
  • 75
  • 圆柱滚子轴承
  • SKF
  • 6336M轴承
  • 180
  • 380
  • 75
  • 深沟球轴承, 单列, 无密封件
  • FAG
  • NJ336-E-M1+HJ336E轴承
  • 180
  • 380
  • 75
  • 圆柱滚子轴承
  • FAG
  • NU336-E-M1轴承
  • 180
  • 380
  • 75
  • 圆柱滚子轴承
  • FAG
  • QJ336-N2-MPA轴承
  • 180
  • 380
  • 75
  • 四点接触球轴承
  • FAG
  • 22336-A-MA-T41A轴承
  • 180
  • 380
  • 126
  • 调心滚子轴承
  • FAG
  • 22336-K-MB轴承
  • 180
  • 380
  • 126
  • 调心滚子轴承
  • FAG
  • 22336-MB轴承
  • 180
  • 380
  • 126
  • 调心滚子轴承

相同外径280mm型号

  • 品牌
  • 型号
  • 内径
  • 外径
  • 厚度
  • 系列
  • FAG
  • 22326-E1-K轴承
  • 130
  • 280
  • 93
  • 调心滚子轴承
  • NTN
  • HTA036DB轴承
  • 180
  • 280
  • 90
  • 成对用角接触球轴承
  • NTN
  • HTA940DB轴承
  • 200
  • 280
  • 72
  • 成对用角接触球轴承
  • FAG
  • 6326轴承
  • 130
  • 280
  • 58
  • 深沟球轴承
  • KOYO
  • 61940轴承
  • 200
  • 280
  • 38
  • 深沟球轴承
  • KOYO
  • 54238U轴承
  • 190
  • 280
  • 131
  • 推力球轴承
  • NTN
  • 61940轴承
  • 200
  • 280
  • 38
  • 深沟球轴承
  • KOYO
  • 46334轴承
  • 170
  • 280
  • 圆锥滚子轴承
  • KOYO
  • 46334A轴承
  • 170
  • 280
  • 圆锥滚子轴承
  • KOYO
  • 46236轴承
  • 180
  • 280
  • 圆锥滚子轴承

相同厚度100mm型号

  • 品牌
  • 型号
  • 内径
  • 外径
  • 厚度
  • 系列
  • SKF
  • PWM100115100轴承
  • 100
  • 115
  • 100
  • FW轴套
  • FAG
  • GE100-LO轴承
  • 100
  • 150
  • 100
  • 关节轴承
  • NACHI
  • 24130AXW33轴承
  • 150
  • 250
  • 100
  • 球面滚子轴承
  • KOYO
  • 7322C/DF轴承
  • 110
  • 240
  • 100
  • 角接触球轴承
  • NTN
  • 7322C/DF轴承
  • 110
  • 240
  • 100
  • 角接触球轴承
  • NSK
  • 7322C/DF轴承
  • 110
  • 240
  • 100
  • 角接触球轴承
  • NACHI
  • 24036AXW33K30轴承
  • 180
  • 280
  • 100
  • 球面滚子轴承
  • NACHI
  • 24038EW33K30轴承
  • 190
  • 290
  • 100
  • 球面滚子轴承
  • INA
  • GE110-FO-2RS轴承
  • 110
  • 180
  • 100
  • 关节轴承
  • INA
  • GE110-FW-2RS轴承
  • 110
  • 180
  • 100
  • 关节轴承

推荐型号

6317DD轴承 SNL3180F轴承 NU3316轴承 NUP228E.M1轴承 6817N轴承 SNL3072轴承 NU416轴承 NJ2228E.M1+HJ2228E轴承 6917N轴承 SNL3172L轴承 NU1017轴承 NU2228E.M1轴承 6017N轴承 SNL3172F轴承 NU217轴承 NUP2228E.M1轴承 

轴承型号查询 | 联系我们| 关于我们| 最新资讯| 高级搜索