• 轴承型号查询
  • 普通搜索
  • 高级搜索
  • 联系我们
  • 关于我们
设为首页     加入收藏
轴承型号查询 > SKF > 24032-2CS5/VT143轴承

24032-2CS5/VT143轴承

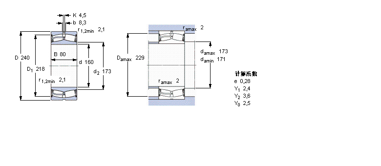
型号:24032-2CS5/VT143
品牌:SKF
系列:球面滚子轴承, 圆柱和圆锥孔, 圆柱型内孔, 两面密封件
内径:160 mm
外径:240 mm
厚度:80 mm
【发布日期:】
24032-2CS5/VT143是SKF品牌下的球面滚子轴承, 圆柱和圆锥孔, 圆柱型内孔, 两面密封件型号,我司有部分现货库存,24032-2CS5/VT143轴承详细参数如下表所示,如有疑问,欢迎拨打0512-62658883进行咨询,并且我司能为客户提供样本图纸,24032-2CS5/VT143轴承替代型号,价格等详细资料!
   公司还为您推荐型号:
    24032EX1W33轴承 - 24032AXW33轴承 - 24040EW33轴承 - 24080EW33轴承 - 24084EW33轴承 - 24088EW33轴承 - 24092EW33轴承 - 24052EW33轴承 - 24056EW33轴承 - 24060EW33轴承 - 24064EW33轴承 - 24068EW33轴承 - 24030AXK30轴承 - 24032EX1W33K30轴承 - 24032AXW33K30轴承 -

基本信息

                     
  球面滚子轴承, 圆柱和圆锥孔, 圆柱型内孔, 两面密封件
              公差 , 参见文字
              径向内部间隙, 圆柱型内孔 , 圆锥型内孔, 无密封件 , 参见文字
              推荐配合
              轴和轴承座公差
  主要数据尺寸 基本负荷额定值 疲劳负荷限值 额定速度 体积 型号
    动态 静态   参照速度 限制速度
  d D B C C0 Pu * - SKF Explorer 轴承
  mm kN kN r/min kg -
 160240807501200114-45013,024032-2CS5/VT143 *

相同内径160mm型号

  • 品牌
  • 型号
  • 内径
  • 外径
  • 厚度
  • 系列
  • SKF
  • NN3032K/W33轴承
  • 160
  • 240
  • 60
  • 圆柱滚子轴承
  • SKF
  • AXK160200轴承
  • 160
  • 200
  • 5
  • 滚针推力轴承, 滚针与保持架推力组件 and bearings with centring spigot, 滚针与保持架推力组件
  • SKF
  • NNU4932B/W33轴承
  • 160
  • 220
  • 60
  • 圆柱滚子轴承
  • NTN
  • 71932C/DB轴承
  • 160
  • 220
  • 56
  • 角接触球轴承
  • SKF
  • NNU4932BK/W33轴承
  • 160
  • 220
  • 60
  • 圆柱滚子轴承
  • SKF
  • NCF2932CV轴承
  • 160
  • 220
  • 36
  • 圆柱滚子轴承, 单列满装滚子, NCF 设计
  • SKF
  • NCF3032CV轴承
  • 160
  • 240
  • 60
  • 圆柱滚子轴承, 单列满装滚子, NCF 设计
  • SKF
  • NCF2232V轴承
  • 160
  • 290
  • 80
  • 圆柱滚子轴承, 单列满装滚子, NCF 设计
  • FAG
  • NNU4932BK/W33轴承
  • 160
  • 220
  • 60
  • 圆柱滚子轴承
  • KOYO
  • 7232B/DF轴承
  • 160
  • 290
  • 96
  • 角接触球轴承

相同外径240mm型号

  • 品牌
  • 型号
  • 内径
  • 外径
  • 厚度
  • 系列
  • KOYO
  • 53328轴承
  • 140
  • 240
  • 84.9
  • 推力球轴承
  • NACHI
  • 6322ZZ轴承
  • 110
  • 240
  • 50
  • 深沟球轴承
  • NTN
  • 23032BK轴承
  • 160
  • 240
  • 60
  • 调心滚子轴承
  • NTN
  • 24032BK30轴承
  • 160
  • 240
  • 80
  • 调心滚子轴承
  • NTN
  • 24032CK30轴承
  • 160
  • 240
  • 80
  • 调心滚子轴承
  • FAG
  • 52234轴承
  • 170
  • 240
  • 97
  • 推力球轴承
  • FAG
  • 52328轴承
  • 140
  • 240
  • 140
  • 推力球轴承
  • SKF
  • 52234轴承
  • 170
  • 240
  • 97
  • 推力球轴承
  • KOYO
  • 52234轴承
  • 170
  • 240
  • 97
  • 推力球轴承
  • NACHI
  • NF419轴承
  • 95
  • 240
  • 55
  • 圆柱滚子轴承

相同厚度80mm型号

  • 品牌
  • 型号
  • 内径
  • 外径
  • 厚度
  • 系列
  • NSK
  • 22232CDK+H3132轴承
  • 140
  • 290
  • 80
  • 调心滚子轴承
  • NSK
  • 23226CK+H2326X轴承
  • 115
  • 230
  • 80
  • 调心滚子轴承
  • IKO
  • NA4944轴承
  • 220
  • 300
  • 80
  • 滚针轴承
  • IKO
  • NA4948轴承
  • 240
  • 320
  • 80
  • 滚针轴承
  • IKO
  • NA4860轴承
  • 300
  • 380
  • 80
  • 滚针轴承
  • IKO
  • NA4864轴承
  • 320
  • 400
  • 80
  • 滚针轴承
  • IKO
  • NA4868轴承
  • 340
  • 420
  • 80
  • 滚针轴承
  • IKO
  • NA4872轴承
  • 360
  • 440
  • 80
  • 滚针轴承
  • NSK
  • 54226XU轴承
  • 110
  • 130
  • 80
  • 推力球轴承
  • NSK
  • 22322HK+H2322X轴承
  • 100
  • 240
  • 80
  • 调心滚子轴承

推荐型号

HM212049/HM212010轴承 608-2RSLTN9/HC5C3WTF1轴承 UC314轴承 2309-K-TVH-C3+H2309轴承 HM212049/HM212011轴承 6000-2RSLTN9/HC5C3WT轴承 UC317轴承 LR5308-2RS轴承 6200-2RSLTN9/HC5C3WT轴承 HM212049X/HM212010轴承 UC318轴承 LR5308-2Z轴承 6001-2RSLTN9/HC5C3WT轴承 479/472X轴承 UC320轴承 ZARF40100-TV轴承 

轴承型号查询 | 联系我们| 关于我们| 最新资讯| 高级搜索