• 轴承型号查询
  • 普通搜索
  • 高级搜索
  • 联系我们
  • 关于我们
设为首页     加入收藏
轴承型号查询 > SKF > 23948CCK/W33轴承

23948CCK/W33轴承

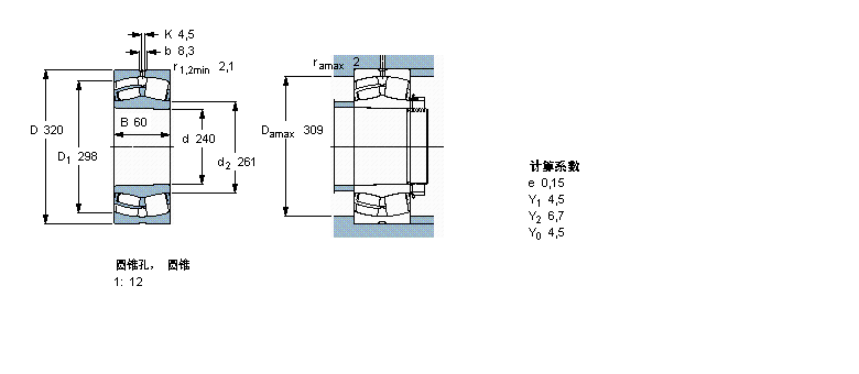
型号:23948CCK/W33
品牌:SKF
系列:球面滚子轴承, 圆柱和圆锥孔, 圆锥型内孔, 无密封件
内径:240 mm
外径:320 mm
厚度:60 mm
【发布日期:】
23948CCK/W33是SKF品牌下的球面滚子轴承, 圆柱和圆锥孔, 圆锥型内孔, 无密封件型号,我司有部分现货库存,23948CCK/W33轴承详细参数如下表所示,如有疑问,欢迎拨打0512-62658883进行咨询,并且我司能为客户提供样本图纸,23948CCK/W33轴承替代型号,价格等详细资料!
   公司还为您推荐型号:
    23940CAKE4轴承 - 23944CAE4轴承 - 23944CAKE4轴承 - 23948CAE4轴承 - 23932CAE4轴承 - 23932CAKE4轴承 - 23934BCAE4轴承 - 23934BCAKE4轴承 - 23936CAE4轴承 - 23936CAKE4轴承 - 23938CAE4轴承 - 23938CAKE4轴承 - 23940CAE4轴承 - 23948CAKE4轴承 - 23952CAE4轴承 -

基本信息

                     
  球面滚子轴承, 圆柱和圆锥孔, 圆锥型内孔, 无密封件
              公差 , 参见文字
              径向内部间隙, 圆柱型内孔 , 圆锥型内孔, 无密封件 , 参见文字
              推荐配合
              轴和轴承座公差
  主要数据尺寸 基本负荷额定值 疲劳负荷限值 额定速度 体积 型号
    动态 静态   参照速度 限制速度
  d D B C C0 Pu
  mm kN kN r/min kg -
 240320605641160981700200013,023948 CCK/W33

相同内径240mm型号

  • 品牌
  • 型号
  • 内径
  • 外径
  • 厚度
  • 系列
  • NTN
  • 23052BKD1+H3052轴承
  • 240
  • 400
  • 104
  • 调心滚子轴承
  • NTN
  • 23152BKD1+H3152轴承
  • 240
  • 440
  • 144
  • 调心滚子轴承
  • NTN
  • 22352BKD1+H2352轴承
  • 240
  • 540
  • 165
  • 调心滚子轴承
  • FAG
  • 29248E.MB轴承
  • 240
  • 340
  • 60
  • 推力滚子轴承
  • NTN
  • 6048M轴承
  • 240
  • 360
  • 56
  • 深沟球轴承
  • NTN
  • 16048M轴承
  • 240
  • 360
  • 37
  • 深沟球轴承
  • NSK
  • NF248M轴承
  • 240
  • 440
  • 72
  • 圆柱滚子轴承
  • NSK
  • NF348M轴承
  • 240
  • 500
  • 95
  • 圆柱滚子轴承
  • NACHI
  • HF348轴承
  • 240
  • 500
  • 95
  • 圆柱滚子轴承
  • SKF
  • NJ248ECM轴承
  • 240
  • 440
  • 72
  • 圆柱滚子轴承

相同外径320mm型号

  • 品牌
  • 型号
  • 内径
  • 外径
  • 厚度
  • 系列
  • FAG
  • QJ330N2MPA轴承
  • 150
  • 320
  • 65
  • 角接触球轴承
  • FAG
  • QJ236N2MPA轴承
  • 180
  • 320
  • 52
  • 角接触球轴承
  • SKF
  • 22330CC/W33轴承
  • 150
  • 320
  • 108
  • 球面滚子轴承, 圆柱和圆锥孔, 圆柱型内孔, 无密封件
  • SKF
  • 22330CCJA/W33VA405轴承
  • 150
  • 320
  • 108
  • 球面滚子轴承, 圆柱和圆锥孔, 圆柱型内孔, 用于振动场合
  • SKF
  • 22330CCJA/W33VA406轴承
  • 150
  • 320
  • 108
  • 球面滚子轴承, 圆柱和圆锥孔, 圆柱型内孔, 用于振动场合
  • SKF
  • 22330CCK/W33轴承
  • 150
  • 320
  • 108
  • 球面滚子轴承, 圆柱和圆锥孔, 圆锥型内孔, 无密封件
  • SKF
  • 22330CCKJA/W33VA405轴承
  • 150
  • 320
  • 108
  • 球面滚子轴承, 圆柱和圆锥孔, 圆锥型内孔, 用于振动场合
  • SKF
  • 22330-2CS5/VT143轴承
  • 150
  • 320
  • 108
  • 球面滚子轴承, 圆柱和圆锥孔, 圆柱型内孔, 两面密封件
  • SKF
  • 22330-2CS5K/VT143轴承
  • 150
  • 320
  • 108
  • 球面滚子轴承, 圆柱和圆锥孔, 圆锥型内孔, 两面密封件
  • FAG
  • 7330B.MP轴承
  • 150
  • 320
  • 65
  • 角接触球轴承

相同厚度60mm型号

  • 品牌
  • 型号
  • 内径
  • 外径
  • 厚度
  • 系列
  • SKF
  • NU421M轴承
  • 105
  • 260
  • 60
  • 圆柱滚子轴承, 单列, NU 设计
  • FAG
  • ZGB60X70X60轴承
  • 60
  • 70
  • 60
  • 柱形滑动衬套
  • NSK
  • NU2317轴承
  • 85
  • 180
  • 60
  • 圆柱滚子轴承
  • NSK
  • NJ2317轴承
  • 85
  • 180
  • 60
  • 圆柱滚子轴承
  • NSK
  • NUP2317轴承
  • 85
  • 180
  • 60
  • 圆柱滚子轴承
  • NSK
  • NJ2317EM轴承
  • 85
  • 180
  • 60
  • 圆柱滚子轴承
  • NSK
  • NU2317EM轴承
  • 85
  • 180
  • 60
  • 圆柱滚子轴承
  • NSK
  • NUP2317EM轴承
  • 85
  • 180
  • 60
  • 圆柱滚子轴承
  • SKF
  • NNF5016ADA-2LSV轴承
  • 80
  • 125
  • 60
  • 圆柱滚子轴承
  • SKF
  • NNF5017ADA-2LSV轴承
  • 85
  • 130
  • 60
  • 圆柱滚子轴承

推荐型号

NJ2213ET轴承 61819-Z轴承 NJ313轴承 61818-Z轴承 61817-Z轴承 NJ313EM轴承 61816-Z轴承 NJ2313ET轴承 NJ413轴承 61815-Z轴承 NJ1014轴承 61814-Z轴承 NJ214EM轴承 61813-Z轴承 61812-Z轴承 NJ2214ET轴承 

轴承型号查询 | 联系我们| 关于我们| 最新资讯| 高级搜索