• 轴承型号查询
  • 普通搜索
  • 高级搜索
  • 联系我们
  • 关于我们
设为首页     加入收藏
轴承型号查询 > SKF > 23238CCK/W33轴承

23238CCK/W33轴承

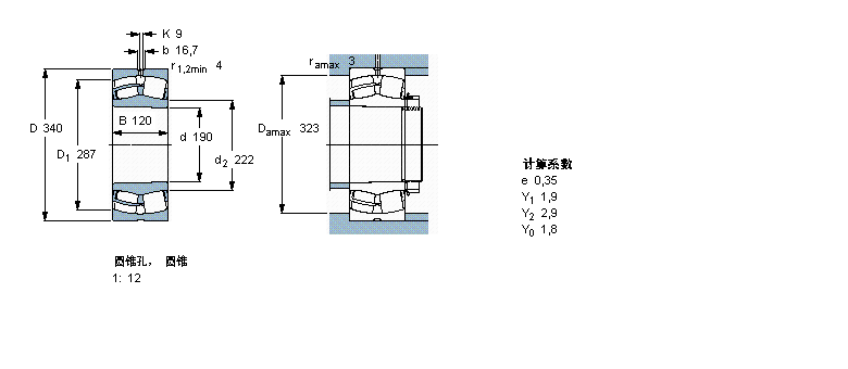
型号:23238CCK/W33
品牌:SKF
系列:球面滚子轴承, 圆柱和圆锥孔, 圆锥型内孔, 无密封件
内径:190 mm
外径:340 mm
厚度:120 mm
【发布日期:】
23238CCK/W33是SKF品牌下的球面滚子轴承, 圆柱和圆锥孔, 圆锥型内孔, 无密封件型号,我司有部分现货库存,23238CCK/W33轴承详细参数如下表所示,如有疑问,欢迎拨打0512-62658883进行咨询,并且我司能为客户提供样本图纸,23238CCK/W33轴承替代型号,价格等详细资料!
   公司还为您推荐型号:
    23264-K-MB轴承 - 23264-MB轴承 - 23268-B-K-MB+AH3268G轴承 - 23268-B-K-MB+H3268轴承 - 2322-K-M-C3+H2322轴承 - 23218-E1-K-TVPB+H2318轴承 - 23218-E1A-K-M+H2318轴承 - 23218-E1-K-TVPB+AHX3218轴承 - 23218-E1A-K-M+AHX3218轴承 - 23240-B-K-MB轴承 - 23240-B-MB轴承 - 23220-E1-K-TVPB+H2320轴承 - 23220-E1A-K-M+H2320轴承 - 2320-K-M-C3+H2320轴承 - 23220-E1-K-TVPB+AHX3220轴承 -

基本信息

                     
  球面滚子轴承, 圆柱和圆锥孔, 圆锥型内孔, 无密封件
              公差 , 参见文字
              径向内部间隙, 圆柱型内孔 , 圆锥型内孔, 无密封件 , 参见文字
              推荐配合
              轴和轴承座公差
  主要数据尺寸 基本负荷额定值 疲劳负荷限值 额定速度 体积 型号
    动态 静态   参照速度 限制速度
  d D B C C0 Pu * - SKF Explorer 轴承
  mm kN kN r/min kg -
 190340120166024002081300180046,523238 CCK/W33 *

相同内径190mm型号

  • 品牌
  • 型号
  • 内径
  • 外径
  • 厚度
  • 系列
  • SKF
  • KMTA38轴承
  • 190
  • 225
  • 32
  • 带锁紧销的KMTA精密锁紧定螺母
  • SKF
  • 71938ACD/P4A轴承
  • 190
  • 260
  • 33
  • 角接触球轴承, 精密, ACD, contact angle 25°
  • SKF
  • 71938CD/P4A轴承
  • 190
  • 260
  • 33
  • 角接触球轴承, 精密, CD, contact angle 15°
  • SKF
  • 7038ACD/P4A轴承
  • 190
  • 290
  • 46
  • 角接触球轴承, 精密, ACD, contact angle 25°
  • SKF
  • 7038CD/P4A轴承
  • 190
  • 290
  • 46
  • 角接触球轴承, 精密, CD, contact angle 15°
  • SKF
  • NNU4938B/SPW33轴承
  • 190
  • 260
  • 69
  • 圆柱滚子轴承,双列, 精密, NNU 设计
  • SKF
  • NNU4938BK/SPW33轴承
  • 190
  • 260
  • 69
  • 圆柱滚子轴承,双列, 精密, NNU 设计, 圆锥型内孔
  • SKF
  • NN3038K/SPW33轴承
  • 190
  • 290
  • 75
  • 圆柱滚子轴承,双列, 精密, NN 设计, 圆锥型内孔
  • SKF
  • NN3038/SPW33轴承
  • 190
  • 290
  • 75
  • 圆柱滚子轴承,双列, 精密, NN 设计
  • INA
  • 61838轴承
  • 190
  • 240
  • 24
  • 深沟球轴承

相同外径340mm型号

  • 品牌
  • 型号
  • 内径
  • 外径
  • 厚度
  • 系列
  • SKF
  • 7332BCBM轴承
  • 160
  • 340
  • 68
  • 角接触球轴承, 单列
  • SKF
  • 7238BCBM轴承
  • 190
  • 340
  • 55
  • 角接触球轴承, 单列
  • SKF
  • 7044BGM轴承
  • 220
  • 340
  • 56
  • 角接触球轴承, 单列
  • SKF
  • NJ238ECM轴承
  • 190
  • 340
  • 55
  • 圆柱滚子轴承, 单列, NJ 设计
  • SKF
  • NJ238ECMA轴承
  • 190
  • 340
  • 55
  • 圆柱滚子轴承, 单列, NJ 设计
  • SKF
  • NU238ECM轴承
  • 190
  • 340
  • 55
  • 圆柱滚子轴承, 单列, NU 设计
  • SKF
  • NU238ECMA轴承
  • 190
  • 340
  • 55
  • 圆柱滚子轴承, 单列, NU 设计
  • SKF
  • NUP238ECM轴承
  • 190
  • 340
  • 55
  • 圆柱滚子轴承, 单列, NUP 设计
  • SKF
  • NUP238ECMA轴承
  • 190
  • 340
  • 55
  • 圆柱滚子轴承, 单列, NUP 设计
  • SKF
  • NU2238ECM轴承
  • 190
  • 340
  • 92
  • 圆柱滚子轴承, 单列, NU 设计

相同厚度120mm型号

  • 品牌
  • 型号
  • 内径
  • 外径
  • 厚度
  • 系列
  • NACHI
  • 51430轴承
  • 150
  • 300
  • 120
  • 推力球轴承
  • NACHI
  • NUP2334轴承
  • 170
  • 360
  • 120
  • 圆柱滚子轴承
  • NACHI
  • NUP2248轴承
  • 240
  • 440
  • 120
  • 圆柱滚子轴承
  • NACHI
  • NJ2334轴承
  • 170
  • 360
  • 120
  • 圆柱滚子轴承
  • NACHI
  • NJ2248轴承
  • 240
  • 440
  • 120
  • 圆柱滚子轴承
  • NACHI
  • HJ2334轴承
  • 170
  • 360
  • 120
  • 圆柱滚子轴承
  • NACHI
  • 23144EW33K轴承
  • 220
  • 370
  • 120
  • 球面滚子轴承
  • NACHI
  • 23144A2XW33K轴承
  • 220
  • 370
  • 120
  • 球面滚子轴承
  • NACHI
  • 22248EW33K轴承
  • 240
  • 440
  • 120
  • 球面滚子轴承
  • NACHI
  • HJ2248轴承
  • 240
  • 440
  • 120
  • 圆柱滚子轴承

推荐型号

7214-B-TVP轴承 7602070-TVP轴承 B7214-C-2RSD-T-P4S轴承 B7214-C-T-P4S轴承 B7214-E-2RSD-T-P4S轴承 B7214-E-T-P4S轴承 HCB7214-C-2RSD-T-P4S轴承 2216-K-TVH-C3+H316轴承 22216-E1-K+H316轴承 T7FC070轴承 20216-K-TVP-C3+H216轴承 222SM70-TVPA轴承 K89414-TV轴承 1314-M轴承 20314-MB轴承 21314-E1轴承 

轴承型号查询 | 联系我们| 关于我们| 最新资讯| 高级搜索