• 轴承型号查询
  • 普通搜索
  • 高级搜索
  • 联系我们
  • 关于我们
设为首页     加入收藏
轴承型号查询 > SKF > 23164CCK/W33+OH3164H轴承

23164CCK/W33+OH3164H轴承

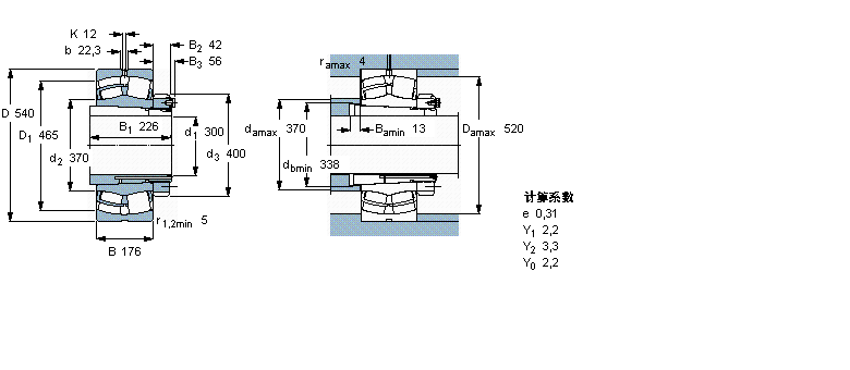
型号:23164CCK/W33+OH3164H
品牌:SKF
系列:球面滚子轴承, 带紧定套的
内径:300 mm
外径:540 mm
厚度:176 mm
【发布日期:】
23164CCK/W33+OH3164H是SKF品牌下的球面滚子轴承, 带紧定套的型号,我司有部分现货库存,23164CCK/W33+OH3164H轴承详细参数如下表所示,如有疑问,欢迎拨打0512-62658883进行咨询,并且我司能为客户提供样本图纸,23164CCK/W33+OH3164H轴承替代型号,价格等详细资料!
   公司还为您推荐型号:
    2315-K-M-C3轴承 - 2315-M轴承 - 2317-K-M-C3+H2317轴承 - 23120CE4轴承 - 23120CKE4轴承 - 23122CE4轴承 - 23122CKE4轴承 - 23124CE4轴承 - 23128CKE4轴承 - 23130CE4轴承 - 23130CKE4轴承 - 23132CE4轴承 - 23132CKE4轴承 - 2318-K-M-C3+H2318轴承 - 23134CE4轴承 -

基本信息

                     
  球面滚子轴承, 带紧定套的
                    公差 , 参见文字
                    径向内部游隙 , 参见文字
                    推荐配合
                    轴和轴承座公差
  主要数据尺寸 基本负荷额定值 疲劳负荷限值 额定速度 体积 型号
    动态 静态   参照速度 限制速度 轴承 + 紧定套
  d1 D B C C0 Pu
    * - SKF Explorer 轴承
  mm kN kN r/min kg -
 30054017637506000440850110018523164 CCK/W33 + OH 3164 H *

相同内径300mm型号

  • 品牌
  • 型号
  • 内径
  • 外径
  • 厚度
  • 系列
  • SKF
  • C3064KM+OH3064H轴承
  • 300
  • 480
  • 121
  • CARB圆环滚子轴承, 带紧定套的, 与保持架
  • SKF
  • C3164KM+OH3164H轴承
  • 300
  • 540
  • 176
  • CARB圆环滚子轴承, 带紧定套的, 与保持架
  • FAG
  • 61860轴承
  • 300
  • 380
  • 38
  • 深沟球轴承
  • NTN
  • 61860轴承
  • 300
  • 380
  • 38
  • 深沟球轴承
  • KOYO
  • 23264RHAK+H3264轴承
  • 300
  • 580
  • 208
  • 球面滚子轴承
  • SKF
  • 32960轴承
  • 300
  • 420
  • 76
  • 圆锥滚子轴承, 单列, 公制轴承
  • SKF
  • 32060X轴承
  • 300
  • 460
  • 100
  • 圆锥滚子轴承, 单列, 公制轴承
  • SKF
  • HH258248/210轴承
  • 300
  • 495.3
  • 141.288
  • 圆锥滚子轴承, 单列, 英制轴承
  • SKF
  • 32260J2/HA1轴承
  • 300
  • 540
  • 149
  • 圆锥滚子轴承, 单列, 公制轴承
  • NACHI
  • 61860轴承
  • 300
  • 380
  • 38
  • 深沟球轴承

相同外径540mm型号

  • 品牌
  • 型号
  • 内径
  • 外径
  • 厚度
  • 系列
  • NACHI
  • 320KBE031轴承
  • 320
  • 540
  • 220
  • 圆锥滚子轴承
  • NSK
  • 23072CAK+H3072轴承
  • 340
  • 540
  • 134
  • 调心滚子轴承
  • NACHI
  • 320KBE131轴承
  • 320
  • 540
  • 176
  • 圆锥滚子轴承
  • INA
  • SL183072轴承
  • 360
  • 540
  • 134
  • 圆柱滚子轴承
  • INA
  • SL181888轴承
  • 440
  • 540
  • 46
  • 圆柱滚子轴承
  • INA
  • NU2260-EX-M1轴承
  • 300
  • 540
  • 140
  • 圆柱滚子轴承
  • NTN
  • NU352轴承
  • 260
  • 540
  • 102
  • 圆柱滚子轴承
  • NTN
  • NU2352轴承
  • 260
  • 540
  • 165
  • 圆柱滚子轴承
  • INA
  • 23260-K-MB轴承
  • 300
  • 540
  • 192
  • 调心滚子轴承
  • INA
  • 23260-MB轴承
  • 300
  • 540
  • 192
  • 调心滚子轴承

相同厚度176mm型号

  • 品牌
  • 型号
  • 内径
  • 外径
  • 厚度
  • 系列
  • FAG
  • 23256KMBH2356XHG轴承
  • 260
  • 500
  • 176
  • 调心滚子轴承
  • KOYO
  • 23256RK+H2356轴承
  • 260
  • 500
  • 176
  • 球面滚子轴承
  • KOYO
  • 23256RHAK+H2356轴承
  • 260
  • 500
  • 176
  • 球面滚子轴承
  • KOYO
  • 23164RK+H3164轴承
  • 300
  • 540
  • 176
  • 球面滚子轴承
  • KOYO
  • 23164RHAK+H3164轴承
  • 300
  • 540
  • 176
  • 球面滚子轴承
  • SKF
  • 23256CACK/W33OH2356H轴承
  • 260
  • 500
  • 176
  • 调心滚子轴承
  • NTN
  • 23256B轴承
  • 280
  • 500
  • 176
  • 调心滚子轴承
  • NSK
  • 23164CAK+H3164轴承
  • 300
  • 540
  • 176
  • 调心滚子轴承
  • NTN
  • 23256BK轴承
  • 280
  • 500
  • 176
  • 调心滚子轴承
  • NTN
  • 23164B轴承
  • 320
  • 540
  • 176
  • 调心滚子轴承

推荐型号

61913-RS1轴承 160KBE031+L轴承 3215-B-2RSR-TVH轴承 31314DJR轴承 NJ212ECJ轴承 160KBE2701+L轴承 61912-RS1轴承 31319DJR轴承 3215-B-TVH轴承 NJ212ECM轴承 61911-RZ轴承 160KBE2801+L轴承 31316DJR轴承 GE75-KRR-B轴承 NJ212ECML轴承 61911-RS1轴承 

轴承型号查询 | 联系我们| 关于我们| 最新资讯| 高级搜索