• 轴承型号查询
  • 普通搜索
  • 高级搜索
  • 联系我们
  • 关于我们
设为首页     加入收藏
轴承型号查询 > SKF > 23140CCK/W33轴承

23140CCK/W33轴承

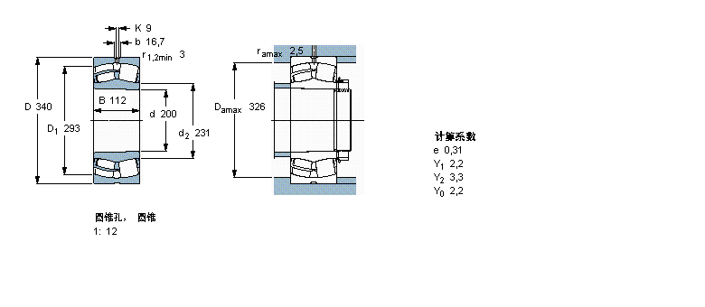
型号:23140CCK/W33
品牌:SKF
系列:球面滚子轴承, 圆柱和圆锥孔, 圆锥型内孔, 无密封件
内径:200 mm
外径:340 mm
厚度:112 mm
【发布日期:】
23140CCK/W33是SKF品牌下的球面滚子轴承, 圆柱和圆锥孔, 圆锥型内孔, 无密封件型号,我司有部分现货库存,23140CCK/W33轴承详细参数如下表所示,如有疑问,欢迎拨打0512-62658883进行咨询,并且我司能为客户提供样本图纸,23140CCK/W33轴承替代型号,价格等详细资料!
   公司还为您推荐型号:
    23122CCK/W33OH3122H轴承 - 23126CCK/33OH3126H轴承 - 23124CCK/33OH3124H轴承 - 23128CCK/33OH3128H轴承 - 23130CCK/33OH3130H轴承 - 23132CCK/33OH3132H轴承 - 23134CCK/33OH3134H轴承 - 23136CCK/33OH3136H轴承 - 23138CCK/33OH3138H轴承 - 23140CCK/33OH3140H轴承 - 23144CCK/33OH3144H轴承 - 23148CCK/33OH3148H轴承 - 23152CCK/33OH3152H轴承 - 23156CCK/33OH3156H轴承 - 23160CCK/33OH3160H轴承 -

基本信息

                     
  球面滚子轴承, 圆柱和圆锥孔, 圆锥型内孔, 无密封件
              公差 , 参见文字
              径向内部间隙, 圆柱型内孔 , 圆锥型内孔, 无密封件 , 参见文字
              推荐配合
              轴和轴承座公差
  主要数据尺寸 基本负荷额定值 疲劳负荷限值 额定速度 体积 型号
    动态 静态   参照速度 限制速度
  d D B C C0 Pu * - SKF Explorer 轴承
  mm kN kN r/min kg -
 200340112160023602041500190041,523140 CCK/W33 *

相同内径200mm型号

  • 品牌
  • 型号
  • 内径
  • 外径
  • 厚度
  • 系列
  • FAG
  • GE200-AW轴承
  • 200
  • 340
  • 74
  • 推力关节轴承
  • FAG
  • GE200-AX轴承
  • 200
  • 340
  • 74
  • 推力关节轴承
  • FAG
  • 51340-MP轴承
  • 200
  • 340
  • 90
  • 推力深沟球轴承
  • FAG
  • 23140-B-K-MB轴承
  • 200
  • 340
  • 112
  • 调心滚子轴承
  • FAG
  • 23140-B-MB轴承
  • 200
  • 340
  • 112
  • 调心滚子轴承
  • FAG
  • Z-566487.ZL-K-C5轴承
  • 200
  • 340
  • 112
  • 圆柱滚子轴承
  • FAG
  • 230SM200-MA轴承
  • 200
  • 340
  • 136
  • 调心滚子轴承
  • FAG
  • 24140-B轴承
  • 200
  • 340
  • 140
  • 调心滚子轴承
  • FAG
  • 24140-B-K30轴承
  • 200
  • 340
  • 140
  • 调心滚子轴承
  • FAG
  • NNU4140-M轴承
  • 200
  • 340
  • 140
  • 圆柱滚子轴承

相同外径340mm型号

  • 品牌
  • 型号
  • 内径
  • 外径
  • 厚度
  • 系列
  • SKF
  • GE240ES-2LS轴承
  • 240
  • 340
  • 140
  • 需要维护的径向球面滑动轴承, 钢对钢, 两面密封件
  • SKF
  • GE240ES-2RS轴承
  • 240
  • 340
  • 140
  • 需要维护的径向球面滑动轴承, 钢对钢, 两面密封件
  • INA
  • 231SM180-MA轴承
  • 180
  • 340
  • 160
  • 调心滚子轴承
  • SKF
  • GE240TXA-2LS轴承
  • 240
  • 340
  • 140
  • 免维护径向球面滑动轴承, 钢/PTFE织物 , 两面密封件
  • SKF
  • GEP240FS轴承
  • 240
  • 340
  • 170
  • 免维护径向球面滑动轴承, 钢/PTFE复合材料
  • INA
  • GE200-AW轴承
  • 200
  • 340
  • 74
  • 推力关节轴承
  • INA
  • GE200-AX轴承
  • 200
  • 340
  • 74
  • 推力关节轴承
  • INA
  • 51340-MP轴承
  • 200
  • 340
  • 90
  • 推力深沟球轴承
  • INA
  • 23140-B-K-MB轴承
  • 200
  • 340
  • 112
  • 调心滚子轴承
  • INA
  • 23140-B-MB轴承
  • 200
  • 340
  • 112
  • 调心滚子轴承

相同厚度112mm型号

  • 品牌
  • 型号
  • 内径
  • 外径
  • 厚度
  • 系列
  • SKF
  • 238/630CAKMA/W20轴承
  • 630
  • 780
  • 112
  • 球面滚子轴承, 圆柱和圆锥孔, 圆锥型内孔, 无密封件
  • SKF
  • 238/630CAMA/W20轴承
  • 630
  • 780
  • 112
  • 球面滚子轴承, 圆柱和圆锥孔, 圆柱型内孔, 无密封件
  • SKF
  • C3140轴承
  • 200
  • 340
  • 112
  • CARB圆环滚子轴承, 圆柱和圆锥孔, 圆柱型内孔, 与保持架
  • SKF
  • C3140K轴承
  • 200
  • 340
  • 112
  • CARB圆环滚子轴承, 圆柱和圆锥孔, 圆锥型内孔, 与保持架
  • SKF
  • C3140K/HA3C4轴承
  • 200
  • 340
  • 112
  • CARB圆环滚子轴承, 圆柱和圆锥孔, 圆锥型内孔, 与保持架
  • SKF
  • 81276M轴承
  • 380
  • 520
  • 112
  • 圆柱滚子推力轴承, 轴承 / 圆柱滚子和保持架止推组件
  • SKF
  • 81280M轴承
  • 400
  • 540
  • 112
  • 圆柱滚子推力轴承, 轴承 / 圆柱滚子和保持架止推组件
  • SKF
  • 33122/DF轴承
  • 110
  • 180
  • 112
  • 圆锥滚子轴承, 单列,面对面配对
  • SKF
  • 32222J2/DF轴承
  • 110
  • 200
  • 112
  • 圆锥滚子轴承, 单列,面对面配对
  • SKF
  • Tr750x7轴承
  • 750
  • 950
  • 112
  • 带锁紧夹的HM(E)锁定螺母

推荐型号

7308轴承 7308B轴承 7908DB轴承 7008DB轴承 7208DB轴承 7208BDB轴承 7308DB轴承 7308BDB轴承 7908DF轴承 7008DF轴承 7208DF轴承 7208BDF轴承 7308DF轴承 7308BDF轴承 7908DT轴承 7008DT轴承 

轴承型号查询 | 联系我们| 关于我们| 最新资讯| 高级搜索