• 轴承型号查询
  • 普通搜索
  • 高级搜索
  • 联系我们
  • 关于我们
设为首页     加入收藏
轴承型号查询 > SKF > 23136CC/W33轴承

23136CC/W33轴承

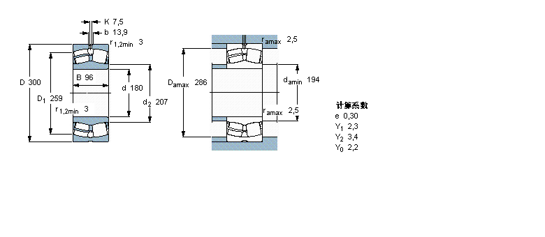
型号:23136CC/W33
品牌:SKF
系列:球面滚子轴承, 圆柱和圆锥孔, 圆柱型内孔, 无密封件
内径:180 mm
外径:300 mm
厚度:96 mm
【发布日期:】
23136CC/W33是SKF品牌下的球面滚子轴承, 圆柱和圆锥孔, 圆柱型内孔, 无密封件型号,我司有部分现货库存,23136CC/W33轴承详细参数如下表所示,如有疑问,欢迎拨打0512-62658883进行咨询,并且我司能为客户提供样本图纸,23136CC/W33轴承替代型号,价格等详细资料!
   公司还为您推荐型号:
    23192RHAKW33轴承 - 23184RHAKW33轴承 - 23196RHAKW33轴承 - 23122BK+H3122X轴承 - 23188RHAKW33轴承 - 23180RHAKW33轴承 - 23168RHAKW33轴承 - 23176RHAKW33轴承 - 23172RHAKW33轴承 - 23124BK+H3124X轴承 - 23160RHAKW33轴承 - 23164RHAKW33轴承 - 23152RHAKW33轴承 - 23156RHAKW33轴承 - 23148RHAKW33轴承 -

基本信息

                     
  球面滚子轴承, 圆柱和圆锥孔, 圆柱型内孔, 无密封件
              公差 , 参见文字
              径向内部间隙, 圆柱型内孔 , 圆锥型内孔, 无密封件 , 参见文字
              推荐配合
              轴和轴承座公差
  主要数据尺寸 基本负荷额定值 疲劳负荷限值 额定速度 体积 型号
    动态 静态   参照速度 限制速度
  d D B C C0 Pu * - SKF Explorer 轴承
  mm kN kN r/min kg -
 18030096120017601601700220028,023136 CC/W33 *

相同内径180mm型号

  • 品牌
  • 型号
  • 内径
  • 外径
  • 厚度
  • 系列
  • FAG
  • SL192336-TB轴承
  • 180
  • 380
  • 126
  • 圆柱滚子轴承
  • FAG
  • 6336轴承
  • 180
  • 380
  • 75
  • 深沟球轴承
  • FAG
  • 6236轴承
  • 180
  • 320
  • 52
  • 深沟球轴承
  • KOYO
  • 61936轴承
  • 180
  • 250
  • 33
  • 深沟球轴承
  • NTN
  • 61936轴承
  • 180
  • 250
  • 33
  • 深沟球轴承
  • NACHI
  • 61936轴承
  • 180
  • 250
  • 33
  • 深沟球轴承
  • NSK
  • 61936轴承
  • 180
  • 250
  • 33
  • 深沟球轴承
  • KOYO
  • 61836轴承
  • 180
  • 225
  • 22
  • 深沟球轴承
  • NTN
  • 61836轴承
  • 180
  • 225
  • 22
  • 深沟球轴承
  • NACHI
  • 61836轴承
  • 180
  • 225
  • 22
  • 深沟球轴承

相同外径300mm型号

  • 品牌
  • 型号
  • 内径
  • 外径
  • 厚度
  • 系列
  • KOYO
  • 7328AC/DB轴承
  • 140
  • 300
  • 124
  • 角接触球轴承
  • FAG
  • NJ2328E.M1轴承
  • 140
  • 300
  • 102
  • 圆柱滚子轴承
  • NTN
  • NU328轴承
  • 140
  • 300
  • 62
  • 圆柱滚子轴承
  • NTN
  • N328轴承
  • 140
  • 300
  • 62
  • 圆柱滚子轴承
  • NTN
  • N2328轴承
  • 140
  • 300
  • 102
  • 圆柱滚子轴承
  • NTN
  • NF328轴承
  • 140
  • 300
  • 62
  • 圆柱滚子轴承
  • NSK
  • N328M轴承
  • 140
  • 300
  • 62
  • 圆柱滚子轴承
  • NTN
  • 30328U轴承
  • 140
  • 300
  • 67.75
  • 圆锥滚子轴承
  • NTN
  • 30328轴承
  • 140
  • 300
  • 67.75
  • 圆锥滚子轴承
  • NTN
  • 31328XU轴承
  • 140
  • 300
  • 77
  • 圆锥滚子轴承

相同厚度96mm型号

  • 品牌
  • 型号
  • 内径
  • 外径
  • 厚度
  • 系列
  • FAG
  • 51268M轴承
  • 340
  • 455
  • 96
  • 推力球轴承
  • FAG
  • 234432M.SP轴承
  • 160
  • 240
  • 96
  • 推力角接触球轴承
  • FAG
  • 234732M.SP轴承
  • 165
  • 240
  • 96
  • 推力角接触球轴承
  • NACHI
  • 7232C/DT轴承
  • 160
  • 290
  • 96
  • 角接触球轴承
  • NSK
  • 30260轴承
  • 300
  • 540
  • 96
  • 圆锥滚子轴承
  • FAG
  • 7232B.UO轴承
  • 160
  • 290
  • 96
  • 角接触球轴承
  • NTN
  • 23230BKD1+H2330轴承
  • 135
  • 270
  • 96
  • 调心滚子轴承
  • KOYO
  • 7232B/DB轴承
  • 160
  • 290
  • 96
  • 角接触球轴承
  • NACHI
  • 7232B/DB轴承
  • 160
  • 290
  • 96
  • 角接触球轴承
  • NACHI
  • 7232C/DF轴承
  • 160
  • 290
  • 96
  • 角接触球轴承

推荐型号

NU336轴承 NU2336轴承 GE220DO-2RS轴承 GE240DO-2RS轴承 NJ1036轴承 GE200DO-2RS轴承 NJ236轴承 GE180DO-2RS轴承 NJ236E轴承 NJ2236轴承 GE60DO-2RS轴承 GE160DO-2RS轴承 NJ2236E轴承 GE140DO-2RS轴承 NJ336轴承 NJ2336轴承 

轴承型号查询 | 联系我们| 关于我们| 最新资讯| 高级搜索