• 轴承型号查询
  • 普通搜索
  • 高级搜索
  • 联系我们
  • 关于我们
设为首页     加入收藏
轴承型号查询 > SKF > 22319EJA/VA405轴承

22319EJA/VA405轴承

型号:22319EJA/VA405
品牌:SKF
系列:球面滚子轴承, 圆柱和圆锥孔, 圆柱型内孔, 用于振动场合
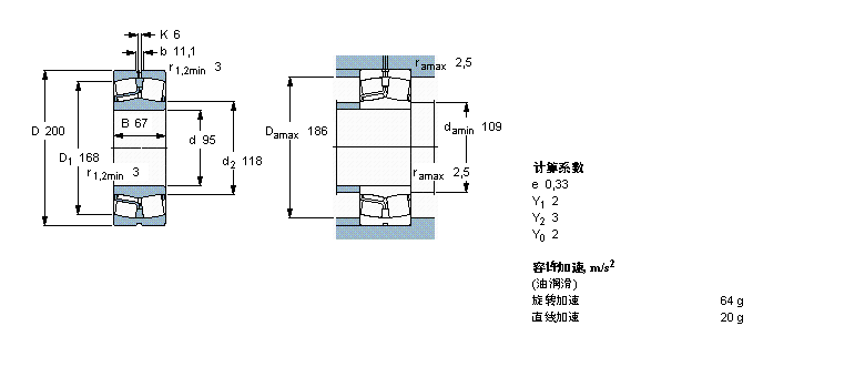
内径:95 mm
外径:200 mm
厚度:67 mm
【发布日期:】
22319EJA/VA405是SKF品牌下的球面滚子轴承, 圆柱和圆锥孔, 圆柱型内孔, 用于振动场合型号,我司有部分现货库存,22319EJA/VA405轴承详细参数如下表所示,如有疑问,欢迎拨打0512-62658883进行咨询,并且我司能为客户提供样本图纸,22319EJA/VA405轴承替代型号,价格等详细资料!
   公司还为您推荐型号:
    22308CK+H2308X轴承 - 22309CK+H2309X轴承 - 22310CK+H2310X轴承 - 22311BK+H2311X轴承 - 22312BK+H2312X轴承 - 22313BK+H2313X轴承 - 22315BK+H2315X轴承 - 22316BK+H2316X轴承 - 22317BK+H2317X轴承 - 22318BK+H2318X轴承 - 22319BK+H2319X轴承 - 22320BK+H2320X轴承 - 22322BK+H2322X轴承 - 22324BK+H2324X轴承 - 22326BK+H2326轴承 -

基本信息

                     
  球面滚子轴承, 圆柱和圆锥孔, 圆柱型内孔, 用于振动场合
              公差 , 参见文字
              径向内部间隙, 圆柱型内孔 , 圆锥型内孔, 无密封件 , 参见文字
              推荐配合
              轴和轴承座公差
  主要数据尺寸 基本负荷额定值 疲劳负荷限值 额定速度 体积 型号
    动态 静态   参照速度 限制速度
  d D B C C0 Pu * - SKF Explorer 轴承
  mm kN kN r/min kg -
 952006767076573,52600340010,522319 EJA/VA405 *

相同内径95mm型号

  • 品牌
  • 型号
  • 内径
  • 外径
  • 厚度
  • 系列
  • NACHI
  • 6819ZE轴承
  • 95
  • 120
  • 13
  • 深沟球轴承
  • NTN
  • 6819Z轴承
  • 95
  • 120
  • 13
  • 深沟球轴承
  • NSK
  • 6919Z轴承
  • 95
  • 130
  • 18
  • 深沟球轴承
  • NTN
  • 6919Z轴承
  • 95
  • 130
  • 18
  • 深沟球轴承
  • NSK
  • 6019Z轴承
  • 95
  • 145
  • 24
  • 深沟球轴承
  • NACHI
  • NU1019轴承
  • 95
  • 145
  • 24
  • 圆柱滚子轴承
  • NACHI
  • NU219轴承
  • 95
  • 170
  • 32
  • 圆柱滚子轴承
  • NACHI
  • NU219E轴承
  • 95
  • 170
  • 32
  • 圆柱滚子轴承
  • NACHI
  • NU2219轴承
  • 95
  • 170
  • 43
  • 圆柱滚子轴承
  • NACHI
  • NU2219E轴承
  • 95
  • 170
  • 43
  • 圆柱滚子轴承

相同外径200mm型号

  • 品牌
  • 型号
  • 内径
  • 外径
  • 厚度
  • 系列
  • FAG
  • HCS7026C.T.P4S.UL轴承
  • 130
  • 200
  • 33
  • 角接触球轴承
  • FAG
  • HCS7026E.T.P4S.UL轴承
  • 130
  • 200
  • 33
  • 角接触球轴承
  • KOYO
  • 30222JR轴承
  • 110
  • 200
  • 38
  • 圆锥滚子轴承
  • KOYO
  • 32222JR轴承
  • 110
  • 200
  • 53
  • 圆锥滚子轴承
  • FAG
  • 1319K.M.C3+H319轴承
  • 95
  • 200
  • 45
  • 调心球轴承
  • FAG
  • 2319K.M.C3+H2319轴承
  • 95
  • 200
  • 67
  • 调心球轴承
  • FAG
  • NU1026M1轴承
  • 130
  • 200
  • 33
  • 圆柱滚子轴承
  • NTN
  • UK319D1;H2319X轴承
  • 85
  • 200
  • 90
  • 带座外球面球轴承
  • KOYO
  • 30319DJR轴承
  • 95
  • 200
  • 45
  • 圆锥滚子轴承
  • KOYO
  • 30319轴承
  • 95
  • 200
  • 45
  • 圆锥滚子轴承

相同厚度67mm型号

  • 品牌
  • 型号
  • 内径
  • 外径
  • 厚度
  • 系列
  • KOYO
  • NN3034K轴承
  • 170
  • 260
  • 67
  • 圆柱滚子轴承
  • SKF
  • BDA-8002轴承
  • 600
  • 710
  • 67
  • 角接触推力球轴承, 单向
  • SKF
  • NN3034K/W33轴承
  • 170
  • 260
  • 67
  • 圆柱滚子轴承
  • SKF
  • C5020-2CS5V轴承
  • 100
  • 150
  • 67
  • CARB圆环滚子轴承, 圆柱型内孔,密封
  • NTN
  • 23034B轴承
  • 170
  • 260
  • 67
  • 调心滚子轴承
  • SKF
  • NU2319EC轴承
  • 95
  • 200
  • 67
  • 圆柱滚子轴承
  • KOYO
  • NU2319R轴承
  • 95
  • 200
  • 67
  • 圆柱滚子轴承
  • SKF
  • NJ2319EC轴承
  • 95
  • 200
  • 67
  • 圆柱滚子轴承
  • NSK
  • NJ2319EM轴承
  • 95
  • 200
  • 67
  • 圆柱滚子轴承
  • KOYO
  • NJ2319R轴承
  • 95
  • 200
  • 67
  • 圆柱滚子轴承

推荐型号

HTA064DB轴承 AXW25轴承 32307B+T5FE035轴承 22208CK+H308X轴承 AXK3047轴承 33108+T2CE040轴承 21308CK+H308X轴承 AXW30轴承 22308CK+H2308X轴承 30208A+T3DB040轴承 AXK3552轴承 32008XA+T3CD040轴承 22209CK+H309X轴承 AXW35轴承 32208A+T3DC040轴承 21309CK+H309X轴承 

轴承型号查询 | 联系我们| 关于我们| 最新资讯| 高级搜索