• 轴承型号查询
  • 普通搜索
  • 高级搜索
  • 联系我们
  • 关于我们
设为首页     加入收藏
轴承型号查询 > SKF > 2222M/W64轴承

2222M/W64轴承

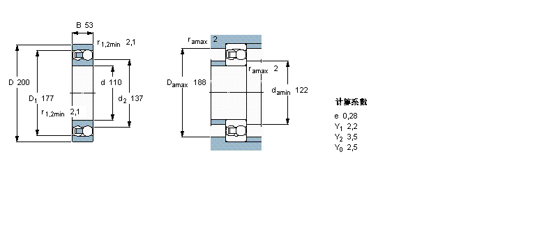
型号:2222M/W64
品牌:SKF
系列:自调心球轴承, 含Solid Oil, 无密封件
内径:110 mm
外径:200 mm
厚度:53 mm
【发布日期:】
2222M/W64是SKF品牌下的自调心球轴承, 含Solid Oil, 无密封件型号,我司有部分现货库存,2222M/W64轴承详细参数如下表所示,如有疑问,欢迎拨打0512-62658883进行咨询,并且我司能为客户提供样本图纸,2222M/W64轴承替代型号,价格等详细资料!
   公司还为您推荐型号:
    22264-K-MB轴承 - 22264-MB轴承 - 222SM320-MA轴承 - 2222K轴承 - 22226EXK轴承 - 22226AEXK轴承 - 222SM85-TVPA轴承 - 22214H轴承 - 22214HK轴承 - 22214CD轴承 - 22214CDK轴承 - 22215HK轴承 - 22215H轴承 - 22215CD轴承 - 22215CDK轴承 -

基本信息

                   
  自调心球轴承, 含Solid Oil, 无密封件
                公差 , 参见文字
                径向内部游隙 , 参见文字
                推荐配合
                轴和轴承座公差
  主要数据尺寸 基本负荷额定值 疲劳负荷限值 限制速度 体积 型号
    动态 静态      
  d D B C C0 Pu
  mm kN kN r/min kg -
 11020053124522,129007,12222 M/W64

相同内径110mm型号

  • 品牌
  • 型号
  • 内径
  • 外径
  • 厚度
  • 系列
  • KOYO
  • 7022AC/DB轴承
  • 110
  • 170
  • 56
  • 角接触球轴承
  • SKF
  • NJ322EC轴承
  • 110
  • 240
  • 50
  • 圆柱滚子轴承
  • NTN
  • 7222AC/DB轴承
  • 110
  • 200
  • 76
  • 角接触球轴承
  • KOYO
  • NJ322R轴承
  • 110
  • 240
  • 50
  • 圆柱滚子轴承
  • KOYO
  • NJ322轴承
  • 110
  • 240
  • 50
  • 圆柱滚子轴承
  • NTN
  • 7022AC/DB轴承
  • 110
  • 170
  • 56
  • 角接触球轴承
  • NSK
  • 7222AC/DB轴承
  • 110
  • 200
  • 76
  • 角接触球轴承
  • SKF
  • NJ2322EC轴承
  • 110
  • 240
  • 80
  • 圆柱滚子轴承
  • NSK
  • 7022AC/DB轴承
  • 110
  • 170
  • 56
  • 角接触球轴承
  • SKF
  • C3024K+H3024E轴承
  • 110
  • 180
  • 46
  • CARB圆环滚子轴承, 带紧定套的, 与保持架

相同外径200mm型号

  • 品牌
  • 型号
  • 内径
  • 外径
  • 厚度
  • 系列
  • FAG
  • AS160200轴承
  • 160
  • 200
  • 1
  • 推力滚子轴承
  • NSK
  • 7319CDT轴承
  • 95
  • 200
  • 90
  • 角接触球轴承
  • NTN
  • AS1132轴承
  • 160
  • 200
  • 1
  • 推力滚子轴承
  • KOYO
  • 7222CDT轴承
  • 110
  • 200
  • 76
  • 角接触球轴承
  • SKF
  • 30222轴承
  • 110
  • 200
  • 38
  • 圆锥滚子轴承
  • KOYO
  • 7026CDT轴承
  • 130
  • 200
  • 66
  • 角接触球轴承
  • FAG
  • 1319-K-M-C3轴承
  • 95
  • 200
  • 45
  • 自调心球轴承
  • FAG
  • 1319-M轴承
  • 95
  • 200
  • 45
  • 自调心球轴承
  • FAG
  • 20319-MB轴承
  • 95
  • 200
  • 45
  • 鼓形滚子轴承
  • FAG
  • 21319-E1-K-TVPB轴承
  • 95
  • 200
  • 45
  • 调心滚子轴承

相同厚度53mm型号

  • 品牌
  • 型号
  • 内径
  • 外径
  • 厚度
  • 系列
  • KOYO
  • 22222RHRK+AHX3122轴承
  • 105
  • 200
  • 53
  • 球面滚子轴承
  • KOYO
  • 23028RHK+AHX3028轴承
  • 135
  • 210
  • 53
  • 球面滚子轴承
  • SKF
  • 53226+U226轴承
  • 130
  • 190
  • 53
  • 推力球轴承
  • KOYO
  • 23028RHKW33轴承
  • 140
  • 210
  • 53
  • 调心滚子轴承
  • SKF
  • 22222EK+H322轴承
  • 100
  • 200
  • 53
  • 球面滚子轴承, 带紧定套的
  • SKF
  • 81156轴承
  • 280
  • 350
  • 53
  • 推力滚子轴承
  • NACHI
  • 22222EW33K轴承
  • 110
  • 200
  • 53
  • 调心滚子轴承
  • NACHI
  • 23028EW33K轴承
  • 140
  • 210
  • 53
  • 调心滚子轴承
  • FAG
  • 81156MPB轴承
  • 280
  • 350
  • 53
  • 推力滚子轴承
  • NSK
  • 22222HKE4轴承
  • 110
  • 200
  • 53
  • 调心滚子轴承

推荐型号

NJ1010轴承 SL024964轴承 6804ZN轴承 7313CDB轴承 6805ZN轴承 NJ210轴承 32964-N11CA轴承 NJ210E轴承 7014DB轴承 6806ZN轴承 GE320-DO轴承 7014CDB轴承 NJ2210轴承 6807ZN轴承 GE320-DW轴承 7214DB轴承 

轴承型号查询 | 联系我们| 关于我们| 最新资讯| 高级搜索