• 轴承型号查询
  • 普通搜索
  • 高级搜索
  • 联系我们
  • 关于我们
设为首页     加入收藏
轴承型号查询 > SKF > 2222M轴承

2222M轴承

型号:2222M
品牌:SKF
系列:自调心球轴承, 圆柱孔和圆锥孔, 圆柱型内孔, 无密封件
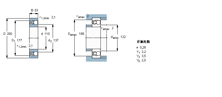
内径:110 mm
外径:200 mm
厚度:53 mm
【发布日期:】
2222M是SKF品牌下的自调心球轴承, 圆柱孔和圆锥孔, 圆柱型内孔, 无密封件型号,我司有部分现货库存,2222M轴承详细参数如下表所示,如有疑问,欢迎拨打0512-62658883进行咨询,并且我司能为客户提供样本图纸,2222M轴承替代型号,价格等详细资料!
   公司还为您推荐型号:
    22222BK+H322X轴承 - 22252EW33轴承 - 22224BK+H3124X轴承 - 222S.203轴承 - 22226BK+H3126轴承 - 22256EW33轴承 - 22228BK+H3128轴承 - 22230BK+H3130轴承 - 22260EW33轴承 - 22232BK+H3132轴承 - 22264EW33轴承 - 22234BK+H3134轴承 - 22236BK+H3136轴承 - 22268EW33轴承 - 22238BK+H3138轴承 -

基本信息

                     
  自调心球轴承, 圆柱孔和圆锥孔, 圆柱型内孔, 无密封件
                  公差 , 参见文字
                  径向内部游隙 , 参见文字
                  推荐配合
                  轴和轴承座公差
  主要数据尺寸 基本负荷额定值 疲劳负荷限值 额定速度 体积 型号
    动态 静态   参照速度 限制速度
  d D B C C0 Pu
  mm kN kN r/min kg -
 11020053124522,12600043007,102222 M

相同内径110mm型号

  • 品牌
  • 型号
  • 内径
  • 外径
  • 厚度
  • 系列
  • SKF
  • NU222EC轴承
  • 110
  • 200
  • 38
  • 圆柱滚子轴承
  • NTN
  • 7222AC/DT轴承
  • 110
  • 200
  • 76
  • 角接触球轴承
  • NTN
  • 7022AC/DT轴承
  • 110
  • 170
  • 56
  • 角接触球轴承
  • SKF
  • NU2222EC轴承
  • 110
  • 200
  • 53
  • 圆柱滚子轴承
  • NSK
  • 7022AC/DT轴承
  • 110
  • 170
  • 56
  • 角接触球轴承
  • SKF
  • NU2322EC轴承
  • 110
  • 240
  • 80
  • 圆柱滚子轴承
  • FAG
  • 7022AC/DT轴承
  • 110
  • 170
  • 56
  • 角接触球轴承
  • KOYO
  • 7322C/DT轴承
  • 110
  • 240
  • 100
  • 角接触球轴承
  • FAG
  • NU422轴承
  • 110
  • 280
  • 65
  • 圆柱滚子轴承
  • NTN
  • NU422轴承
  • 110
  • 280
  • 65
  • 圆柱滚子轴承

相同外径200mm型号

  • 品牌
  • 型号
  • 内径
  • 外径
  • 厚度
  • 系列
  • NTN
  • 23026BD1轴承
  • 130
  • 200
  • 52
  • 调心滚子轴承
  • SKF
  • 22319CC/W33轴承
  • 95
  • 200
  • 67
  • 调心滚子轴承
  • SKF
  • 81132轴承
  • 160
  • 200
  • 31
  • 推力滚子轴承
  • SKF
  • 22222CC/W33轴承
  • 110
  • 200
  • 53
  • 调心滚子轴承
  • KOYO
  • 21319RHK轴承
  • 95
  • 200
  • 45
  • 调心滚子轴承
  • SKF
  • 81228轴承
  • 140
  • 200
  • 46
  • 推力滚子轴承
  • NACHI
  • 21319EK轴承
  • 95
  • 200
  • 45
  • 调心滚子轴承
  • NSK
  • 21319AK轴承
  • 95
  • 200
  • 45
  • 调心滚子轴承
  • FAG
  • 21319EK.TVPB轴承
  • 95
  • 200
  • 45
  • 调心滚子轴承
  • SKF
  • 21319CCK轴承
  • 95
  • 200
  • 45
  • 调心滚子轴承

相同厚度53mm型号

  • 品牌
  • 型号
  • 内径
  • 外径
  • 厚度
  • 系列
  • NACHI
  • 23028EK+H3028轴承
  • 125
  • 210
  • 53
  • 调心滚子轴承
  • SKF
  • 22222E/W64轴承
  • 110
  • 200
  • 53
  • 球面滚子轴承, 圆柱型内孔,含Solid Oil, 圆柱型内孔
  • NTN
  • 51156轴承
  • 280
  • 350
  • 53
  • 推力球轴承
  • SKF
  • 53226+U226轴承
  • 130
  • 190
  • 53
  • 推力球轴承
  • KOYO
  • NU2222轴承
  • 110
  • 200
  • 53
  • 圆柱滚子轴承
  • KOYO
  • NU2222R轴承
  • 110
  • 200
  • 53
  • 圆柱滚子轴承
  • SKF
  • NCF3028CV轴承
  • 140
  • 210
  • 53
  • 圆柱滚子轴承, 单列满装滚子, NCF 设计
  • SKF
  • 81156轴承
  • 280
  • 350
  • 53
  • 推力滚子轴承
  • FAG
  • 81156MPB轴承
  • 280
  • 350
  • 53
  • 推力滚子轴承
  • SKF
  • 31321X轴承
  • 105
  • 225
  • 53
  • 圆锥滚子轴承

推荐型号

GRA115-NPP-B-AS2/V轴承 FG56207轴承 22320BK+H2320X轴承 23248EW33轴承 GY1115-KRR-B-AS2/V轴承 FG56210轴承 23122BK+H3122X轴承 22348EW33轴承 FT28轴承 FG56208轴承 22222BK+H322X轴承 23952EW33轴承 GT28轴承 FG56209轴承 23222BK+H2322X轴承 23052EW33轴承 

轴承型号查询 | 联系我们| 关于我们| 最新资讯| 高级搜索