• 轴承型号查询
  • 普通搜索
  • 高级搜索
  • 联系我们
  • 关于我们
设为首页     加入收藏
轴承型号查询 > SKF > 21313E轴承

21313E轴承

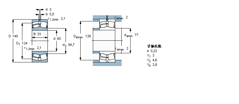
型号:21313E
品牌:SKF
系列:球面滚子轴承, 圆柱和圆锥孔, 圆柱型内孔, 无密封件
内径:65 mm
外径:140 mm
厚度:33 mm
【发布日期:】
21313E是SKF品牌下的球面滚子轴承, 圆柱和圆锥孔, 圆柱型内孔, 无密封件型号,我司有部分现货库存,21313E轴承详细参数如下表所示,如有疑问,欢迎拨打0512-62658883进行咨询,并且我司能为客户提供样本图纸,21313E轴承替代型号,价格等详细资料!
   公司还为您推荐型号:
    213-2ZNR轴承 - 21314CD轴承 - 21314CDK轴承 - 21315CD轴承 - 21316CD轴承 - 21316CDK轴承 - 213-2Z轴承 - 21317CDK轴承 - 21317CD轴承 - 21307CD轴承 - 21307CDK轴承 - 21308CD轴承 - 21308CDK轴承 - 21309CD轴承 - 21310CD轴承 -

基本信息

                     
  球面滚子轴承, 圆柱和圆锥孔, 圆柱型内孔, 无密封件
              公差 , 参见文字
              径向内部间隙, 圆柱型内孔 , 圆锥型内孔, 无密封件 , 参见文字
              推荐配合
              轴和轴承座公差
  主要数据尺寸 基本负荷额定值 疲劳负荷限值 额定速度 体积 型号
    动态 静态   参照速度 限制速度
  d D B C C0 Pu * - SKF Explorer 轴承
  mm kN kN r/min kg -
 651403323627029430060002,5521313 E *

相同内径65mm型号

  • 品牌
  • 型号
  • 内径
  • 外径
  • 厚度
  • 系列
  • INA
  • SL045013PP轴承
  • 65
  • 100
  • 46
  • 圆柱滚子轴承
  • NSK
  • NN3013轴承
  • 65
  • 100
  • 26
  • 双列圆柱滚子轴承
  • NSK
  • NN3013K轴承
  • 65
  • 100
  • 26
  • 双列圆柱滚子轴承
  • SKF
  • N213EC轴承
  • 65
  • 120
  • 23
  • 圆柱滚子轴承
  • KOYO
  • N213轴承
  • 65
  • 120
  • 23
  • 圆柱滚子轴承
  • SKF
  • N313EC轴承
  • 65
  • 140
  • 33
  • 圆柱滚子轴承
  • KOYO
  • N313轴承
  • 65
  • 140
  • 33
  • 圆柱滚子轴承
  • FAG
  • N413轴承
  • 65
  • 160
  • 37
  • 圆柱滚子轴承
  • KOYO
  • N413轴承
  • 65
  • 160
  • 37
  • 圆柱滚子轴承
  • NACHI
  • 6213ZZE轴承
  • 65
  • 120
  • 23
  • 深沟球轴承

相同外径140mm型号

  • 品牌
  • 型号
  • 内径
  • 外径
  • 厚度
  • 系列
  • NSK
  • 7216C/DT轴承
  • 80
  • 140
  • 52
  • 角接触球轴承
  • NSK
  • 7018AC/DF轴承
  • 90
  • 140
  • 48
  • 角接触球轴承
  • KOYO
  • NNU4920K轴承
  • 100
  • 140
  • 40
  • 圆柱滚子轴承
  • FAG
  • 7216AC/DF轴承
  • 80
  • 140
  • 52
  • 角接触球轴承
  • SKF
  • NNU4920B/W33轴承
  • 100
  • 140
  • 40
  • 圆柱滚子轴承
  • NSK
  • RS-4920E4轴承
  • 100
  • 140
  • 40
  • 满装圆柱滚子轴承滑轮用
  • NSK
  • RS-4822E4轴承
  • 110
  • 140
  • 30
  • 满装圆柱滚子轴承滑轮用
  • NTN
  • 3216A轴承
  • 80
  • 140
  • 44.4
  • 角接触球轴承
  • SKF
  • NNU4920BK/W33轴承
  • 100
  • 140
  • 40
  • 圆柱滚子轴承
  • KOYO
  • 7313B/DT轴承
  • 65
  • 140
  • 66
  • 角接触球轴承

相同厚度33mm型号

  • 品牌
  • 型号
  • 内径
  • 外径
  • 厚度
  • 系列
  • NSK
  • 21313CD轴承
  • 65
  • 140
  • 33
  • 调心滚子轴承
  • NACHI
  • 7313DT轴承
  • 65
  • 140
  • 33
  • 角接触球轴承
  • NACHI
  • 7313BDT轴承
  • 65
  • 140
  • 33
  • 角接触球轴承
  • NACHI
  • 7313CDT轴承
  • 65
  • 140
  • 33
  • 角接触球轴承
  • FAG
  • 21313E.TVPB轴承
  • 65
  • 140
  • 33
  • 调心滚子轴承
  • SKF
  • 21313CC轴承
  • 65
  • 140
  • 33
  • 调心滚子轴承
  • FAG
  • QJ313轴承
  • 65
  • 140
  • 33
  • 角接触球轴承
  • SKF
  • QJ313N2轴承
  • 65
  • 140
  • 33
  • 角接触球轴承
  • NACHI
  • 5211N轴承
  • 55
  • 100
  • 33
  • 角接触球轴承
  • NACHI
  • 5211AN轴承
  • 55
  • 100
  • 33
  • 角接触球轴承

推荐型号

2×7207BEGBY轴承 308-2ZNR轴承 2928轴承 B71928-C-2RSD-T-P4S轴承 2×7307BECBM轴承 209-2ZNR轴承 309-2ZNR轴承 B71928-C-T-P4S轴承 2×7307BECBP轴承 B71928-E-2RSD-T-P4S轴承 2×7307BECBY轴承 210-2ZNR轴承 310-2ZNR轴承 B71928-E-T-P4S轴承 2×7307BEGAP轴承 2×7307BEGBP轴承 

轴承型号查询 | 联系我们| 关于我们| 最新资讯| 高级搜索