• 轴承型号查询
  • 普通搜索
  • 高级搜索
  • 联系我们
  • 关于我们
设为首页     加入收藏
轴承型号查询 > SKF > 1319轴承

1319轴承

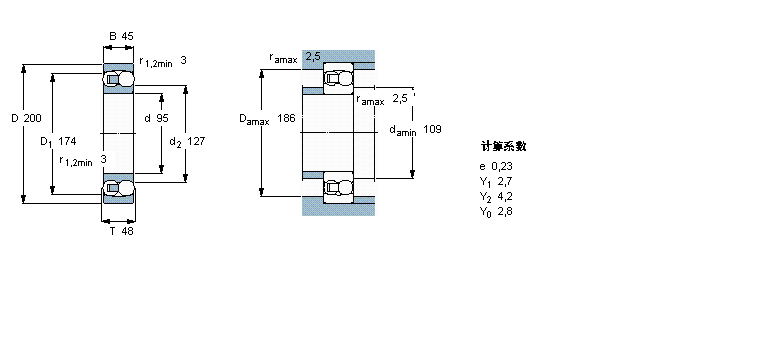
型号:1319
品牌:SKF
系列:自调心球轴承, 圆柱孔和圆锥孔, 圆柱型内孔, 无密封件
内径:95 mm
外径:200 mm
厚度:45 mm
【发布日期:】
1319是SKF品牌下的自调心球轴承, 圆柱孔和圆锥孔, 圆柱型内孔, 无密封件型号,我司有部分现货库存,1319轴承详细参数如下表所示,如有疑问,欢迎拨打0512-62658883进行咨询,并且我司能为客户提供样本图纸,1319轴承替代型号,价格等详细资料!
   公司还为您推荐型号:
    1311-K-TVH-C3轴承 - 1313K轴承 - 1312K轴承 - 1311K轴承 - 1310K轴承 - 1313K轴承 - 1312K轴承 - 1311K轴承 - 1310K轴承 - 1319轴承 - 1311轴承 - 1310轴承 - 1313轴承 - 1312轴承 - 1311轴承 -

基本信息

                     
  自调心球轴承, 圆柱孔和圆锥孔, 圆柱型内孔, 无密封件
                  公差 , 参见文字
                  径向内部游隙 , 参见文字
                  推荐配合
                  轴和轴承座公差
  主要数据尺寸 基本负荷额定值 疲劳负荷限值 额定速度 体积 型号
    动态 静态   参照速度 限制速度
  d D B C C0 Pu
  mm kN kN r/min kg -
 9520045133512,16630043006,701319

相同内径95mm型号

  • 品牌
  • 型号
  • 内径
  • 外径
  • 厚度
  • 系列
  • SKF
  • NU319ECM/C3VL0241轴承
  • 95
  • 200
  • 45
  • 圆柱滚子轴承, 单列,INSOCOAT
  • INA
  • IR95X105X26轴承
  • 95
  • 105
  • 26
  • 其它
  • INA
  • IR95X110X35轴承
  • 95
  • 110
  • 35
  • 其它
  • INA
  • IR95X105X36轴承
  • 95
  • 105
  • 36
  • 其它
  • INA
  • IR95X110X63轴承
  • 95
  • 110
  • 63
  • 其它
  • FAG
  • 6319.2ZR轴承
  • 95
  • 200
  • 45
  • 深沟球轴承
  • INA
  • SL192319轴承
  • 95
  • 200
  • 67
  • 圆柱滚子轴承
  • NSK
  • 6019DDU轴承
  • 95
  • 145
  • 24
  • 深沟球轴承
  • NSK
  • 22219H轴承
  • 95
  • 170
  • 43
  • 调心滚子轴承
  • NSK
  • 22219HK轴承
  • 95
  • 170
  • 43
  • 调心滚子轴承

相同外径200mm型号

  • 品牌
  • 型号
  • 内径
  • 外径
  • 厚度
  • 系列
  • NACHI
  • 6319NR轴承
  • 95
  • 200
  • 45
  • 深沟球轴承
  • NTN
  • 21319轴承
  • 95
  • 200
  • 45
  • 调心滚子轴承
  • NTN
  • 22319B轴承
  • 95
  • 200
  • 67
  • 调心滚子轴承
  • NTN
  • 21319K轴承
  • 95
  • 200
  • 45
  • 调心滚子轴承
  • NTN
  • 22319BK轴承
  • 95
  • 200
  • 67
  • 调心滚子轴承
  • NTN
  • 22222B轴承
  • 110
  • 200
  • 53
  • 调心滚子轴承
  • NTN
  • 23222B轴承
  • 110
  • 200
  • 69.8
  • 调心滚子轴承
  • NTN
  • 22222BK轴承
  • 110
  • 200
  • 53
  • 调心滚子轴承
  • NTN
  • 23222BK轴承
  • 110
  • 200
  • 69.8
  • 调心滚子轴承
  • NTN
  • 23124B轴承
  • 120
  • 200
  • 62
  • 调心滚子轴承

相同厚度45mm型号

  • 品牌
  • 型号
  • 内径
  • 外径
  • 厚度
  • 系列
  • FAG
  • 32028X+T4DC140轴承
  • 140
  • 210
  • 45
  • 圆锥滚子轴承
  • IKO
  • RNA6911UU轴承
  • 63
  • 80
  • 45
  • 滚针轴承
  • IKO
  • RNA6911U轴承
  • 63
  • 80
  • 45
  • 滚针轴承
  • IKO
  • RNA6912UU轴承
  • 68
  • 85
  • 45
  • 滚针轴承
  • IKO
  • RNA6912U轴承
  • 68
  • 85
  • 45
  • 滚针轴承
  • IKO
  • RNA6913UU轴承
  • 72
  • 90
  • 45
  • 滚针轴承
  • IKO
  • RNA6913U轴承
  • 72
  • 90
  • 45
  • 滚针轴承
  • FAG
  • 1319K.M.C3+H319轴承
  • 95
  • 200
  • 45
  • 调心球轴承
  • FAG
  • 32026-X轴承
  • 130
  • 200
  • 45
  • 圆锥滚子轴承
  • FAG
  • N230E.M1轴承
  • 150
  • 270
  • 45
  • 圆柱滚子轴承

推荐型号

NJ2203-E-TVP2+HJ2203E轴承 7008C/DT轴承 NU2203-E-TVP2轴承 7009C/DT轴承 NUP2203-E-TVP2轴承 7010C/DT轴承 STO17轴承 32203-A轴承 7011C/DT轴承 203-KRR轴承 7012C/DT轴承 NATR17轴承 7013C/DT轴承 NATR17-PP轴承 7014C/DT轴承 NATV17轴承 

轴承型号查询 | 联系我们| 关于我们| 最新资讯| 高级搜索