• 轴承型号查询
  • 普通搜索
  • 高级搜索
  • 联系我们
  • 关于我们
设为首页     加入收藏
轴承型号查询 > SKF > 1220K轴承

1220K轴承

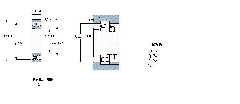
型号:1220K
品牌:SKF
系列:自调心球轴承, 圆柱孔和圆锥孔, 圆锥型内孔, 无密封件
内径:100 mm
外径:180 mm
厚度:34 mm
【发布日期:】
1220K是SKF品牌下的自调心球轴承, 圆柱孔和圆锥孔, 圆锥型内孔, 无密封件型号,我司有部分现货库存,1220K轴承详细参数如下表所示,如有疑问,欢迎拨打0512-62658883进行咨询,并且我司能为客户提供样本图纸,1220K轴承替代型号,价格等详细资料!
   公司还为您推荐型号:
    1222K.M.C3+H222轴承 - 1220K+H220X轴承 - 1222K+H222X轴承 - 1220M轴承 - 1220K.M.C3轴承 - 1221M轴承 - 1222M轴承 - 1222K.M.C3轴承 - 1224M轴承 - 1226M轴承 - 1228M轴承 - 1220轴承 - 1220K轴承 - 1221轴承 - 1222轴承 -

基本信息

                     
  自调心球轴承, 圆柱孔和圆锥孔, 圆锥型内孔, 无密封件
                  公差 , 参见文字
                  径向内部游隙 , 参见文字
                  推荐配合
                  轴和轴承座公差
  主要数据尺寸 基本负荷额定值 疲劳负荷限值 额定速度 体积 型号
    动态 静态   参照速度 限制速度
  d D B C C0 Pu
  mm kN kN r/min kg -
 1001803468,9301,29750048003,601220 K

相同内径100mm型号

  • 品牌
  • 型号
  • 内径
  • 外径
  • 厚度
  • 系列
  • NTN
  • HSB920C轴承
  • 100
  • 140
  • 20
  • 主轴用精密角接触球轴承
  • NTN
  • HSB020C轴承
  • 100
  • 150
  • 24
  • 主轴用精密角接触球轴承
  • NACHI
  • 7020DT轴承
  • 100
  • 150
  • 24
  • 角接触球轴承
  • NTN
  • 5S-HSB920C轴承
  • 100
  • 140
  • 20
  • 主轴用精密角接触球轴承
  • NTN
  • 5S-HSB020C轴承
  • 100
  • 150
  • 24
  • 主轴用精密角接触球轴承
  • NACHI
  • 6820ZE轴承
  • 100
  • 125
  • 13
  • 深沟球轴承
  • NTN
  • 6820Z轴承
  • 100
  • 125
  • 13
  • 深沟球轴承
  • NSK
  • 6920Z轴承
  • 100
  • 140
  • 20
  • 深沟球轴承
  • NTN
  • 6920Z轴承
  • 100
  • 140
  • 20
  • 深沟球轴承
  • NSK
  • 6020Z轴承
  • 100
  • 150
  • 24
  • 深沟球轴承

相同外径180mm型号

  • 品牌
  • 型号
  • 内径
  • 外径
  • 厚度
  • 系列
  • FAG
  • HCS7024C.T.P4S.UL轴承
  • 120
  • 180
  • 28
  • 角接触球轴承
  • FAG
  • HCS7024E.T.P4S.UL轴承
  • 120
  • 180
  • 28
  • 角接触球轴承
  • FAG
  • HCS71926C.T.P4S.UL轴承
  • 130
  • 180
  • 24
  • 角接触球轴承
  • FAG
  • HCS71926E.T.P4S.UL轴承
  • 130
  • 180
  • 24
  • 角接触球轴承
  • FAG
  • 1317K.M.C3+H317轴承
  • 85
  • 180
  • 41
  • 调心球轴承
  • FAG
  • 2317K.M.C3+H2317轴承
  • 85
  • 180
  • 60
  • 调心球轴承
  • IKO
  • CRBH12025A轴承
  • 120
  • 180
  • 25
  • 交叉滚子轴承
  • FAG
  • 1220K.M.C3+H220轴承
  • 100
  • 180
  • 34
  • 调心球轴承
  • FAG
  • 2220K.M.C3+H320轴承
  • 100
  • 180
  • 46
  • 调心球轴承
  • IKO
  • CRBH12025AUU轴承
  • 120
  • 180
  • 25
  • 交叉滚子轴承

相同厚度34mm型号

  • 品牌
  • 型号
  • 内径
  • 外径
  • 厚度
  • 系列
  • INA
  • 1220-K-M-C3轴承
  • 100
  • 180
  • 34
  • 自调心球轴承
  • INA
  • 1220-M轴承
  • 100
  • 180
  • 34
  • 自调心球轴承
  • INA
  • 20220-K-MB-C3轴承
  • 100
  • 180
  • 34
  • 鼓形滚子轴承
  • INA
  • 20220-MB轴承
  • 100
  • 180
  • 34
  • 鼓形滚子轴承
  • INA
  • 6220轴承
  • 100
  • 180
  • 34
  • 深沟球轴承
  • INA
  • 6220-2RSR轴承
  • 100
  • 180
  • 34
  • 深沟球轴承
  • INA
  • 6220-2Z轴承
  • 100
  • 180
  • 34
  • 深沟球轴承
  • INA
  • 7220-B-JP轴承
  • 100
  • 180
  • 34
  • 角接触球轴承
  • INA
  • 7220-B-TVP轴承
  • 100
  • 180
  • 34
  • 角接触球轴承
  • INA
  • 7602100-TVP轴承
  • 100
  • 180
  • 34
  • 推力角接触球轴承

推荐型号

89324M轴承 7234B.MP轴承 29348轴承 89424M轴承 7334B.MP轴承 29448轴承 81126TN轴承 29252轴承 3200B.TVH轴承 81226TN轴承 3200B.2ZR.TVH轴承 29352轴承 89326M轴承 3201B.TVH轴承 29452轴承 89426M轴承 

轴承型号查询 | 联系我们| 关于我们| 最新资讯| 高级搜索