


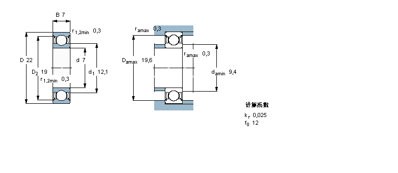
| 深沟球轴承, 单列,不锈钢, 两面防尘罩 | ||||||||||
| 公差 , 参见文字 | ||||||||||
| 径向内部游隙 , 参见文字 | ||||||||||
| 推荐配合 | ||||||||||
| 轴和轴承座公差 | ||||||||||
|
|
||||||||||
| 主要数据尺寸 | 基本负荷额定值 | 疲劳负荷限值 | 额定速度 | 体积 | 型号 | |||||
| 动态 | 静态 | 参照速度 | 限制速度 | |||||||
| d | D | B | C | C0 | Pu | |||||
|
|
||||||||||
| mm | kN | kN | r/min | kg | - | |||||
|
|
||||||||||
| 7 | 22 | 7 | 2,76 | 1,32 | 0,057 | 70000 | 36000 | 0,013 | W 627-2Z | |