网站导航
首页
FAG轴承
SKF轴承
NSK轴承
NTN轴承
IKO轴承
KOYO轴承
NACHI轴承
INA轴承
TIMKEN轴承
联系我们
关于我们
销售热线:
0512-62658883
轴承基本参数
型号:W08轴承
品牌:SKF
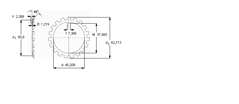
系列:W锁紧垫圈, 英制尺寸
内径:40.208 mm
外径:62.713 mm
厚度:1.219 mm
轴承W08是我公司专业销售,我们能对W08轴承为客户提供详细参数,需要SKF W08最新规格、报价等资料请联系销售人员
0512-62658883
!
W锁紧垫圈, 英制尺寸
尺寸
体积
型号
锁紧垫圈
适宜的锁定螺母
d
d
2
B
mm
kg
-
40,208
62,713
1,219
0,019
W 08
N 08
推荐型号
N1940-K-M1-SP轴承
11204ETN9轴承
NJ330轴承
1304ETN9轴承
NU2330轴承
29240-E1-MB轴承
SL182940轴承
2304E-2RS1TN9轴承
NJ2330轴承
NUP2330轴承
32940-A轴承
2304M轴承
23940-S-K-MB轴承
2304TN轴承
NU232轴承
©2022 恩梯必传动设备(苏州)有限公司