网站导航
首页
FAG轴承
SKF轴承
NSK轴承
NTN轴承
IKO轴承
KOYO轴承
NACHI轴承
INA轴承
TIMKEN轴承
联系我们
关于我们
销售热线:
0512-62658883
轴承基本参数
型号:VJ-PDNB317轴承
品牌:SKF
系列:双轴承单元, 用PDNB单元的轴
内径:75 mm
外径:85 mm
厚度:234.5 mm
轴承VJ-PDNB317是我公司专业销售,我们能对VJ-PDNB317轴承为客户提供详细参数,需要SKF VJ-PDNB317最新规格、报价等资料请联系销售人员
0512-62658883
!
双轴承单元, 用PDNB单元的轴
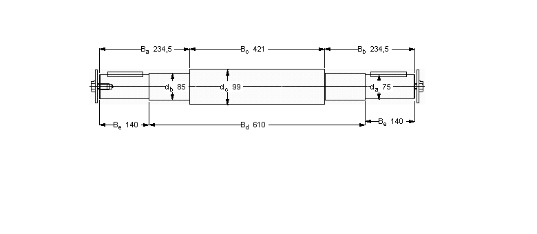
尺寸
键
质量
型号
d
a
d
b
B
a
B
b
B
c
B
d
B
e
mm
-
kg
-
75
85
234,5
234,5
421
610
140
20x12x100
43,0
VJ-PDNB 317
推荐型号
23944CAE4轴承
53206轴承
7209CDT轴承
NJ418+HJ418轴承
23044CAE4轴承
RNA2205-2RSR轴承
7309BDT轴承
NJ419+HJ419轴承
24044CE4轴承
PNA30/52轴承
7309DT轴承
NJ420+HJ420轴承
23144CE4轴承
NKIS30轴承
7309CDT轴承
©2022 恩梯必传动设备(苏州)有限公司