销售热线:0512-62658883

轴承基本参数

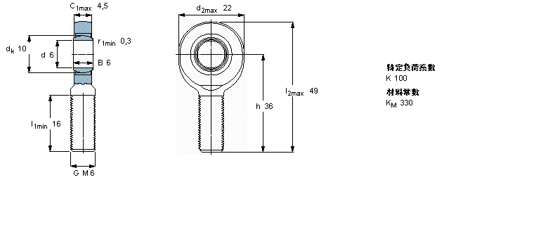
型号:SAL6E轴承
品牌:SKF
系列:需要维护的杆端, 钢对钢,阳螺纹
轴承SAL6E是我公司专业销售,我们能对SAL6E轴承为客户提供详细参数,需要SKF SAL6E最新规格、报价等资料请联系销售人员0512-62658883
                       
  需要维护的杆端, 钢对钢,阳螺纹
                      公差 , 参见文字
                      径向内部游隙 , 参见文字
  主要数据尺寸 角度倾的 基本负荷额定值 质量 型号
      动态 静态 杆端带右或左旋螺纹
  d d2 B d3 C1 h ± C C0  
    6g
  mm 度数 kN kg -
 6226M 64,536133,48,150,015SAL 6 E

推荐型号

PSHE45-TV-FA125.5轴承  6221-2Z轴承  6020ZZX轴承  PSHEY45轴承  6221-RS1轴承  6222ZZS轴承  PTUE45轴承  6221-Z轴承  6224ZZS轴承  PTUE45-TV-FA125.5轴承  6321轴承  6226ZZS轴承  RA45轴承  6321-2Z轴承  624ZZ轴承 
©2022 恩梯必传动设备(苏州)有限公司