网站导航
首页
FAG轴承
SKF轴承
NSK轴承
NTN轴承
IKO轴承
KOYO轴承
NACHI轴承
INA轴承
TIMKEN轴承
联系我们
关于我们
销售热线:
0512-62658883
轴承基本参数
型号:OH39/710HE轴承
品牌:SKF
系列:紧定套
轴承OH39/710HE是我公司专业销售,我们能对OH39/710HE轴承为客户提供详细参数,需要SKF OH39/710HE最新规格、报价等资料请联系销售人员
0512-62658883
!
紧定套
尺寸
体积
型号
紧定轴套带螺母
锁定螺母
锁定装置
适宜的液压
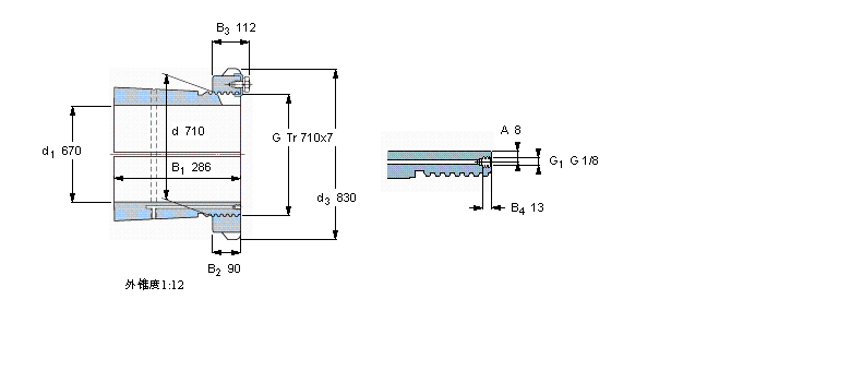
d
1
d
d
3
B
1
G
和锁紧装置
螺母
mm
kg
-
670
710
830
286
Tr 710x7
183
OH 39/710 HE
HME 30/710
MS 30/710
HMV 142 E
推荐型号
6302-Z轴承
6232ZS轴承
HK3018-RS轴承
K30X37X18轴承
62302-2RS1轴承
633Z轴承
634Z轴承
BK3020轴承
RLS5轴承
RLS5-2RS1轴承
635Z轴承
HF3020轴承
HK3020轴承
RLS5-2Z轴承
6300Z轴承
©2022 恩梯必传动设备(苏州)有限公司