网站导航
首页
FAG轴承
SKF轴承
NSK轴承
NTN轴承
IKO轴承
KOYO轴承
NACHI轴承
INA轴承
TIMKEN轴承
联系我们
关于我们
销售热线:
0512-62658883
轴承基本参数
型号:OH39/630HE轴承
品牌:SKF
系列:紧定套
轴承OH39/630HE是我公司专业销售,我们能对OH39/630HE轴承为客户提供详细参数,需要SKF OH39/630HE最新规格、报价等资料请联系销售人员
0512-62658883
!
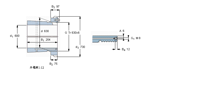
紧定套
尺寸
体积
型号
紧定轴套带螺母
锁定螺母
锁定装置
适宜的液压
d
1
d
d
3
B
1
G
和锁紧装置
螺母
mm
kg
-
600
630
730
254
Tr 630x6
124
OH 39/630 HE
HME 30/630
MS 30/630
HMV 126 E
推荐型号
81593/81963CD轴承
HS71912-E-T-P4S轴承
UCF213轴承
NUP2238E轴承
LM330448/LM330410D轴承
HSS71912-C-T-P4S轴承
UCF214轴承
81600/81963CD轴承
NUP338轴承
HSS71912-E-T-P4S轴承
UCF215轴承
99600/99102CD轴承
NUP2338轴承
N1912-K-M1-SP轴承
UCF216轴承
©2022 恩梯必传动设备(苏州)有限公司