网站导航
首页
FAG轴承
SKF轴承
NSK轴承
NTN轴承
IKO轴承
KOYO轴承
NACHI轴承
INA轴承
TIMKEN轴承
联系我们
关于我们
销售热线:
0512-62658883
轴承基本参数
型号:OH32/950H轴承
品牌:SKF
系列:紧定套
轴承OH32/950H是我公司专业销售,我们能对OH32/950H轴承为客户提供详细参数,需要SKF OH32/950H最新规格、报价等资料请联系销售人员
0512-62658883
!
紧定套
尺寸
体积
型号
紧定轴套带螺母
锁定螺母
锁定装置
适宜的液压
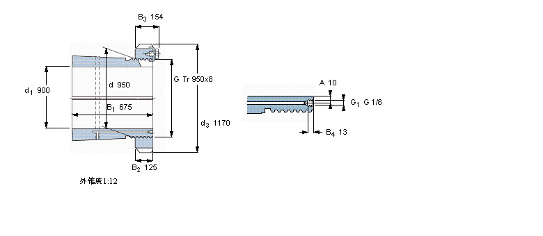
d
1
d
d
3
B
1
G
和锁紧装置
螺母
mm
kg
-
900
950
1170
675
Tr 950x8
834
OH 32/950 H
HM 31/950
MS 31/950
HMV 190 E
推荐型号
IRB3016轴承
IRB3024轴承
7309B.T轴承
IRB3616轴承
7308B.T轴承
7307B.T轴承
IRB4016轴承
IRB4020轴承
7306B.T轴承
LRT5710轴承
7305B.T轴承
7304B.T轴承
LRT5812轴承
LRT5816轴承
7302B.T轴承
©2022 恩梯必传动设备(苏州)有限公司